GM Service Manual Online
For 1990-2009 cars only
Makes
🢒
Chevrolet
🢒
2000
🢒
Blazer - 4WD - RHD
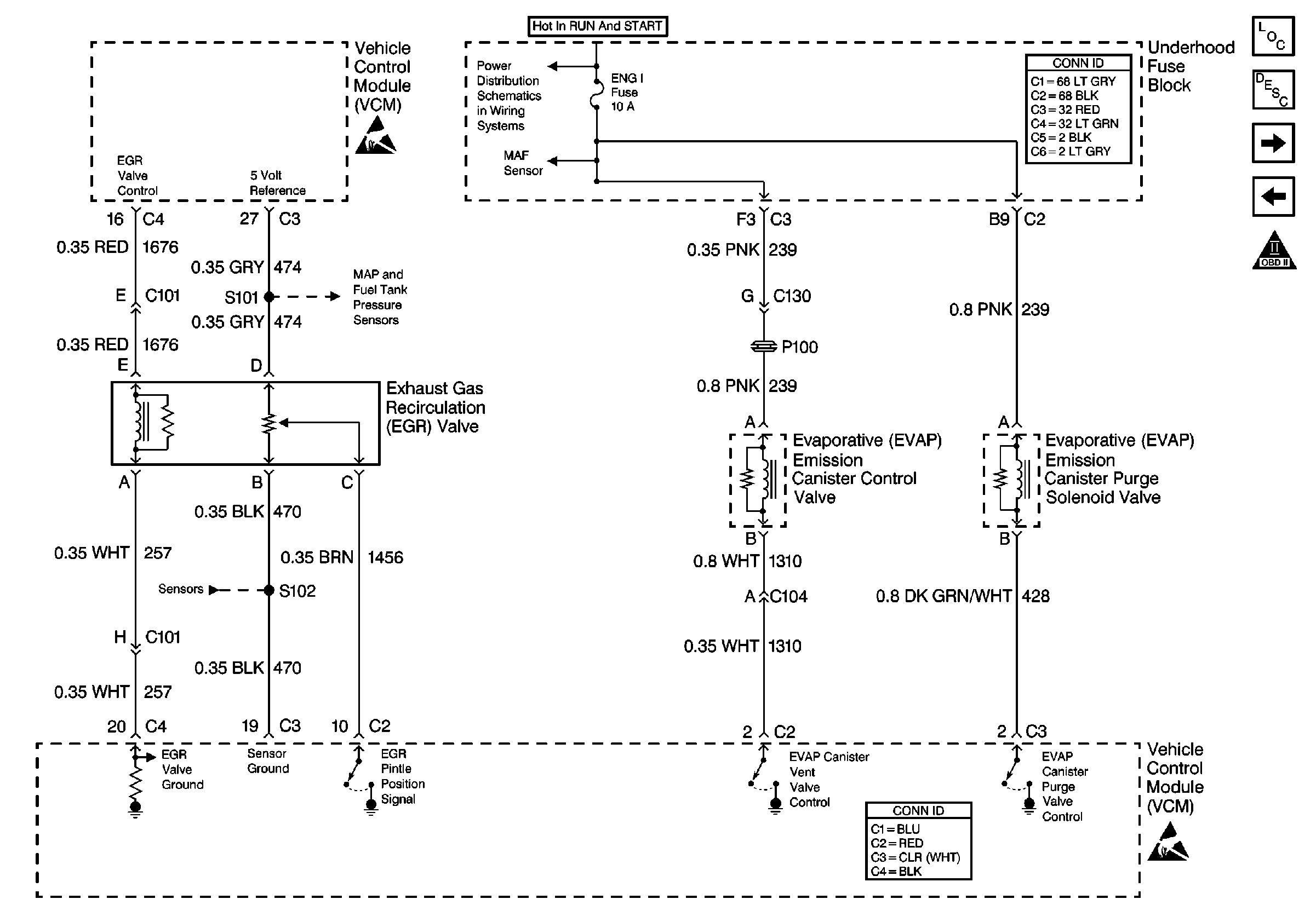
🢒 EGR Valve and EVAP Valves
EGR Valve and EVAP Valves
EGR Valve and EVAP Valves
Engine Controls Components
Evaporative Emission Control System Operation Description Enhanced
4WD Indicator Signal, and Generator
Vehicle Speed Outputs and Overhead Console Link
OBD II Symbol Description Notice
Handling ESD Sensitive Parts Notice
B/U LP, OXYSEN, ENG I, TRL B/U, VEH B/U and BTSI Fuses
MAF and IAC Controls
Power and Grounding Connector End Views
Engine Sensors
Engine Sensors
VCM Connector End Views
Handling ESD Sensitive Parts Notice