GM Service Manual Online
For 1990-2009 cars only
Makes
🢒
Chevrolet
🢒
2000
🢒
Blazer - 4WD - RHD
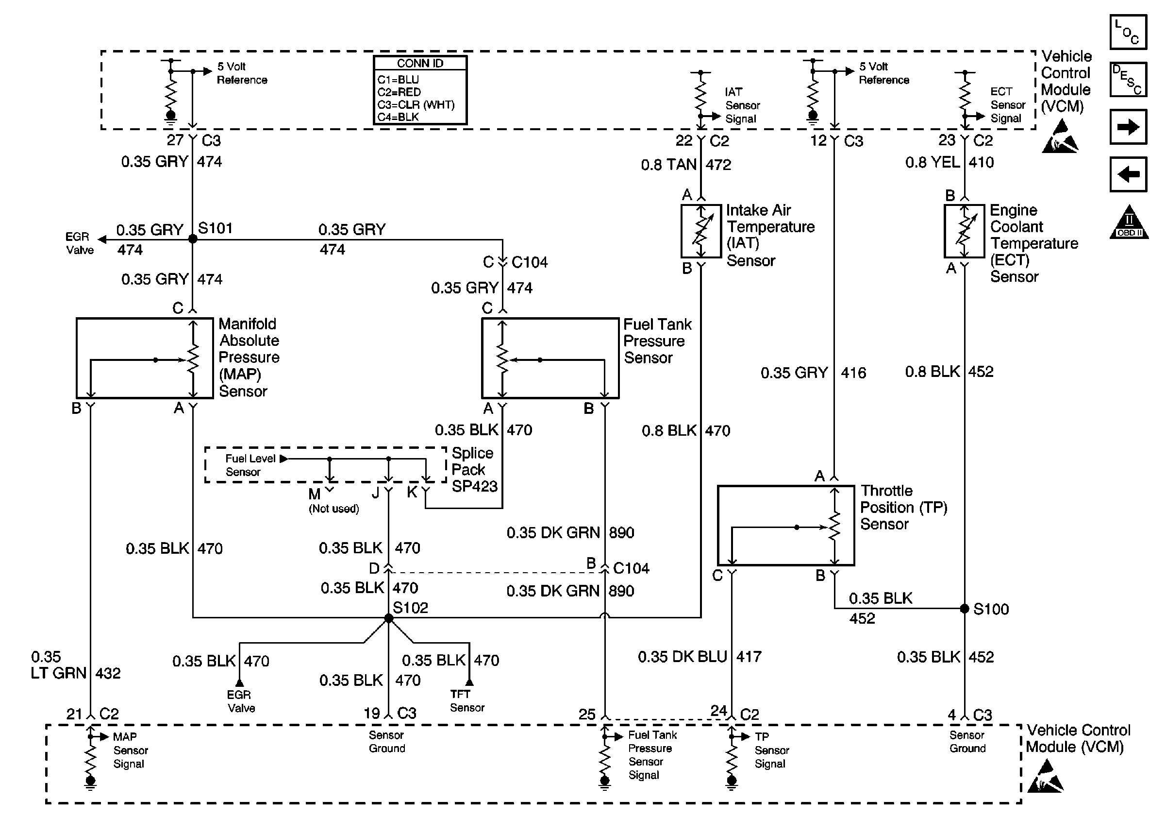
🢒 Engine Sensors
Engine Sensors
Engine Sensors
Engine Controls Components
Information Sensors/Switches Description
Heated Oxygen Sensors
Fuel Injection Controls
OBD II Symbol Description Notice
VCM Connector End Views
Handling ESD Sensitive Parts Notice
EGR Valve and EVAP Valves
Fuel Level Sensor
EGR Valve and EVAP Valves
Automatic Transmission and PNP Switch Inputs
Handling ESD Sensitive Parts Notice