GM Service Manual Online
For 1990-2009 cars only
Makes
🢒
Chevrolet
🢒
2000
🢒
Blazer - 4WD - RHD
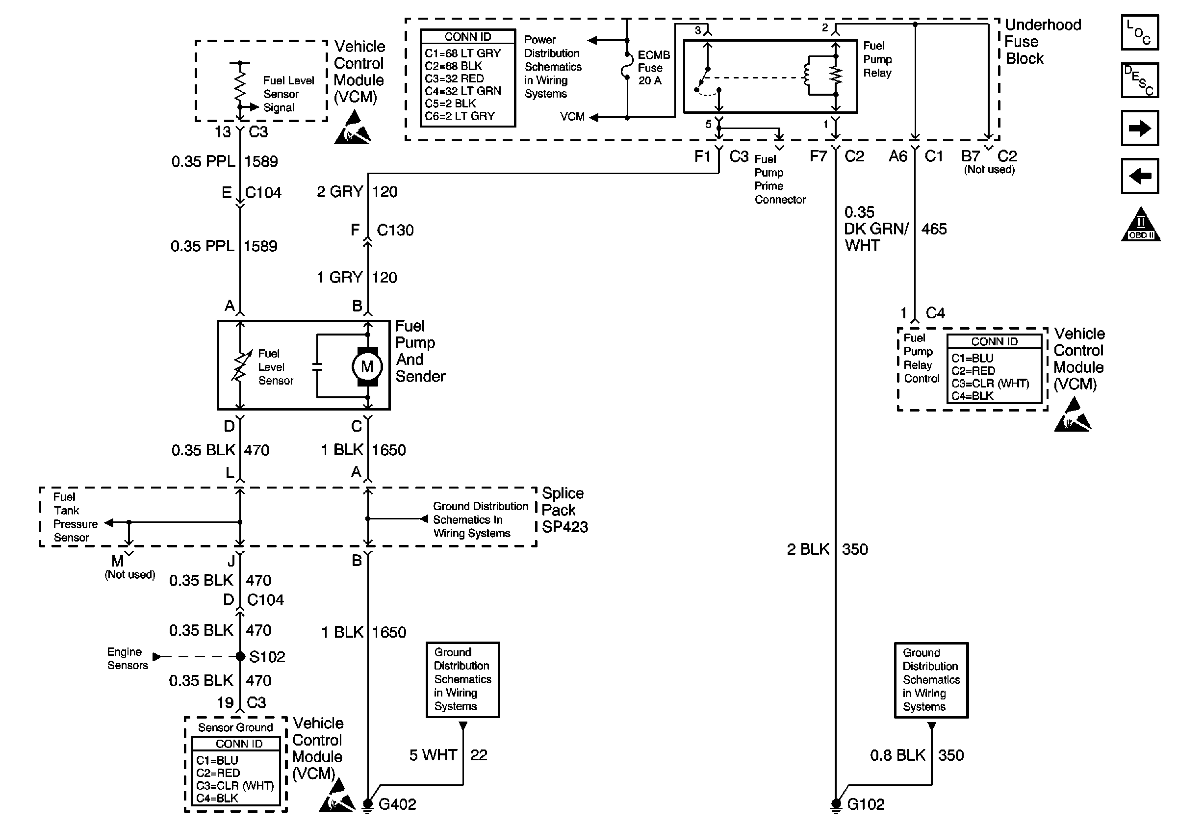
🢒 Fuel Level Sensor
Fuel Level Sensor
Fuel Level Sensor
Engine Controls Components
Fuel Metering System Component Description
Fuel Injection Controls
Ignition Controls
OBD II Symbol Description Notice
Handling ESD Sensitive Parts Notice
Power and Grounding Connector End Views
Power, Ground, MIL and VCM
VCM Connector End Views
Handling ESD Sensitive Parts Notice
Engine Sensors
G402 and G420
Engine Sensors
VCM Connector End Views
Handling ESD Sensitive Parts Notice
G402 and G420
G102