GM Service Manual Online
For 1990-2009 cars only
Makes
🢒
Chevrolet
🢒
2000
🢒
Blazer - 4WD - RHD
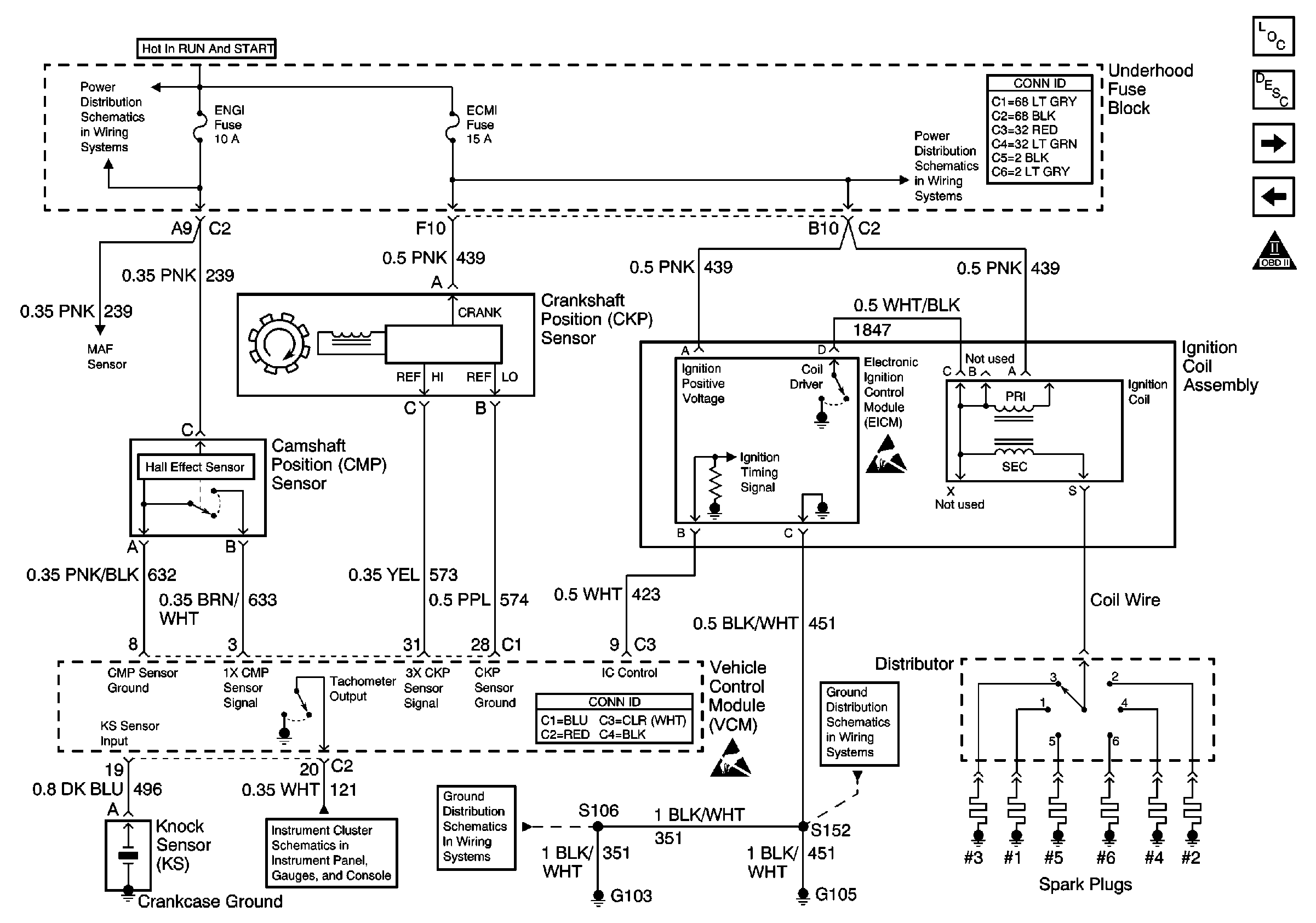
🢒 Ignition Controls
Ignition Controls
Ignition Controls
Engine Controls Components
Enhanced Ignition System Description
Fuel Level Sensor
Data Link Connector (DLC)
OBD II Symbol Description Notice
B/U LP, OXYSEN, ENG I, TRL B/U, VEH B/U and BTSI Fuses
ECM I Fuse
Power and Grounding Connector End Views
MAF and IAC Controls
Handling ESD Sensitive Parts Notice
Data Link Connector (DLC), VCM and Engine Oil Pressure Gauge Sensor
G103 and G105
VCM Connector End Views
Handling ESD Sensitive Parts Notice
G103 and G105