GM Service Manual Online
For 1990-2009 cars only
Makes
🢒
Chevrolet
🢒
2000
🢒
Blazer - 4WD - RHD
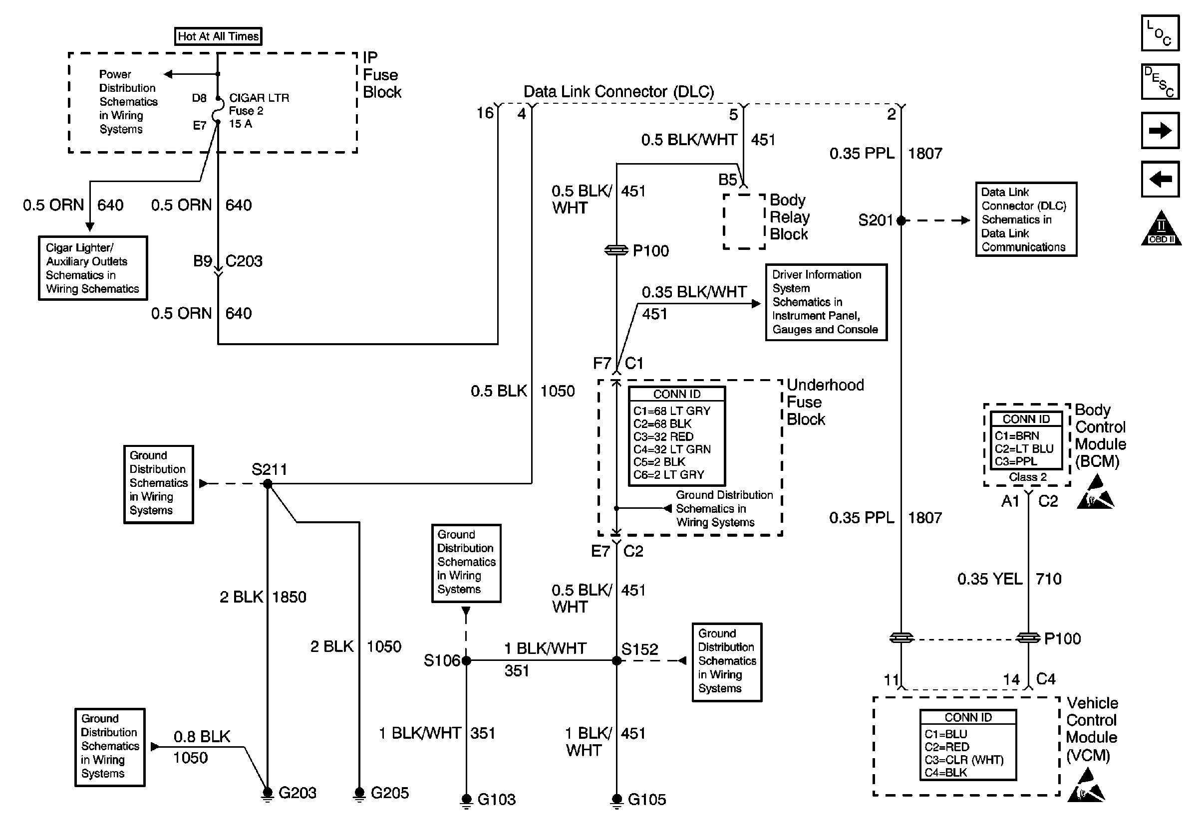
🢒 Data Link Connector (DLC)
Data Link Connector (DLC)
Data Link Connector (DLC)
Engine Controls Components
Serial Data Communications
Ignition Controls
Power, Ground, MIL and VCM
OBD II Symbol Description Notice
STUD 2, INT BAT, CIGAR LTR, CTSY LP and PWR LKS Fuses
STUD 2, INT BAT, CIGAR LTR, CTSY LP and PWR LKS Fuses
G203 and G205
G203 and G205
G103 and G105
S201
Driver Information System
Power and Grounding Connector End Views
G103 and G105
G103 and G105
Body Control System Connector End Views
Handling ESD Sensitive Parts Notice
VCM Connector End Views
Handling ESD Sensitive Parts Notice