GM Service Manual Online
For 1990-2009 cars only
Makes
🢒
Chevrolet
🢒
2000
🢒
Blazer - 4WD - RHD
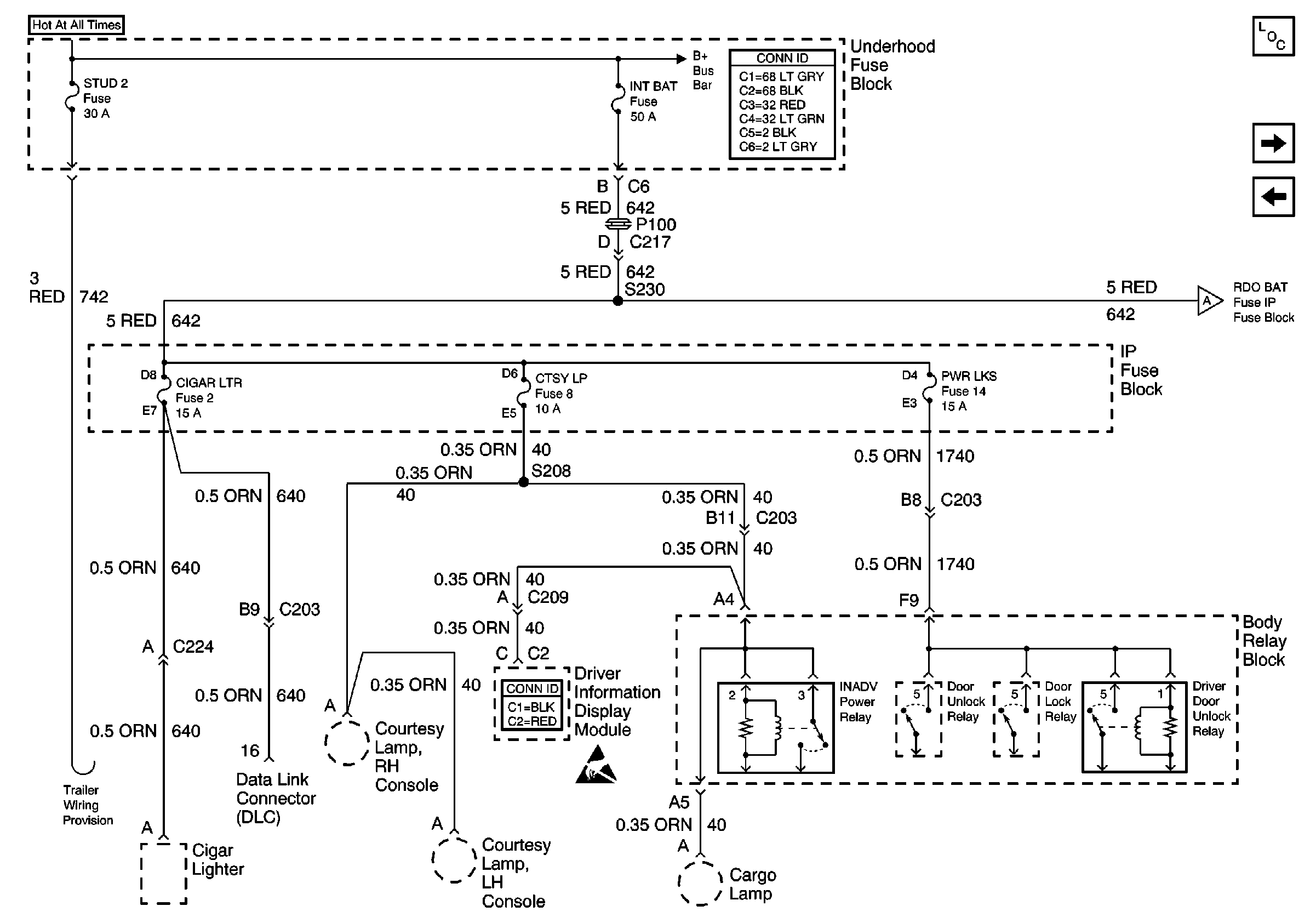
🢒 STUD 2, INT BAT, CIGAR LTR, CTSY LP and PWR LKS Fuses
STUD 2, INT BAT, CIGAR LTR, CTSY LP and PWR LKS Fuses
STUD 2, INT BAT, CIGAR LTR, CTSY LP and PWR LKS Fuses
Power and Grounding Components
RDO BAT and AUX PWR Fuses
MIR/LKS, LH HDLP and RH HDLP Fuses
B+ Bus Bar
Power and Grounding Connector End Views
RDO BAT and AUX PWR Fuses
Driver Information Systems Connector End Views
Handling ESD Sensitive Parts Notice