GM Service Manual Online
For 1990-2009 cars only
Makes
🢒
Chevrolet
🢒
2000
🢒
Blazer - 4WD - RHD
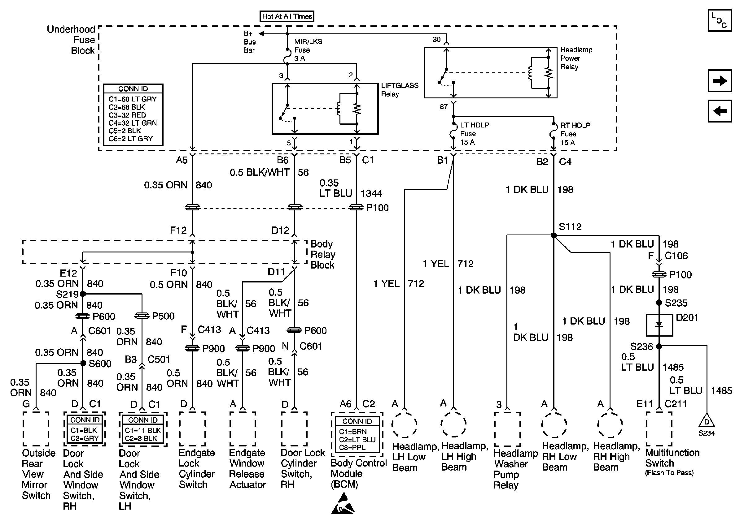
🢒 MIR/LKS, LH HDLP and RH HDLP Fuses
MIR/LKS, LH HDLP and RH HDLP Fuses
MIR/LKS, LH HDLP and RH HDLP Fuses
Power and Grounding Components
STUD 2, INT BAT, CIGAR LTR, CTSY LP and PWR LKS Fuses
IGN E, GAUGES, and SIR Fuses
Power and Grounding Connector End Views
B+ Bus Bar
Power Door Systems Connector End Views
Power Door Systems Connector End Views
Body Control System Connector End Views
Handling ESD Sensitive Parts Notice
IGN E, GAUGES, and SIR Fuses