GM Service Manual Online
For 1990-2009 cars only
Makes
🢒
Chevrolet
🢒
2000
🢒
Blazer - 4WD - RHD
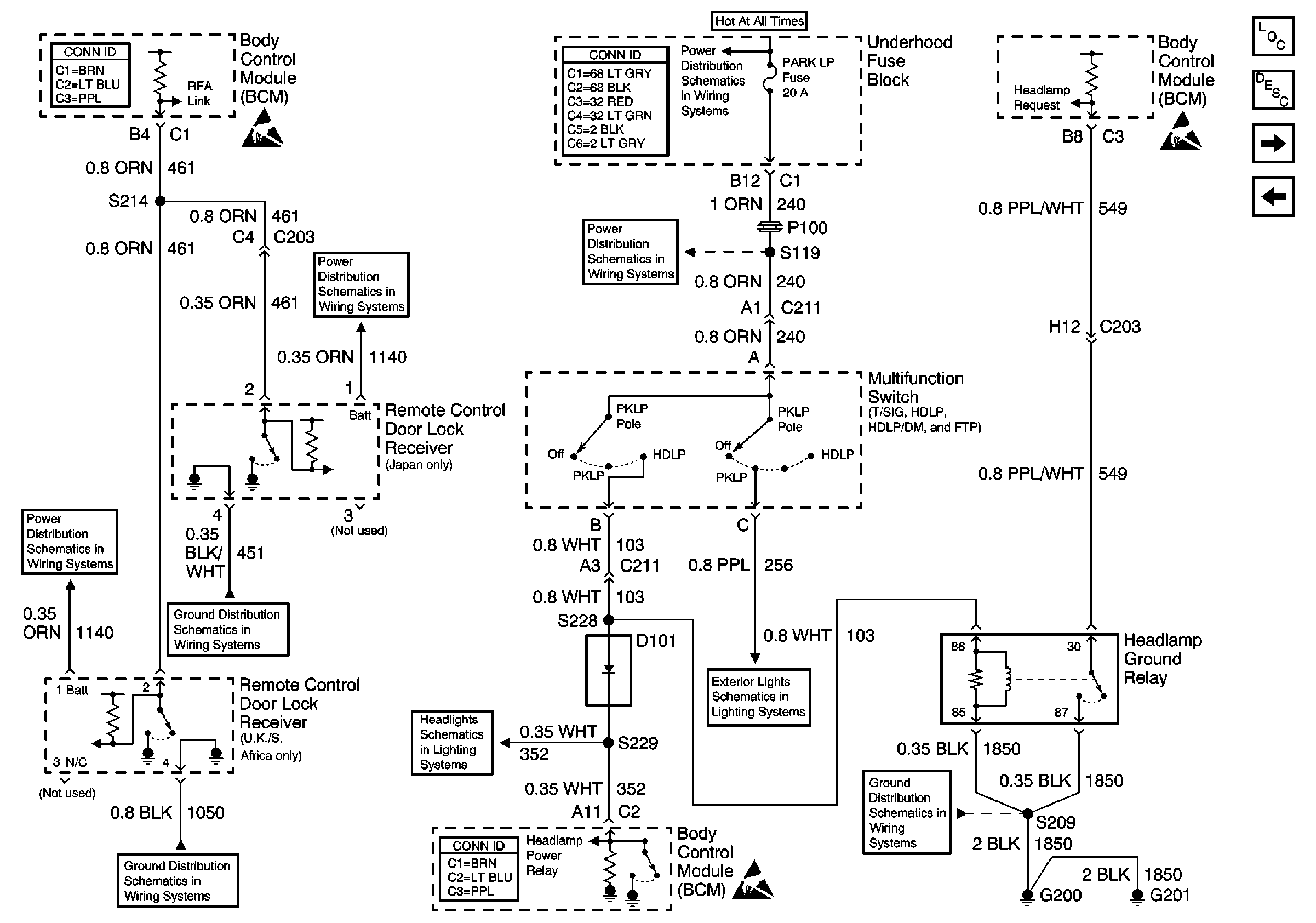
🢒 Headlights
Headlights
Headlights
Body Control Module Components
Body Control System Circuit Description
Power Locks
Exterior Lights
Body Control System Connector End Views
Handling ESD Sensitive Parts Notice
HDLP W/W, IGN C, TBC, LDLEV, and HORN Fuses
HDLP W/W, IGN C, TBC, LDLEV, and HORN Fuses
G203 and G205
G103 and G105
Power, Flash To Pass, and BCM
Body Control System Connector End Views
Power and Grounding Connector End Views
B+ Bus Bar
PARK LP, FR PRK, LR PRK, RR PRK, and TRL PRK Fuses
Power and Headlamp Switch
Handling ESD Sensitive Parts Notice
G200 and G201
Handling ESD Sensitive Parts Notice