GM Service Manual Online
For 1990-2009 cars only
Makes
🢒
Chevrolet
🢒
2000
🢒
Blazer - 4WD - RHD
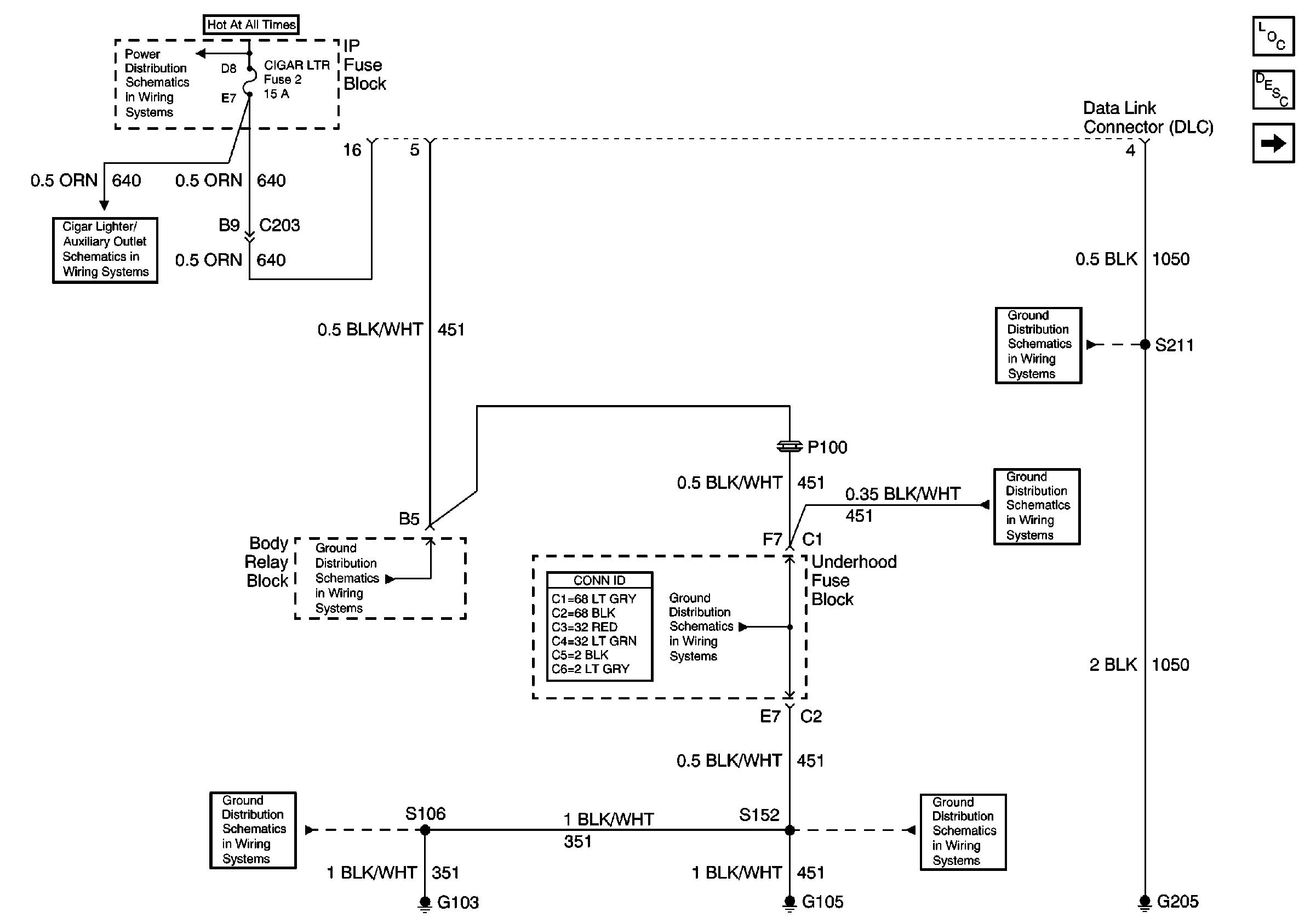
🢒 Power and Ground
Power and Ground
Power and Ground
Data Link Communications Component Views
Data Link Communications Circuit Description
S201
STUD 2, INT BAT, CIGAR LTR, CTSY LP and PWR LKS Fuses
Cigar Lighter/Auxiliary Outlets Schematics
G103 and G105
G103 and G105
Power and Grounding Connector End Views
G203 and G205
G103 and G105
G103 and G105