GM Service Manual Online
For 1990-2009 cars only
Makes
🢒
Chevrolet
🢒
2000
🢒
Blazer - 4WD - RHD
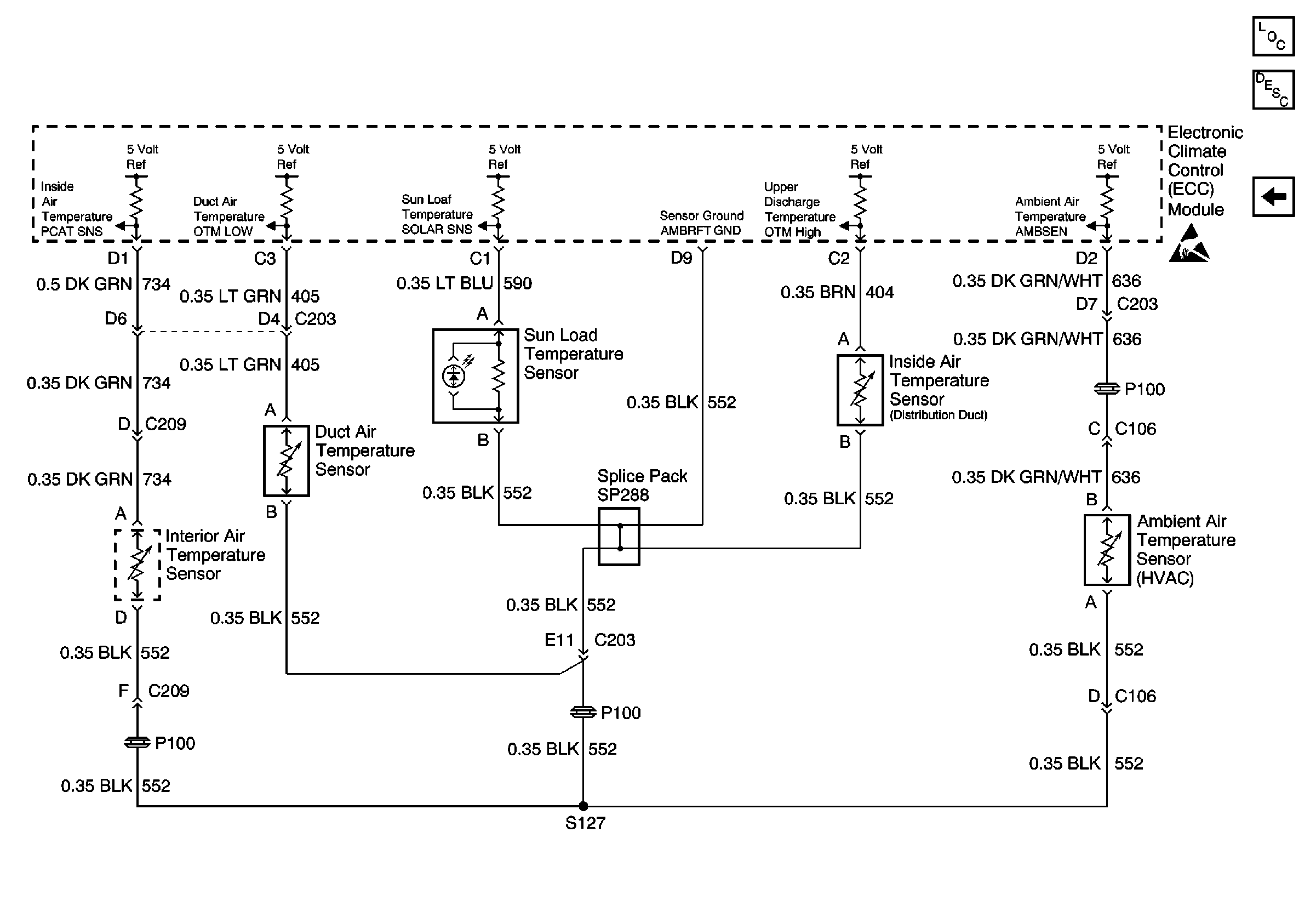
🢒 ECC Module and Temperature Sensors
ECC Module and Temperature Sensors
ECC Module and Temperature Sensors
HVAC Components
HVAC Air Delivery/Temperature Control Circuit Description
HVAC Vacuum Control Solenoid Valve Assembly and Electric Actuator
Handling ESD Sensitive Parts Notice