GM Service Manual Online
For 1990-2009 cars only

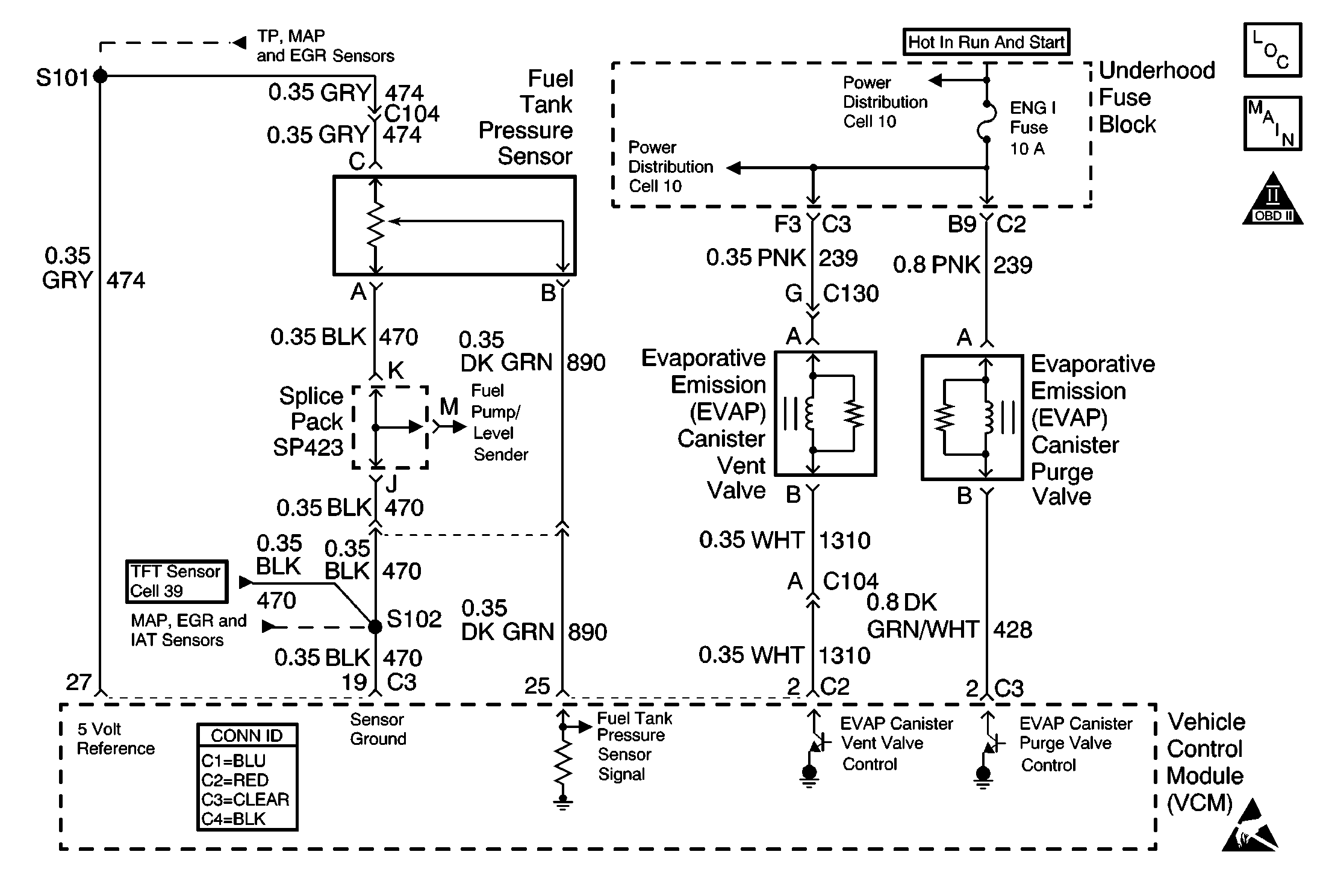
Object Number: 624853  Size: MF
Handling ESD Sensitive Parts Notice
Engine Controls Components
Cell 20: EGR Valve and EVAP Valves
OBD II Symbol Description Notice
VCM Connector End Views
Automatic Transmission Controls Schematics
Power Distribution Schematics
Power Distribution Schematics

Circuit Description

The fuel tank pressure sensor responds to changes in the fuel tank pressure or vacuum. This information is used in order to detect vacuum decay or an excessive vacuum during the EVAP diagnostic routing. The fuel tank pressure sensor signal voltage to the VCM varies from a minimum of about 0.1 volts with pressure in the fuel tank to above 4.0 volts with a high vacuum in the fuel tank.

The fuel tank pressure sensor display on the scan tool has an auto zero feature which occurs at each ignition cycle and is corrected according to the barometric pressure. Because of this, the fuel tank pressure sensor display may not accurately reflect the actual output of the sensor or the conditions within the fuel tank.

The fuel tank pressure sensor diagnosis table is intended to isolate and diagnose the electrical problems with the sensor wiring or the sensor.

Conditions for Running the DTC

The ignition switch is in the RUN position.

Conditions for Setting the DTC

The fuel tank pressure sensor voltage is greater than 4.98 volts for more than 5 seconds.

Action Taken When the DTC Sets

The VCM turns ON the MIL after 2 consecutive driving cycles with the fault active.

Conditions for Clearing the MIL or DTC

    • The control module turns OFF the MIL after 3 consecutive drive trips when the test has run and passed.
    • A history DTC will clear if no fault conditions have been detected for 40 warm-up cycles. A warm-up cycle occurs when the coolant temperature has risen 22°C (40°F) from the startup coolant temperature and the engine coolant reaches a temperature that is more than 70°C (158°F) during the same ignition cycle.
    • Use a scan tool in order to clear the DTCs.

Diagnostic Aids

  1. Inspect the control module harness connectors for the following conditions:
  2. • Improper mating
    • Broken locks
    • Improperly formed
    • Damaged terminals
  3. Inspect the wiring harness for damage. If the harness appears to be OK, observe the fuel tank pressure sensor display on the scan tool while moving the connectors and the wiring harnesses related to the sensor. A change in the display will indicate the location of the fault. Refer to Wiring Repairs in Wiring Systems.

Test Description

The numbers below refer to the step numbers on the diagnostic table.

  1. If the EVAP fuel tank pressure sensor value is less than -16.50 in H2O, an EVAP fuel tank pressure sensor circuit problem may be present or an internally shorted fuel tank pressure sensor. Note that -17.32 in H20 is less than -16.50 in H20.

  2. If the EVAP fuel tank pressure sensor value is less than 7.4 in H2O, the fault is the EVAP fuel tank pressure sensor or the reference voltage is higher than 5.00 volts. With good circuits, a disconnected fuel tank pressure sensor should indicate 7.4 in H2O.

  3. A high voltage reading on the 5 volt reference circuit could be caused by a short to voltage on another 5 volt reference circuit, some 5 volt reference circuits are shared inside and outside the VCM. A defective Linear EGR Valve may bleed battery voltage onto the 5 volt reference circuit.

Step

Action

Values

Yes

No

1

Did you perform the Powertrain On-Board Diagnostic (OBD) System Check?

--

Go to Step 2

Go to Powertrain On Board Diagnostic (OBD) System Check

2

  1. Connect a scan tool.
  2. Turn the key ON.
  3. Monitor the EVAP fuel tank pressure sensor display. Refer to the Test Description for this step.

Does the EVAP fuel tank pressure sensor display vacuum less than the value specified?

-16.50 in H2O

Go to Step 3

Go to Diagnostic Aids.

3

Disconnect the EVAP fuel tank pressure sensor connector.

Does the EVAP fuel tank pressure sensor display pressure of more than the value specified?

7.0 in H2O

Go to Step 4

Go to Step 5

4

Using a DMM measure the voltage at the 5 volt reference circuit to ground at the EVAP fuel tank pressure sensor connector.

Is the voltage higher than the value specified?

5.20 volts

Go to Step 7

Go to Step 8

5

Using a DMM measure the voltage to ground of the sensor Signal circuit at the EVAP fuel tank pressure sensor connector.

Is the voltage higher than the value specified?

0.5 volts

Go to Step 6

Go to Step 10

6

Repair the short to voltage on the EVAP fuel tank pressure sensor signal circuit.

Is the repair complete?

--

Go to Step 12

--

7

Repair the short to voltage on the 5 volt reference circuit. Refer to the Test Description.

Is the repair complete?

--

Go to Step 12

--

8

  1. Check terminal contact at the EVAP fuel tank pressure sensor.
  2. Repair the terminal contact if needed.

Was the terminal contact repaired?

--

Go to Step 12

Go to Step 9

9

Replace the EVAP fuel tank pressure sensor. Refer to Fuel Tank Pressure Sensor Replacement .

Is the replacement complete?

--

Go to Step 12

--

10

  1. Check terminal contact at the VCM.
  2. Repair the terminal contact if needed.

Was the terminal contact repaired?

--

Go to Step 12

Go to Step 11

11

Important: The replacement VCM must be programmed.

Replace the VCM. Refer to VCM Replacement/Programming .

Is the action complete?

--

Go to Step 12

--

12

  1. Using the scan tool, clear the DTCs.
  2. Start the engine.
  3. Allow the engine to idle until the engine reaches normal operating temperature.
  4. Select DTC and the Specific DTC function.
  5. Enter the DTC number which was set.
  6. Operate the vehicle, with the conditions for Setting this DTC, until the scan tool indicates the diagnostic Ran.

Does the scan tool indicate the diagnostic Passed?

--

Go to Step 13

Go to Step 2

13

Does the scan tool display any additional undiagnosed DTC's?

--

Go to the applicable DTC table

System OK