GM Service Manual Online
For 1990-2009 cars only
Makes
🢒
Chevrolet
🢒
2000
🢒
Blazer - 4WD - RHD
🢒
Transmission/Transaxle
🢒
Automatic Transmission - 4L60-E
🢒 Automatic Transmission Controls Schematics
Figure
1:
Vehicle Speed Sensor (VSS)
Automatic Transmission Components
Electronic Component Description
Valve Controls
OBD II Symbol Description Notice
B+ Bus Bar
ECM I Fuse
Power and Grounding Connector End Views
Ign RUN and START Bus Bar
CLSTR Fuse
Power, Transfer Case Shift Control Module, and Encoder Motor
CLSTR Fuse
4WD and HVAC I Fuses
VCM Connector End Views
Handling ESD Sensitive Parts Notice
G104, G106, G107, G108 and G118
G104, G106, G107, G108 and G118
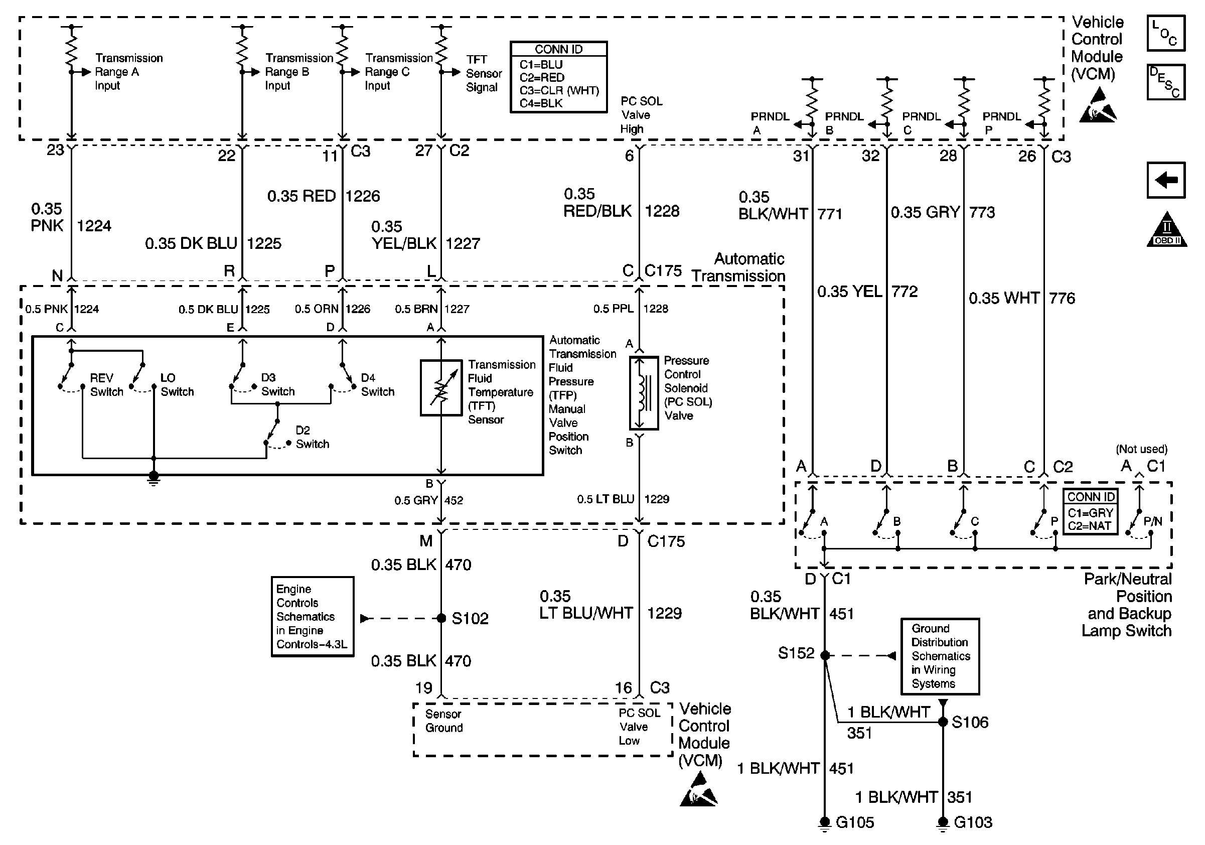
Figure
2:
Valve Controls
Automatic Transmission Components
Electronic Component Description
Automatic Transmission and PNP Switch Inputs
Vehicle Speed Sensor (VSS)
OBD II Symbol Description Notice
B+ Bus Bar
RDO IGN, FRT WPR, RR WIPER, ABS, CRUISE, and W/W PUMP Fuses
EBCM Power and Ground
CLSTR Fuse
Cruise Control Schematic
VCM Connector End Views
Handling ESD Sensitive Parts Notice
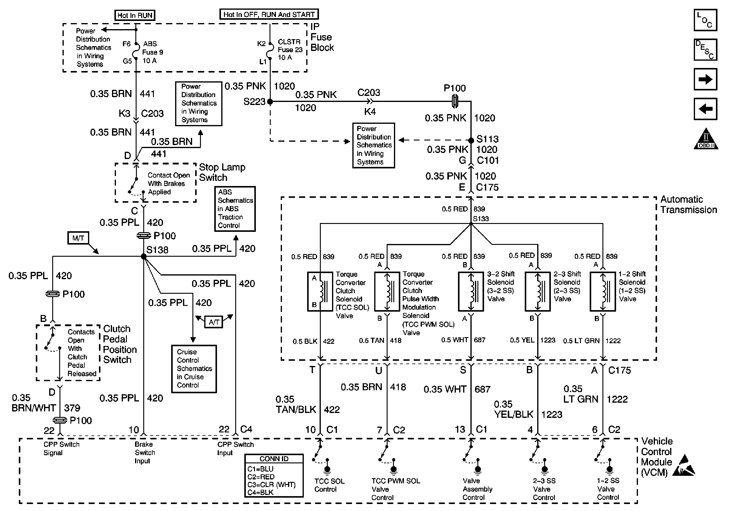
Figure
3:
Automatic Transmission and PNP Switch Inputs
Automatic Transmission Components
Electronic Component Description
Valve Controls
OBD II Symbol Description Notice
VCM Connector End Views
Handling ESD Sensitive Parts Notice
Engine Sensors
Handling ESD Sensitive Parts Notice
G103 and G105
Shift Lock Control Connector End Views