GM Service Manual Online
For 1990-2009 cars only

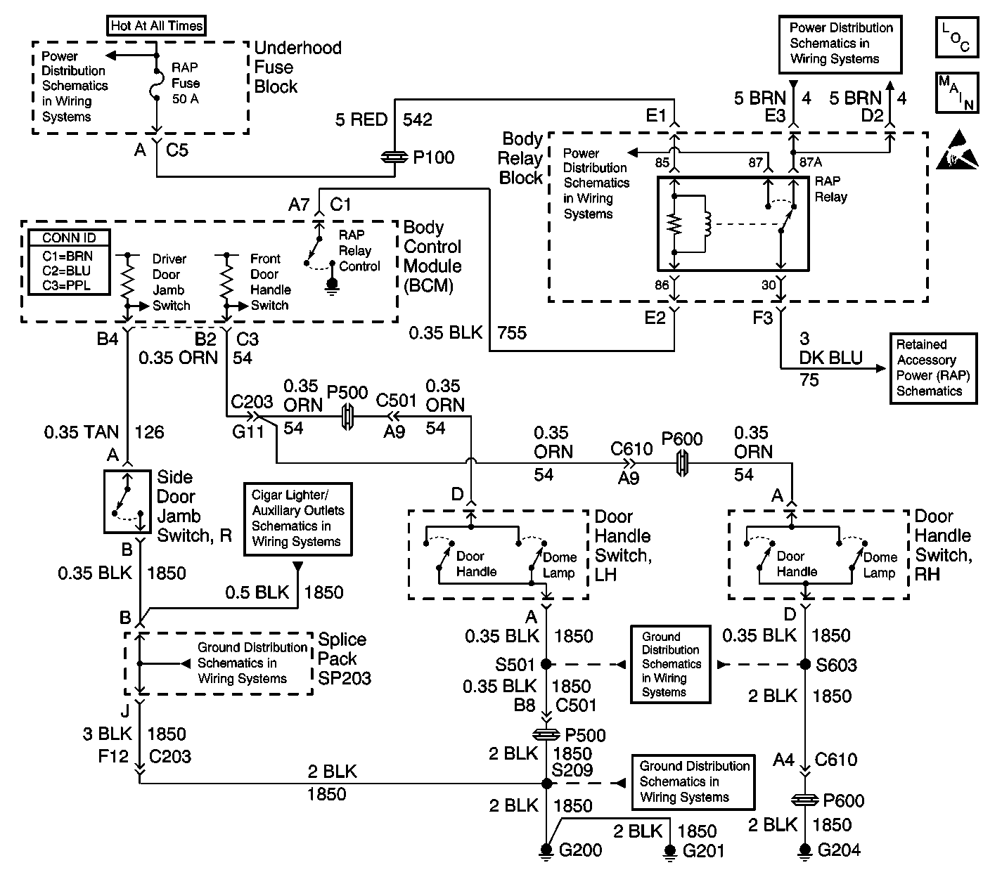
Object Number: 623972  Size: LF
Retained Accessory Power (RAP) Components
Retained Accessory Power (RAP) Schematics
Handling ESD Sensitive Parts Notice
Power Distribution Schematics
Ground Distribution Schematics
Ground Distribution Schematics
Ground Distribution Schematics
Cigar Lighter/Power Outlet Schematics
Retained Accessory Power (RAP) Schematics
Power Distribution Schematics
Power Distribution Schematics

Circuit Description

The retained accessory power (RAP) function allows certain systems such as the radio and the power windows to operate 20 minutes after the ignition switch is turned OFF. The body control module (BCM) monitors the ignition switch position, the door jamb switches and the voltage on the RAP relay control circuit. The BCM will command the RAP relay ON by grounding the RAP relay control circuit.

Conditions for Running the DTC

    • The system voltage must be between 9.0 and 16.0 volts.
    • The doors must remain closed.
    • The ignition switch must be cycled ON to OFF.
    • The radio or power windows must be operated to verify operation.

Conditions for Setting the DTC

    • When the BCM detects battery voltage (short to battery) on the RAP relay control circuit with the ignition switch in the RUN position.
    • The above conditions must be met for 0.5 seconds.

Action Taken When the DTC Sets

The radio and the power windows will not operate after the ignition switch is turned OFF and all the doors are closed.

Conditions for Clearing the MIL/DTC

    • A history DTC will clear after 100 consecutive ignition cycles without a fault present.
    • History and current DTC(s) can be cleared using a scan tool.

Diagnostic Aids

    • Perform a visual inspection for loose or poor connections at all related components.
    • Refer to Testing for Intermittent Conditions and Poor Connections in Wiring Systems.

Test Description

The number(s) below refer to the step number(s) on the diagnostic table.

  1. Listen for an audible click when the Retained Accessory Power (RAP) relay operates. Command both the ON and OFF states. Repeat the commands as necessary.

  2. Tests for voltage at the coil side of the RAP relay. The RAP fuse supplies power to the coil side of the RAP relay.

  3. Verifies that the Body Control Module (BCM) is providing ground to the RAP relay.

  4. Tests if ground is constantly being applied to the RAP Relay.

  5. After replacement of the BCM you must calibrate the new module for proper operation.

Step

Action

Value(s)

Yes

No

1

Did you perform the Retained Accessory Power (RAP) Diagnostic System Check?

--

Go to Step 2

Go to Diagnostic System Check - Retained Accessory Power

2

  1. Install a scan tool.
  2. Turn ON the ignition, with the engine OFF.
  3. With a scan tool, command the RAP relay ON and OFF.

Does the RAP relay turn ON and OFF with each command?

--

Go to Diagnostic Aids

Go to Step 3

3

  1. Turn OFF the ignition.
  2. Disconnect the RAP relay.
  3. Turn ON the ignition, with the engine OFF.
  4. Probe the coil side feed circuit of the RAP relay with a test lamp that is connected to a good ground.

Does the test lamp illuminate?

--

Go to Step 4

Go to Step 10

4

  1. Connect a test lamp between the control circuit of the RAP relay and the coil side feed circuit of the RAP relay.
  2. With a scan tool, command the RAP relay ON and OFF .

Does the test lamp turn ON and OFF with each command?

--

Go to Step 8

Go to Step 5

5

Does the test lamp remain illuminated with each command?

--

Go to Step 7

Go to Step 6

6

Test the control circuit of the RAP relay for a short to voltage. Refer to Circuit Testing and Wiring Repairs in Wiring Systems.

Did you find and correct the condition?

--

Go to Step 13

Go to Step 9

7

Test the control circuit of the RAP relay for a short to ground. Refer to Circuit Testing and Wiring Repairs in Wiring Systems.

Did you find and correct the condition?

--

Go to Step 13

Go to Step 9

8

Inspect for poor connections at the RAP relay. Refer to Testing for Intermittent Conditions and Poor Connections and Connector Repairs in Wiring Systems.

Did you find and correct the condition?

--

Go to Step 13

Go to Step 11

9

Inspect for poor connections at the harness connector of the Body Control Module (BCM). Refer to Testing for Intermittent Conditions and Poor Connections and Connector Repairs in Wiring Systems.

Did you find and correct the condition?

--

Go to Step 13

Go to Step 12

10

Repair the coil side feed circuit of the RAP relay. Refer to Wiring Repairs in Wiring Systems.

Did you complete the repair?

--

Go to Step 13

--

11

Replace the RAP relay.

Did you complete the replacement?

--

Go to Step 13

--

12

  1. Replace the BCM. Refer to Body Control Module Replacement BCM in Body Control System.
  2. Program the BCM with the proper calibrations. Refer to Body Control Module (BCM) Programming/RPO Configuration in Body Control System.
  3. Perform the learn procedure.

Did you complete the replacement?

--

Go to Step 13

--

13

  1. Use the scan tool in order to clear the DTCs .
  2. Operate the vehicle within the Conditions for Running the DTC as specified in the supporting text.

Does the DTC reset?

--

Go to Step 2

System OK