GM Service Manual Online
For 1990-2009 cars only
Makes
🢒
Chevrolet
🢒
2001
🢒
Blazer - 4WD - RHD
🢒
Engine
🢒
Engine Electrical
🢒 Starting and Charging Schematics
Figure
1:
Starting
Master Electrical Component List
Starting System Description and Operation
B+ Bus Bar
Ign RUN and START Bus Bar
Propshaft Speed Sensors, Front Axle Vacuum Solenoid
G102
Charging
Ign START, RUN and ACC Bus Bar
G102
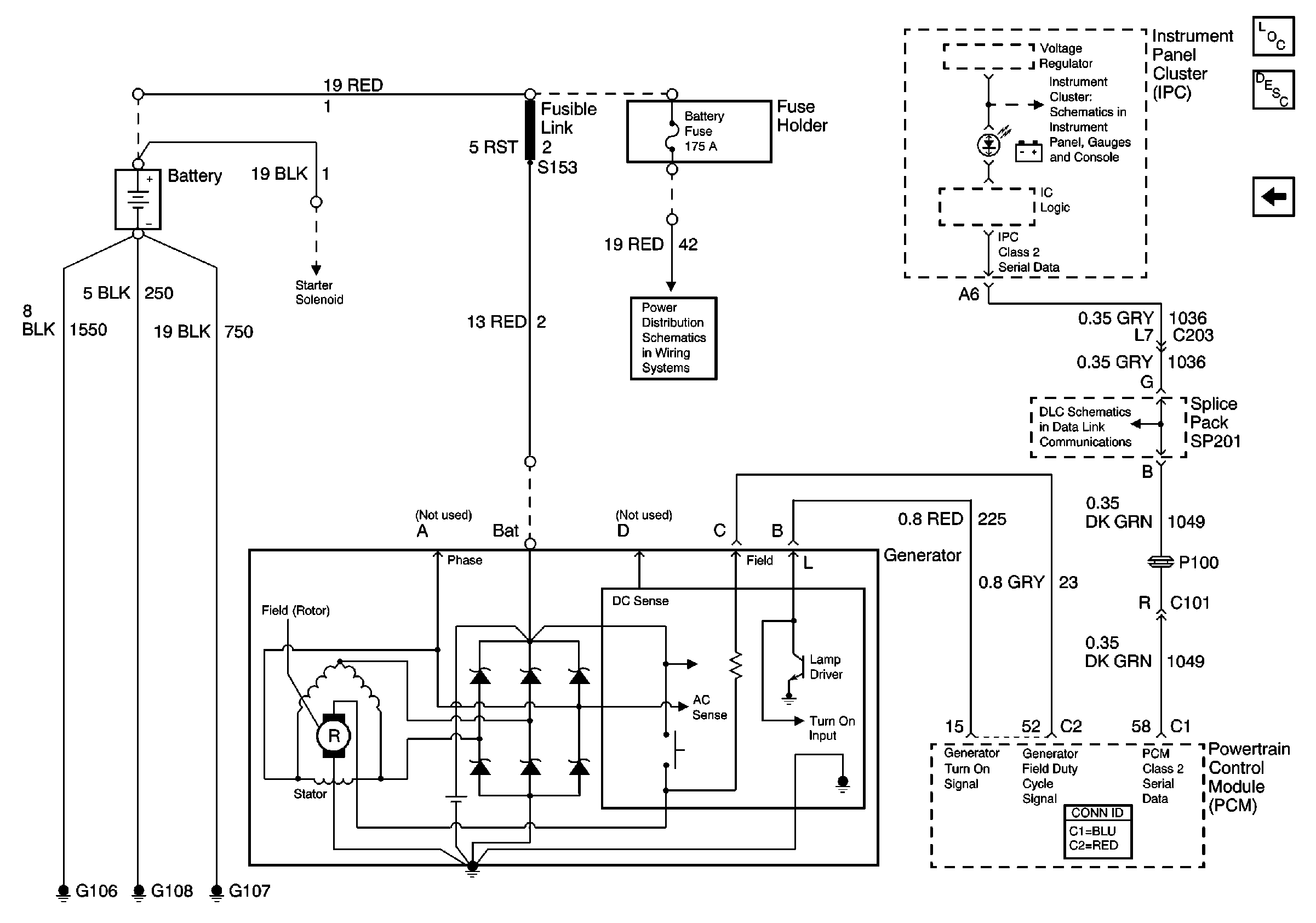
Figure
2:
Charging
Master Electrical Component List
Charging System Description and Operation
Starting
Starting
B+ Bus Bar
Data Link Connector (DLC), VCM and Engine Oil Pressure Gauge Sensor
Splice Pack SP201 and Modules