GM Service Manual Online
For 1990-2009 cars only
Makes
🢒
Chevrolet
🢒
2001
🢒
Blazer - 4WD - RHD
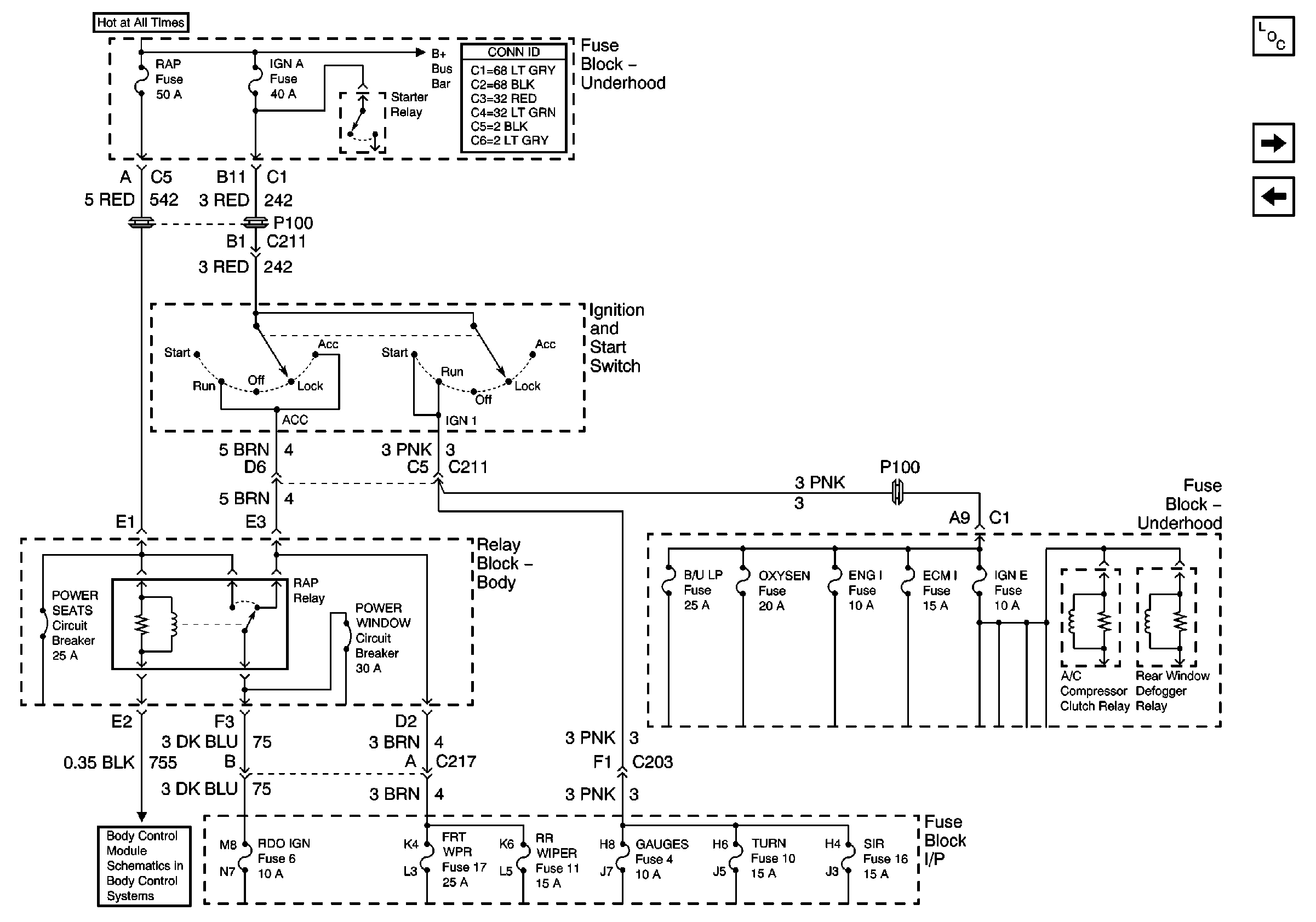
🢒 Ign START, RUN and ACC Bus Bar
Ign START, RUN and ACC Bus Bar
Ign START, RUN and ACC Bus Bar
Master Electrical Component List
Ign RUN and START Bus Bar
B+ Bus Bar
B+ Bus Bar
Passlock ™ Sensor, Liftglass Relay and RAP Relay