GM Service Manual Online
For 1990-2009 cars only
Makes
🢒
Chevrolet
🢒
2001
🢒
Blazer - 4WD - RHD
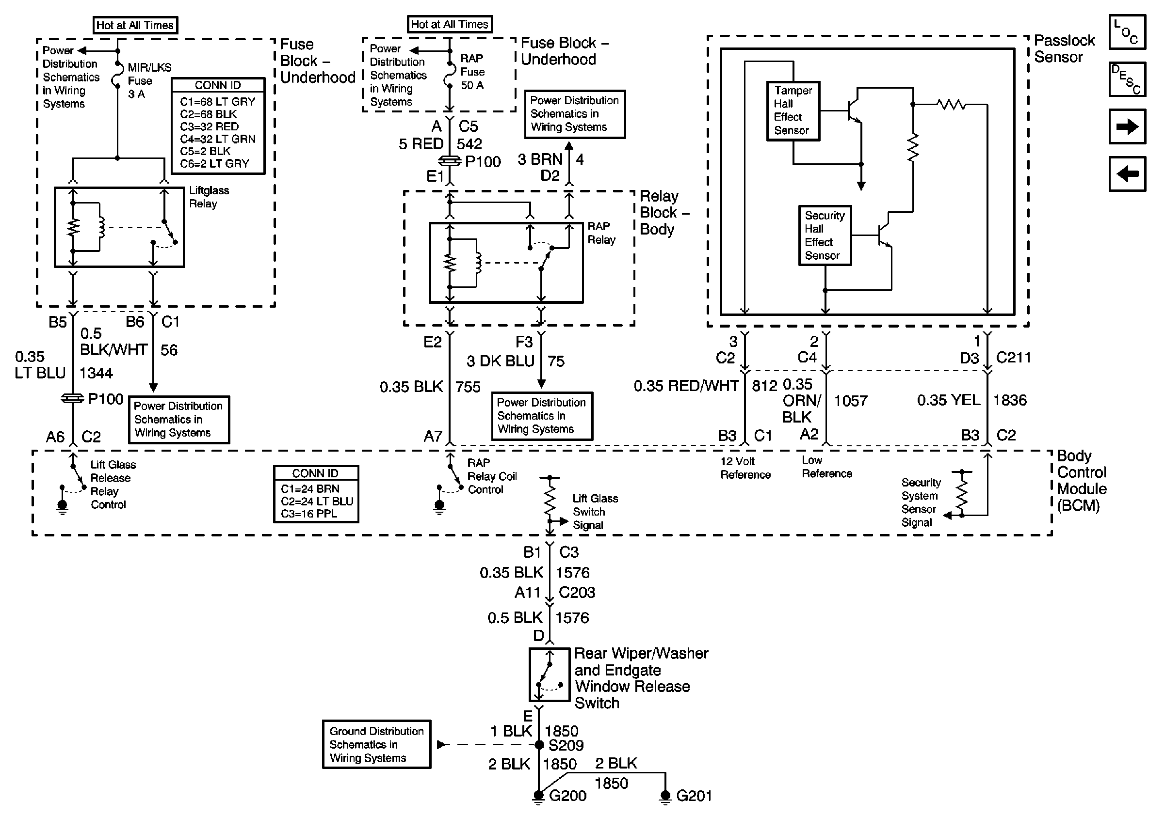
🢒 Passlock ™ Sensor, Liftglass Relay and RAP Relay
Passlock ™ Sensor, Liftglass Relay and RAP Relay
Passlock⢠Sensor, Liftglass Relay and RAP Relay
Master Electrical Component List
Body Control System Description and Operation
Horns
PCM/VCM, Ambient Light Sensor and Seat Belt Switch
B+ Bus Bar
B+ Bus Bar
Ign START, RUN and ACC Bus Bar
MIR/LKS, LH HDLP and RH HDLP Fuses
Ign START, RUN and ACC Bus Bar
G200 and G201