GM Service Manual Online
For 1990-2009 cars only
Makes
🢒
Chevrolet
🢒
2001
🢒
Blazer - 4WD - RHD
🢒
Transmission/Transaxle
🢒
Automatic Transmission - 4L60-E
🢒 Automatic Transmission Controls Schematics
Figure
1:
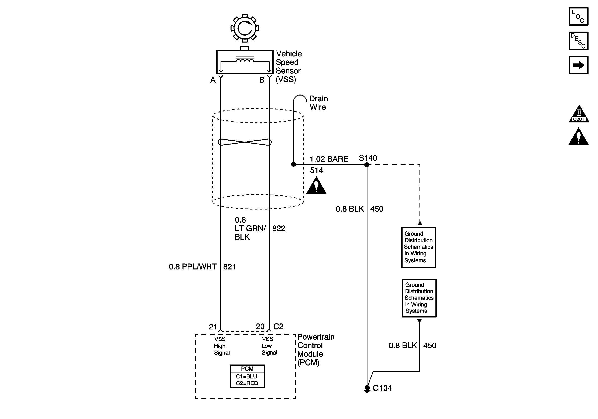
Vehicle Speed Sensor
Master Electrical Component List
Electronic Component Description
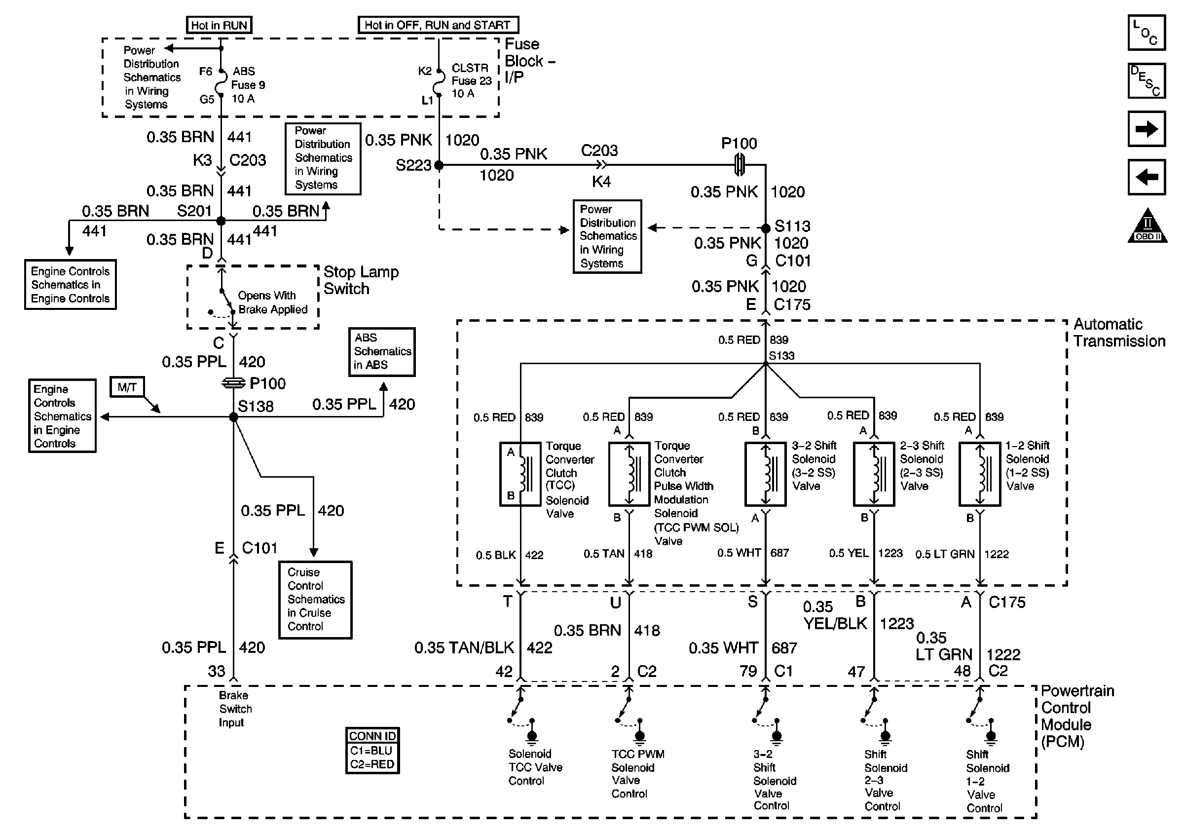
TCC SOL, TCC PWM SOL, 3-2 SS, 2-3 SS and 1-2 SS Valves
OBD II Symbol Description Notice
Automatic Transmission Schematic Icons
Automatic Transmission Schematic Icons
G104, G106, G107, G108 and G118
G104, G106, G107, G108 and G118
Figure
2:
TCC SOL, TCC PWM SOL, 3-2 SS, 2-3 SS and 1-2 SS Valves
Master Electrical Component List
Electronic Component Description
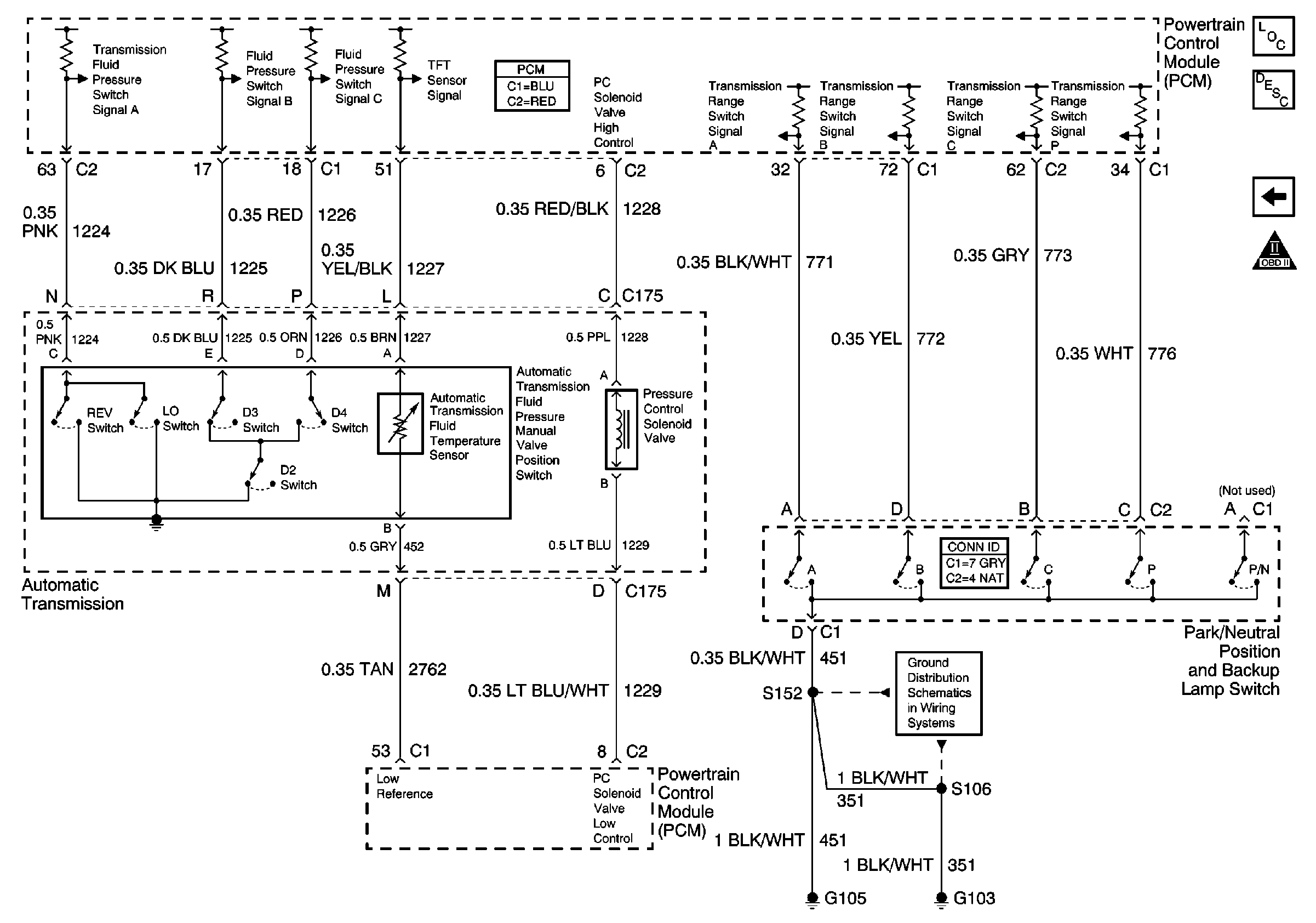
TFT Sensor, TFP Manual Valve Position Switch and PC SOL Valve
Vehicle Speed Sensor
OBD II Symbol Description Notice
B+ Bus Bar
RDO IGN, FRT WPR, RR WIPER, ABS and CRUISE Fuses
Automatic Transmission Valve Controls
Automatic Transmission Valve Controls
EBCM Power and Ground
CLSTR Fuse
Cruise Control Schematics
Figure
3:
TFT Sensor, TFP Manual Valve Position Switch and PC SOL Valve
Master Electrical Component List
Electronic Component Description
TCC SOL, TCC PWM SOL, 3-2 SS, 2-3 SS and 1-2 SS Valves
OBD II Symbol Description Notice
Power, Ground, MIL and VCM