GM Service Manual Online
For 1990-2009 cars only
Figure 1:

Blower Motor, Blower Motor Control Processor, HVAC Control Module, DLC, G203 and G204


Object Number: 680671  Size: FS
Master Electrical Component List
Air Delivery Description and Operation
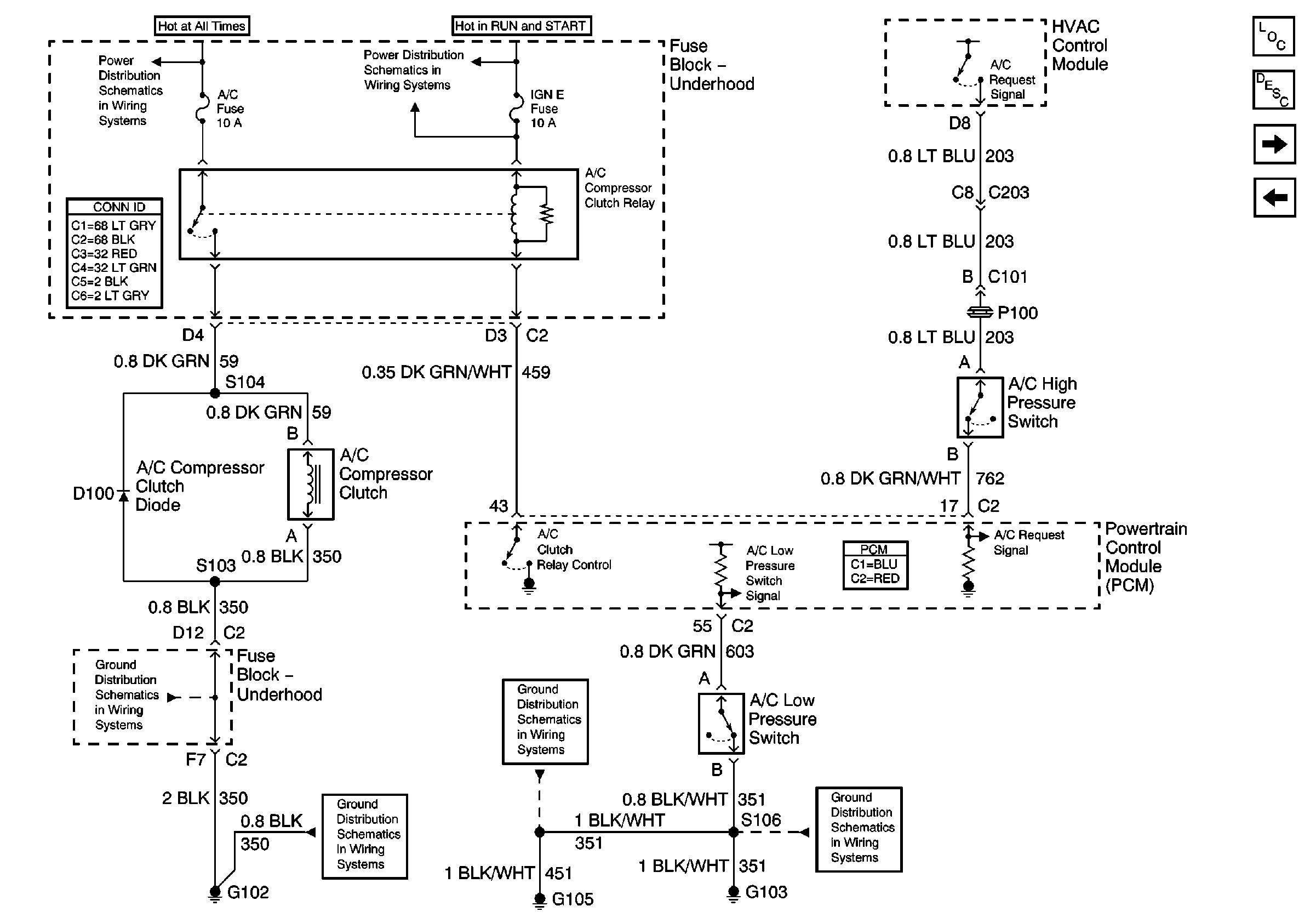
A/C Low and High Pressure Switches, A/C Compressor Clutch , D100, G102,G103, G105, HVAC Control Module and PCM
Ign RUN and START Bus Bar
RDO BAT and AUX PWR Fuses
HVAC Control Module, Air Temperature Actuator, Vacuum Control Assembly, Air Temperature Sensor - Inside, and G202
RDO BAT and AUX PWR Fuses
Hazard Switch, Radio, Instrument Panel Cluster (IPC) And Ground
Splice Pack SP201 and Modules
B+ Bus Bar
Defogger Schematics
G203 and G205
SP203
G117
Figure 2:

A/C Low and High Pressure Switches, A/C Compressor Clutch , D100, G102, G103, G105, HVAC Control Module and PCM


Object Number: 680672  Size: FS
Master Electrical Component List
Air Delivery Description and Operation
HVAC Control Module, Air Temperature Actuator, Vacuum Control Assembly, Air Temperature Sensor - Inside, and G202
Blower Motor, Blower Motor Control Processor, HVAC Control Module, DLC, G203 and G204
B+ Bus Bar
IGN E, GAUGES, and SIR Fuses
G102
G102
G103 and G105
G103 and G105
Figure 3:

HVAC Control Module, Air Temperature Actuator, Vacuum Control Assembly, Air Temperature Sensor -- Inside, and G202


Object Number: 680674  Size: FS
Master Electrical Component List
Air Delivery Description and Operation
HVAC Control Module, Sunload Sensor, and Air Temperature Sensors
A/C Low and High Pressure Switches, A/C Compressor Clutch , D100, G102,G103, G105, HVAC Control Module and PCM
Blower Motor, Blower Motor Control Processor, HVAC Control Module, DLC, G203 and G204
Inside Rearview Mirror Schematics
G202 and G204
Figure 4:

HVAC Control Module, Sunload Sensor, and Air Temperature Sensors


Object Number: 680675  Size: FS
Master Electrical Component List
Air Delivery Description and Operation
HVAC Control Module, Air Temperature Actuator, Vacuum Control Assembly, Air Temperature Sensor - Inside, and G202