GM Service Manual Online
For 1990-2009 cars only
Makes
🢒
Chevrolet
🢒
2001
🢒
Blazer - 4WD - RHD
🢒
Body and Accessories
🢒
Wiring Systems
🢒 Retained Accessory Power (RAP) Schematics
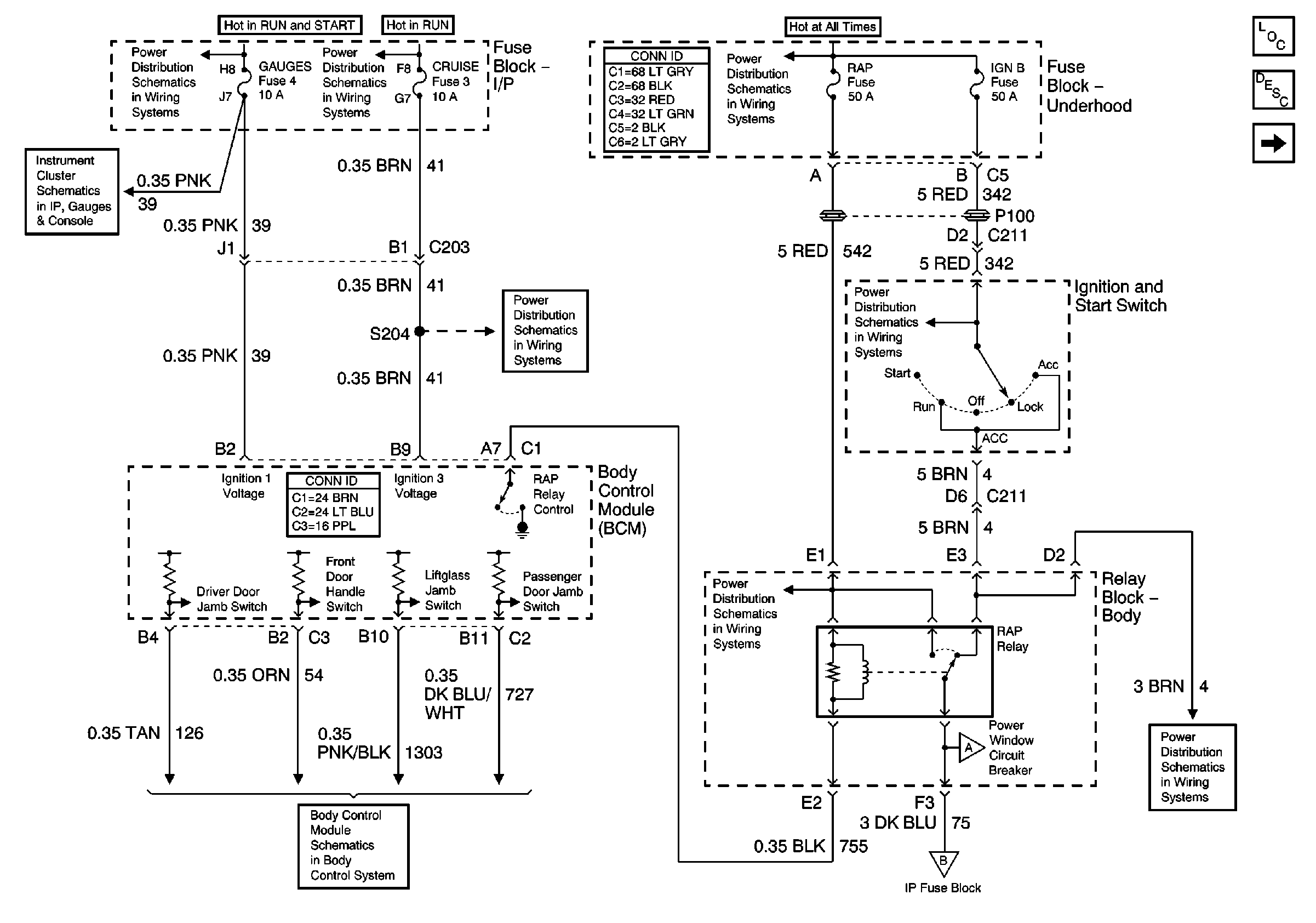
Figure
1:
Power, BCM and Ignition and Start Switch
Master Electrical Component List
Retained Accessory Power (RAP) Description and Operation
RADIO IGN, FRT WPR and RR WPR Fuses
Power
Ign START, RUN and ACC Bus Bar
Ign RUN and START Bus Bar
B+ Bus Bar
RDO IGN, FRT WPR, RR WIPER, ABS and CRUISE Fuses
Ign RUN and START Bus Bar
Rear Jamb Switches, Door Handle Switch and Ignition Key Alarm Switch
Ign START, RUN and ACC Bus Bar
Ign START, RUN and ACC Bus Bar
RADIO IGN, FRT WPR and RR WPR Fuses
RADIO IGN, FRT WPR and RR WPR Fuses
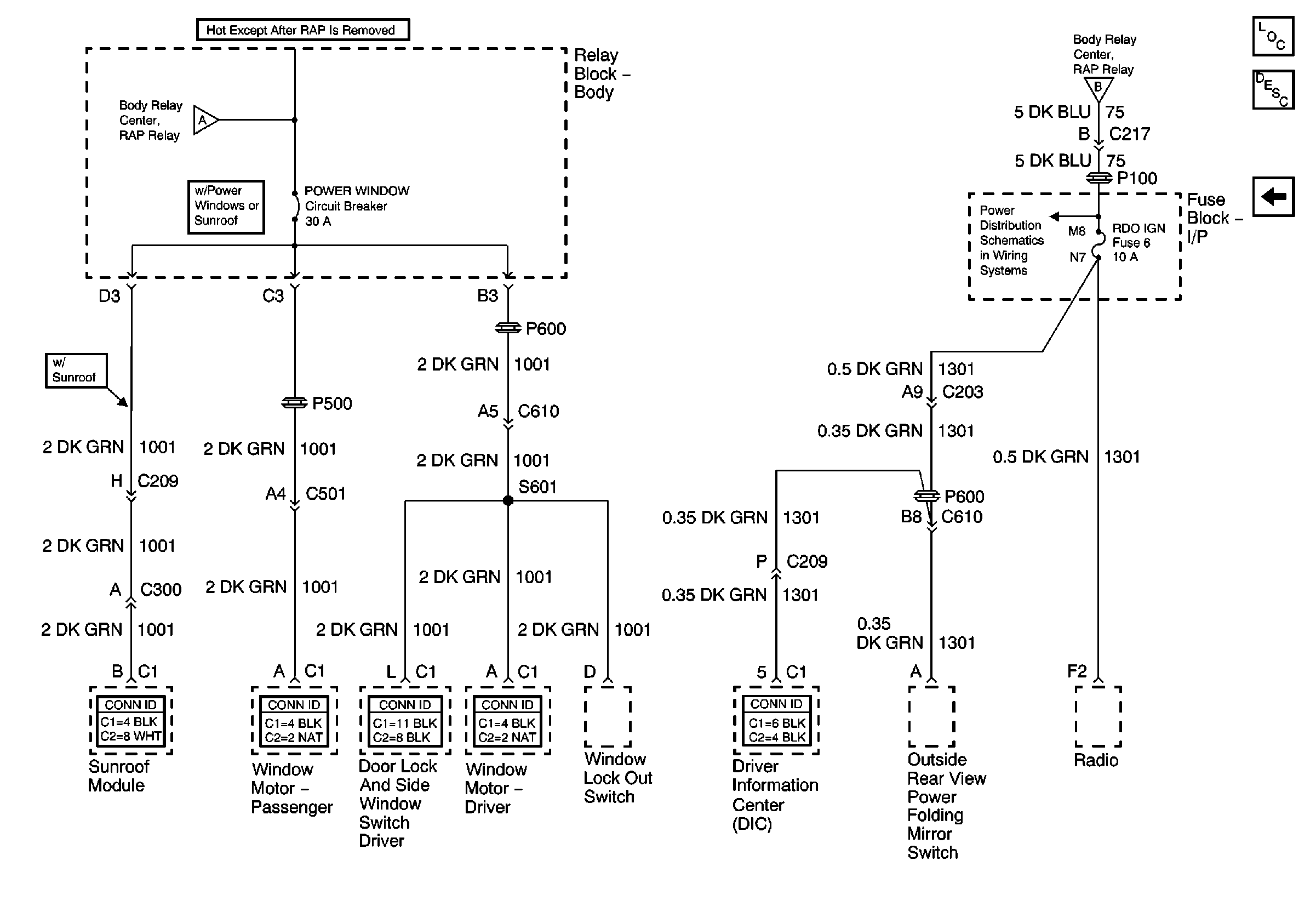
Figure
2:
RADIO IGN, FRT WPR and RR WPR Fuses
Master Electrical Component List
Retained Accessory Power (RAP) Description and Operation
Power, BCM and Ignition and Start Switch
Power, BCM and Ignition and Start Switch
Power, BCM and Ignition and Start Switch