GM Service Manual Online
For 1990-2009 cars only
Makes
🢒
Chevrolet
🢒
2001
🢒
Blazer - 4WD - RHD
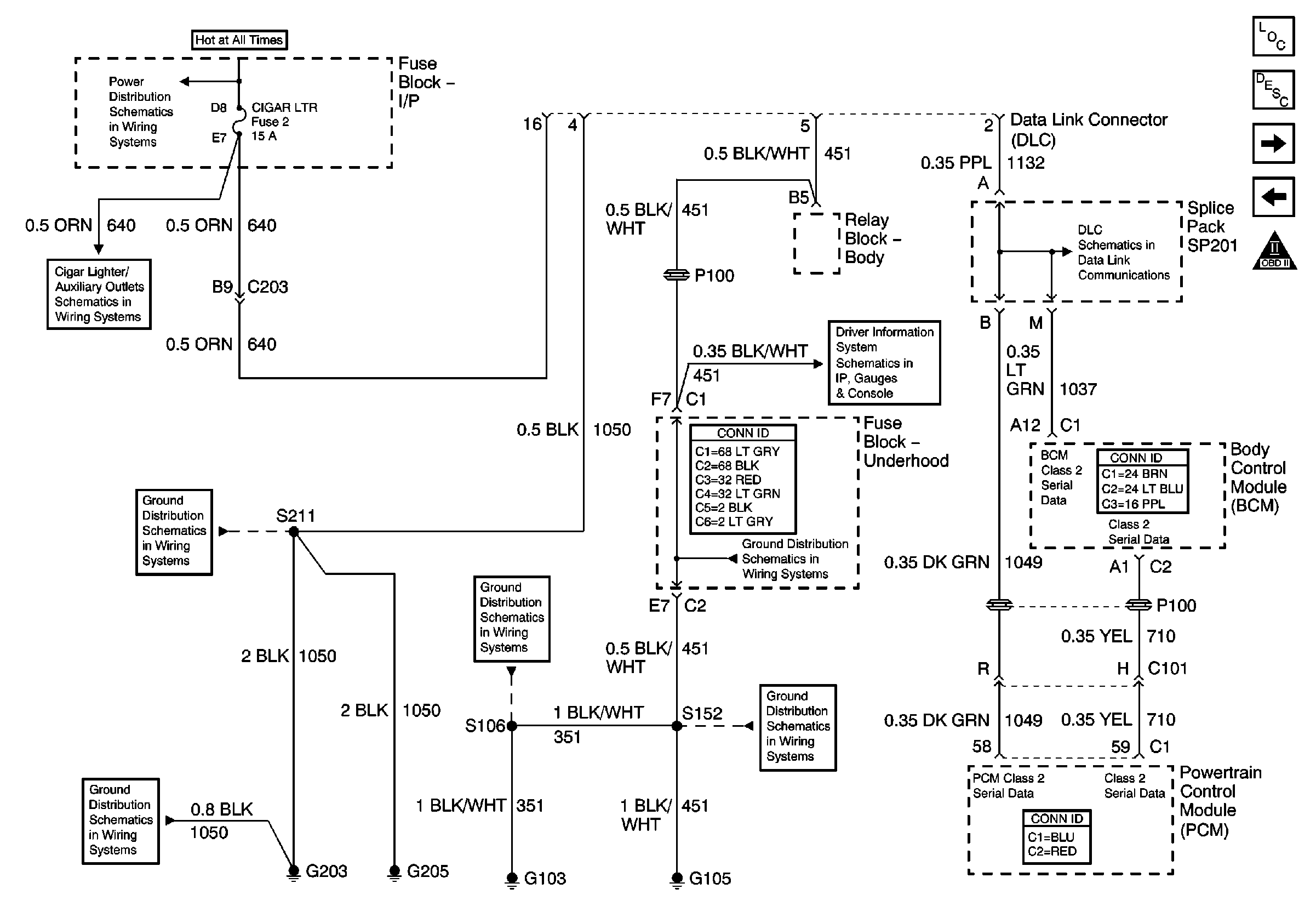
🢒 Data Link Connector (DLC)
Data Link Connector (DLC)
Data Link Connector (DLC)
Master Electrical Component List
Powertrain Control Module Description
Ignition Controls
Power, Ground, MIL and VCM
OBD II Symbol Description Notice
STUD 2, INT BAT, CIGAR LTR, CTSY LP and PWR LKS Fuses
Cigar Lighter/Auxiliary Outlets Schematics
G203 and G205
G203 and G205
G103 and G105
Driver Information Schematics
Splice Pack SP201 and Modules
G103 and G105
G103 and G105