GM Service Manual Online
For 1990-2009 cars only
Makes
🢒
Chevrolet
🢒
2001
🢒
Blazer - 4WD - RHD
🢒 Ignition Controls
Ignition Controls
Ignition Controls
Master Electrical Component List
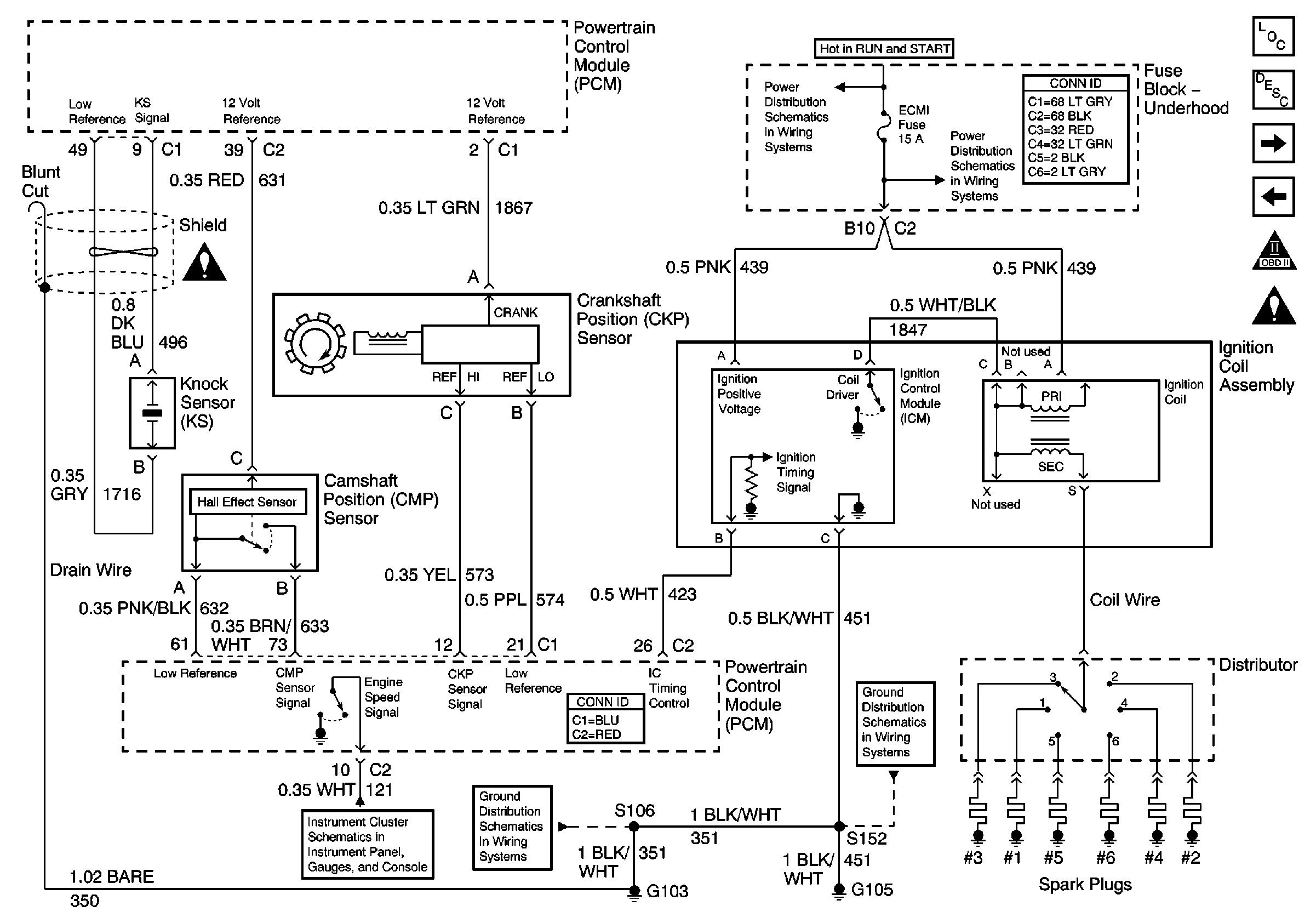
Distributor Ignition (DI) System Description
Fuel Level Sensor
Data Link Connector (DLC)
OBD II Symbol Description Notice
Engine Controls Schematic Icons
Engine Controls Schematic Icons
Ign START, RUN and ACC Bus Bar
ECM I Fuse
Data Link Connector (DLC), VCM and Engine Oil Pressure Gauge Sensor
G103 and G105
G103 and G105