GM Service Manual Online
For 1990-2009 cars only
Makes
🢒
Chevrolet
🢒
2001
🢒
Blazer - 4WD - RHD
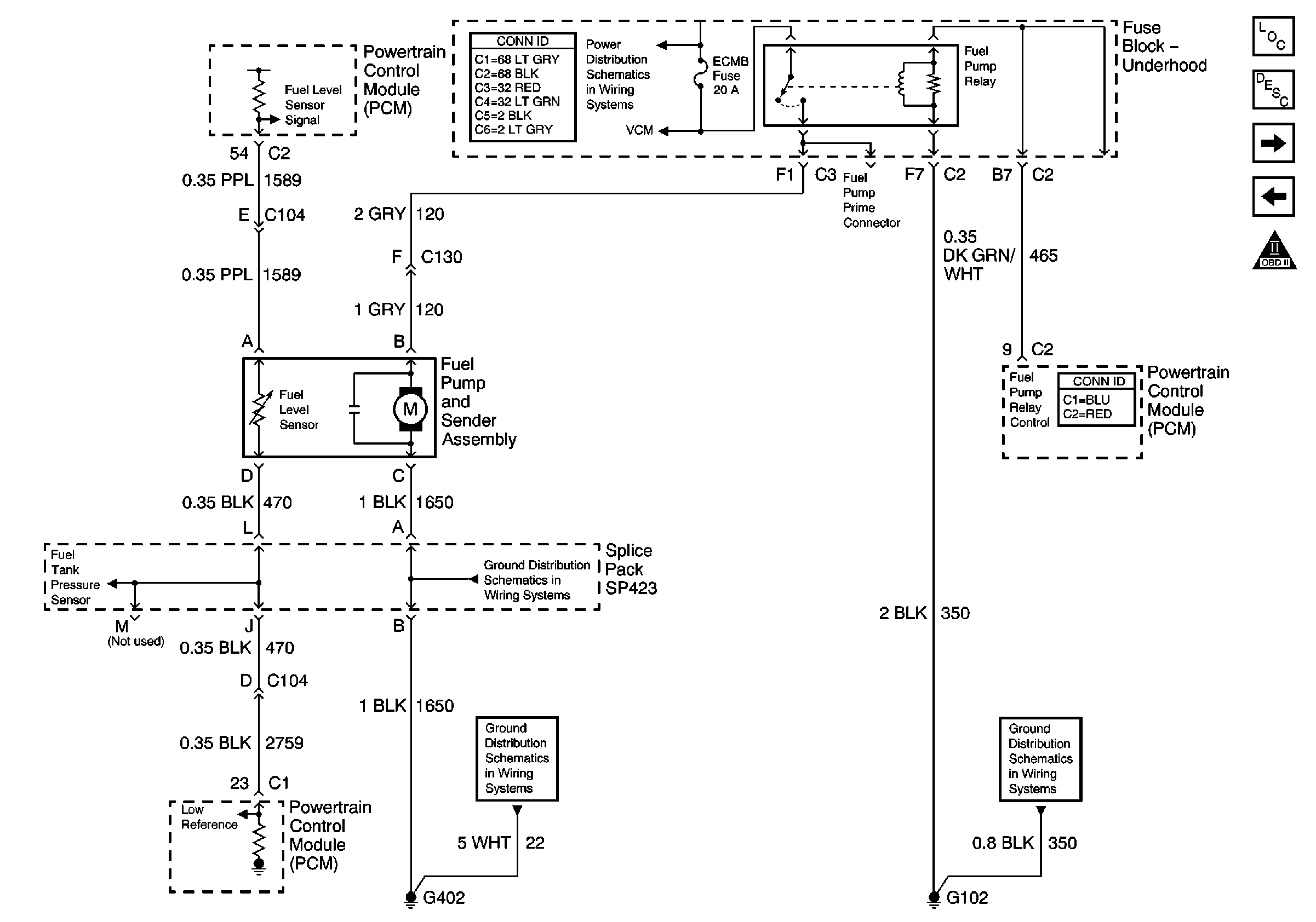
🢒 Fuel Level Sensor
Fuel Level Sensor
Fuel Level Sensor
Master Electrical Component List
Fuel System Description
Fuel Injection Controls
Ignition Controls
OBD II Symbol Description Notice
A/C, ABS, ECM B, FOG LP, STOP LP, VECHMSL, and TRCHMSL Fuses
Engine Sensors
G402 and G420
G402 and G420
G102