GM Service Manual Online
For 1990-2009 cars only
Makes
🢒
Chevrolet
🢒
2001
🢒
Blazer - 4WD - RHD
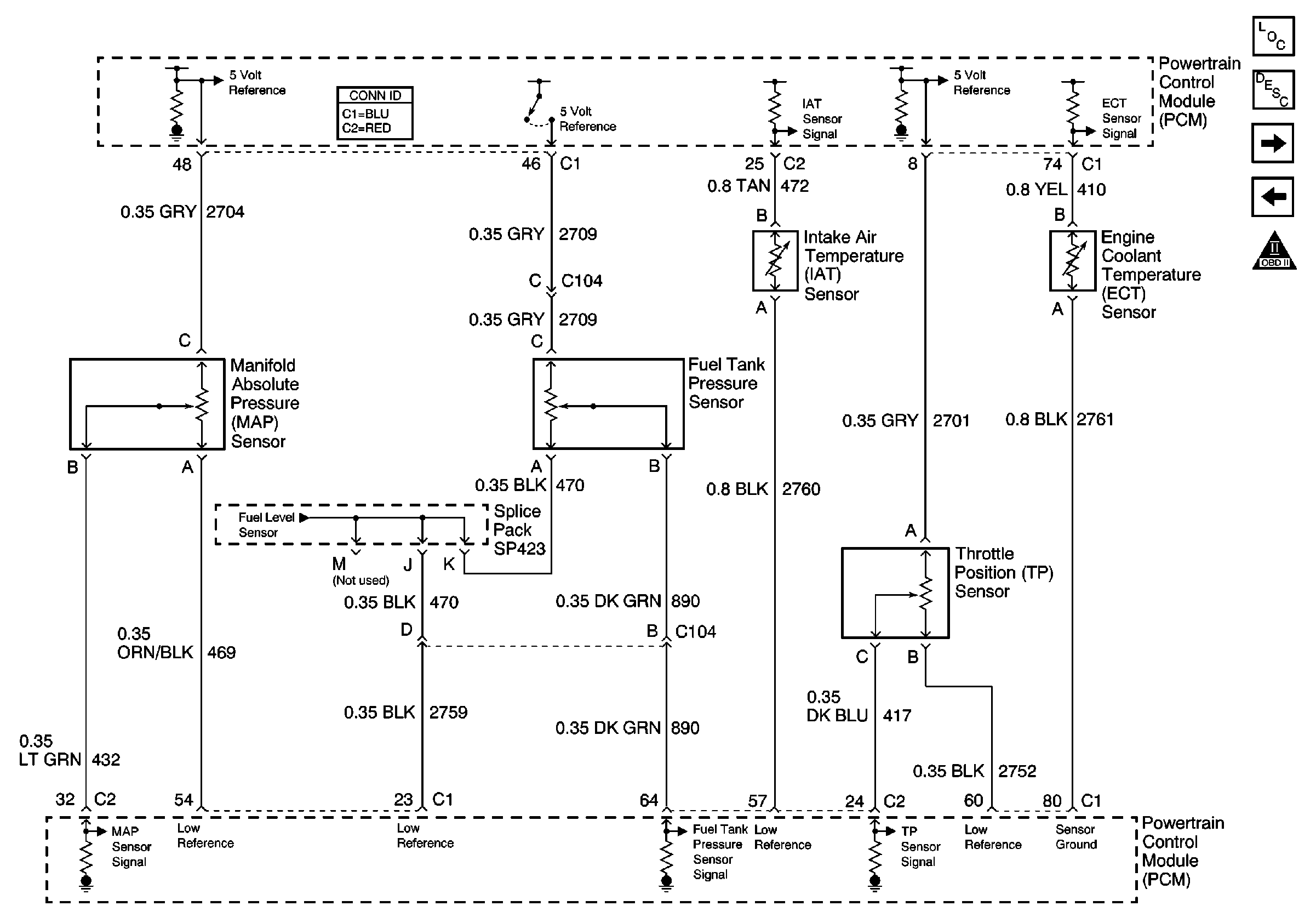
🢒 Engine Sensors
Engine Sensors
Engine Sensors
Master Electrical Component List
Powertrain Control Module Description
Heated Oxygen Sensors
Fuel Injection Controls
OBD II Symbol Description Notice
Fuel Level Sensor