GM Service Manual Online
For 1990-2009 cars only
Makes
🢒
Chevrolet
🢒
2001
🢒
Blazer - 4WD - RHD
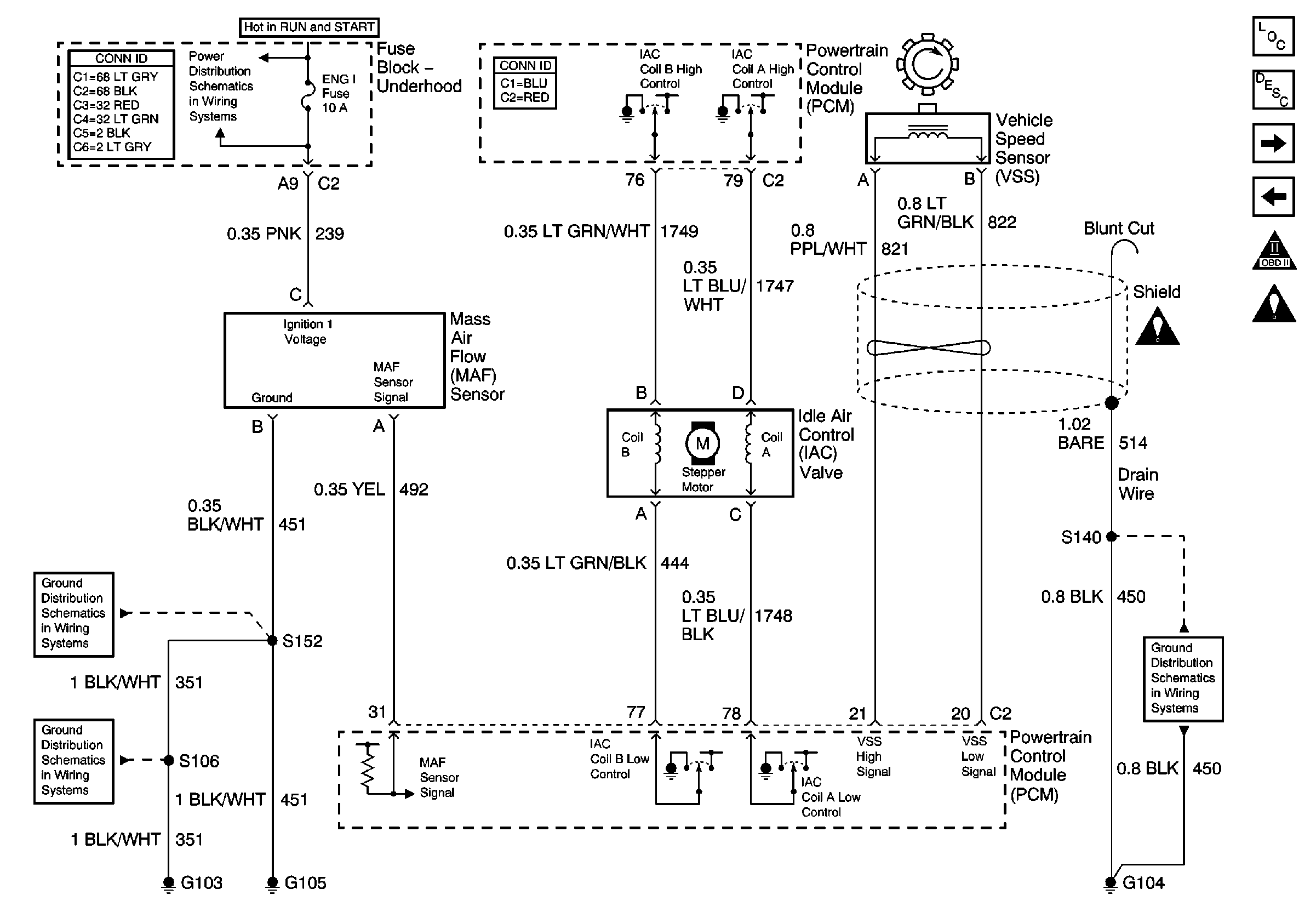
🢒 MAF and IAC Controls
MAF and IAC Controls
MAF and IAC Controls
Master Electrical Component List
Powertrain Control Module Description
Vehicle Speed Outputs and Overhead Console Link
Heated Oxygen Sensors
OBD II Symbol Description Notice
Engine Controls Schematic Icons
B/U LP, OXYSEN, ENG I, TRL B/U, VEH B/U and BTSI Fuses
G103 and G105
G103 and G105
Engine Controls Schematic Icons
G104, G106, G107, G108 and G118