GM Service Manual Online
For 1990-2009 cars only
Makes
🢒
Chevrolet
🢒
2001
🢒
Blazer - 4WD - RHD
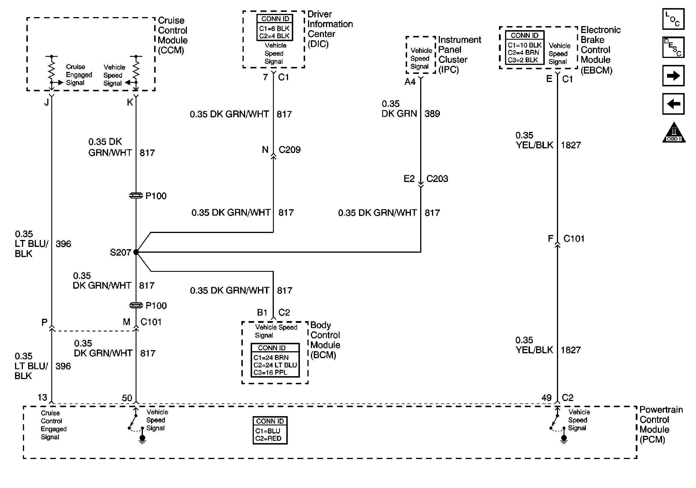
🢒 Vehicle Speed Outputs and Overhead Console Link
Vehicle Speed Outputs and Overhead Console Link
Vehicle Speed Outputs and Overhead Console Link
Master Electrical Component List
Powertrain Control Module Description
EGR Valve and EVAP Valves
MAF and IAC Controls
OBD II Symbol Description Notice