GM Service Manual Online
For 1990-2009 cars only
Makes
🢒
Chevrolet
🢒
2001
🢒
Blazer - 4WD - RHD
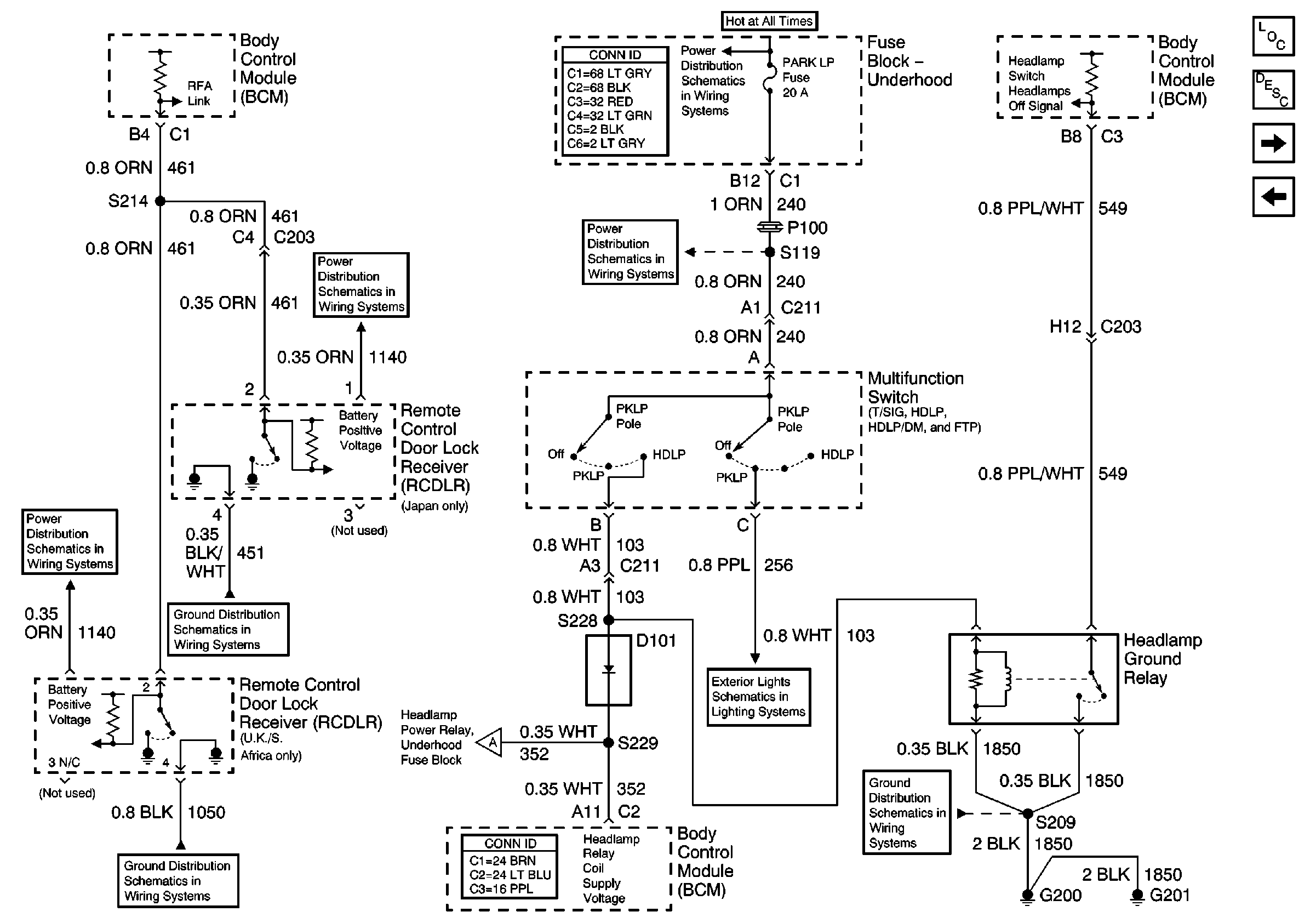
🢒 Headlights
Headlights
Headlights
Master Electrical Component List
Body Control System Description and Operation
Power Locks
Exterior Lights
B+ Bus Bar
HDLP W/W, IGN C, TBC, LDLEV, and HORN Fuses
PARK LP, FR PRK, LR PRK, RR PRK, and TRL PRK Fuses
HDLP W/W, IGN C, TBC, LDLEV, and HORN Fuses
G203 and G205
G103 and G105
Headlamp Power and Flash-to-Pass Relays
Power and Headlamp Switch
G200 and G201