GM Service Manual Online
For 1990-2009 cars only
Makes
🢒
Chevrolet
🢒
2001
🢒
Blazer - 4WD - RHD
🢒 Power Locks
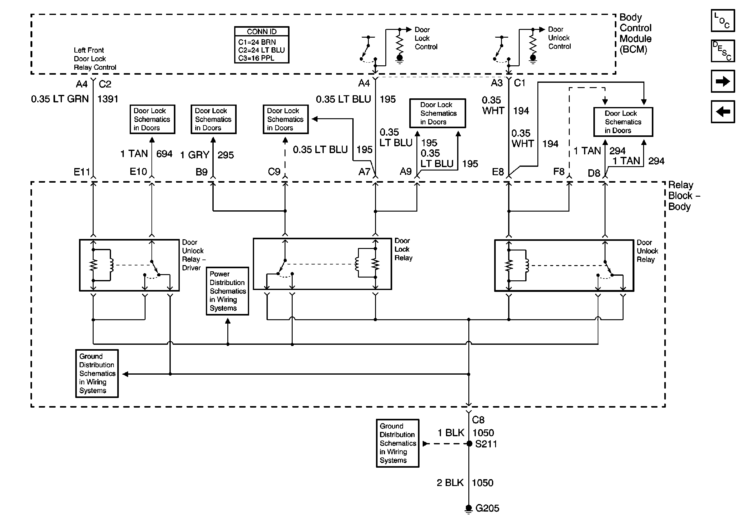
Power Locks
Power Locks
Master Electrical Component List
Body Control System Description and Operation
Front Fog Lights
Headlights
IP Fuse Block, Body Relay Block and BCM
IP Fuse Block, Body Relay Block and BCM
IP Fuse Block, Body Relay Block and BCM
IP Fuse Block, Body Relay Block and BCM
IP Fuse Block, Body Relay Block and BCM
G203 and G205
STUD 2, INT BAT, CIGAR LTR, CTSY LP and PWR LKS Fuses
G203 and G205