GM Service Manual Online
For 1990-2009 cars only
Makes
🢒
Chevrolet
🢒
2001
🢒
Blazer - 4WD - RHD
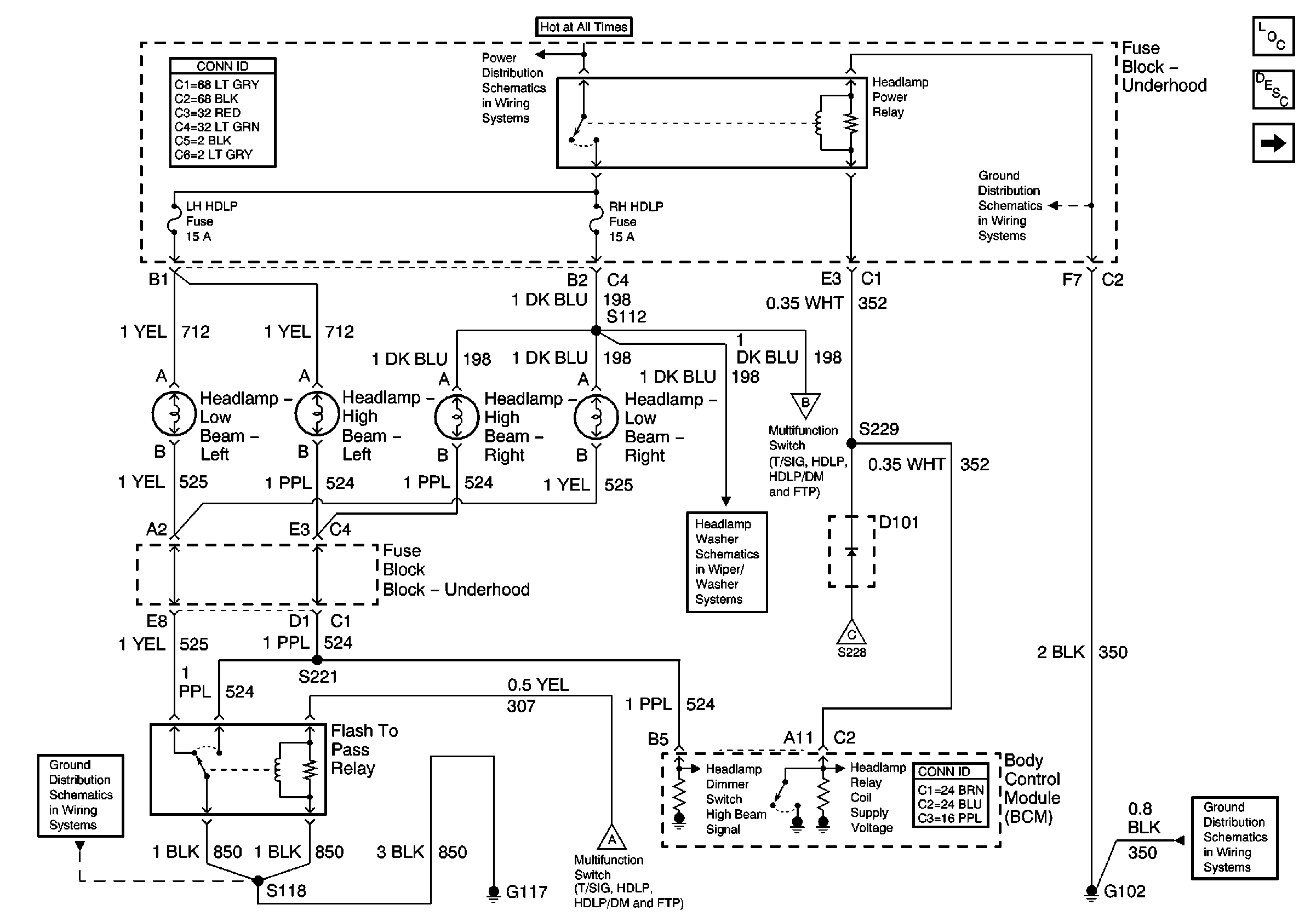
🢒 Power, Flash To Pass, and BCM
Power, Flash To Pass, and BCM
Power, Flash To Pass, and BCM
Master Electrical Component List
Exterior Lighting Systems Description and Operation
Power, Headlamp Switch, and Multifunction Switch
B+ Bus Bar
G102
Headlamp Washers
Power, Headlamp Switch, and Multifunction Switch
Power, Headlamp Switch, and Multifunction Switch
G117
Power, Headlamp Switch, and Multifunction Switch
G102