GM Service Manual Online
For 1990-2009 cars only
Makes
🢒
Chevrolet
🢒
2001
🢒
Blazer - 4WD - RHD
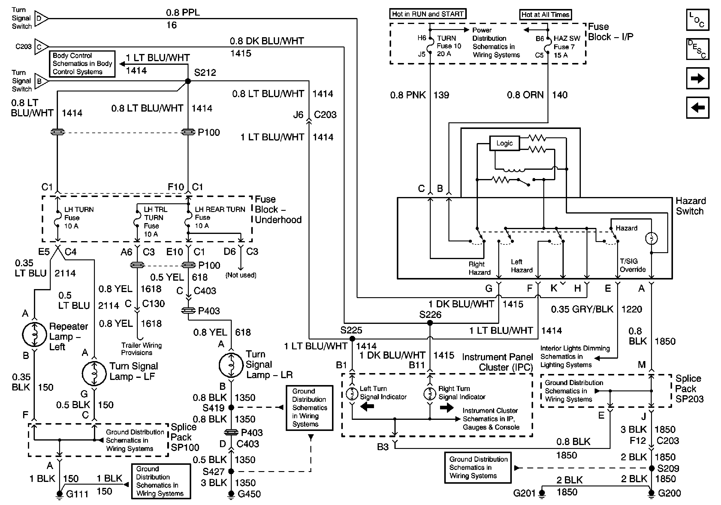
🢒 Hazard Switch, TURN, and HAZ LP Fuses
Hazard Switch, TURN, and HAZ LP Fuses
Hazard Switch, TURN, and HAZ LP Fuses
Master Electrical Component List
Exterior Lighting Systems Description and Operation
STOP LP, VEH HMSL, and TRL HMSL Fuses
Turn Signal Switch, RH TURN, RH REAR TURN, and TRL TURN Fuses
Turn Signal Switch, RH TURN, RH REAR TURN, and TRL TURN Fuses
Instrument Panel Cluster (IPC), LT TURN and RT TURN Fuses
Ign START, RUN and ACC Bus Bar
G111 and G112
G111 and G112
G450
G200 and G201
Power
Hazard Switch, Radio, Instrument Panel Cluster (IPC) And Ground
SP203