GM Service Manual Online
For 1990-2009 cars only
Makes
🢒
Chevrolet
🢒
2001
🢒
Blazer - 4WD - RHD
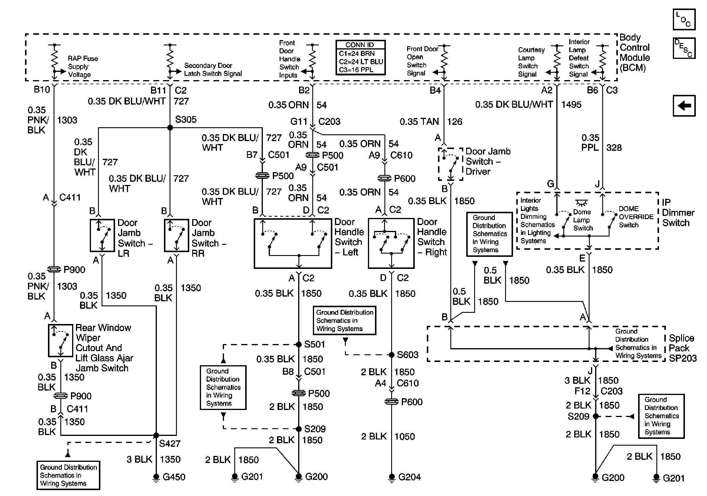
🢒 Body Control Module (BCM) and IP Dimmer Switch
Body Control Module (BCM) and IP Dimmer Switch
Body Control Module (BCM) and IP Dimmer Switch
Master Electrical Component List
Interior Lighting Systems Description and Operation
Power and Ground
G450
G200 and G201
G202 and G204
SP203
Power, Ground and BCM
SP203
G200 and G201