GM Service Manual Online
For 1990-2009 cars only
Makes
🢒
Chevrolet
🢒
2001
🢒
Blazer - 4WD - RHD
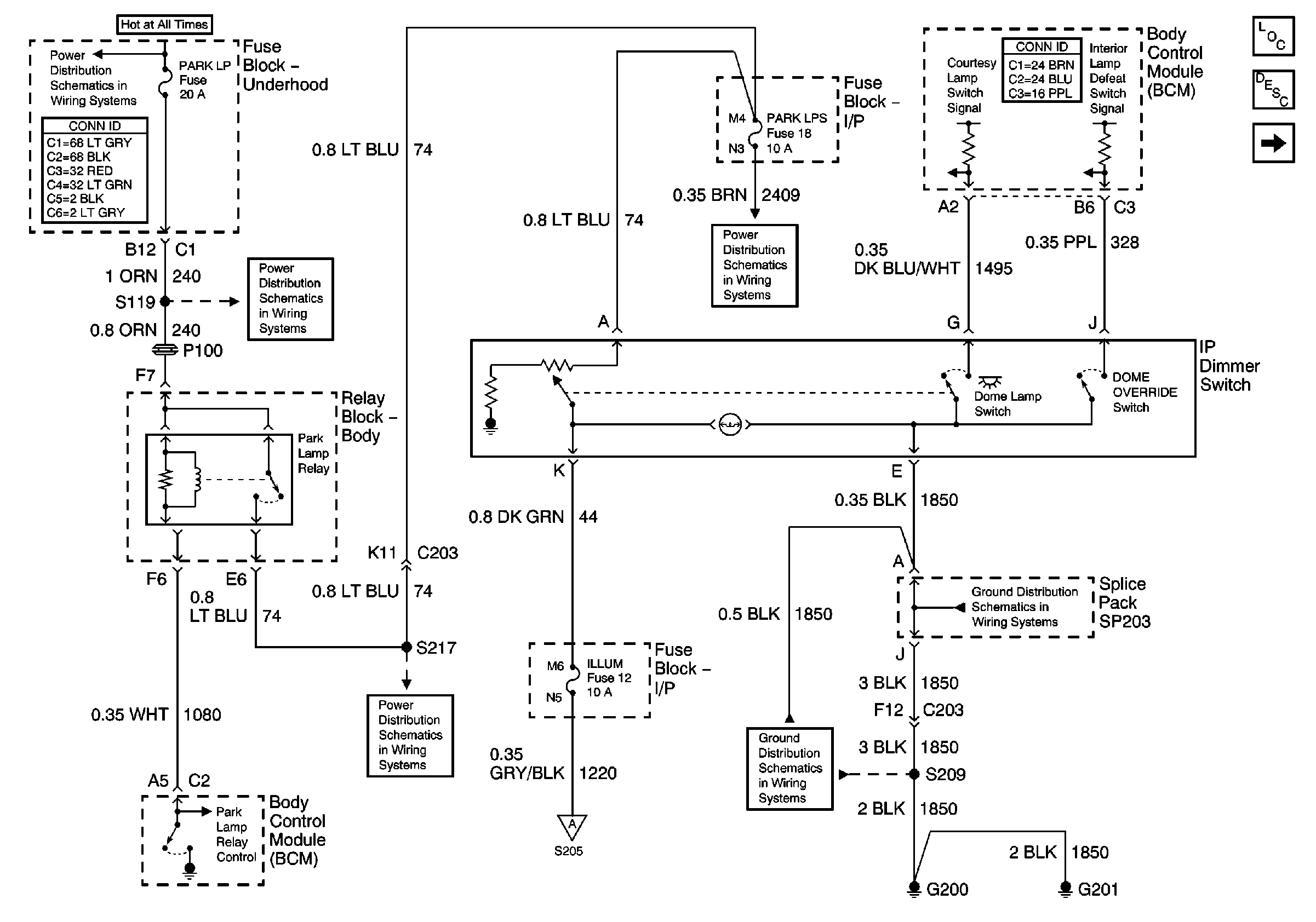
🢒 Power, Ground and BCM
Power, Ground and BCM
Power, Ground and BCM
Master Electrical Component List
Interior Lighting Systems Description and Operation
Hazard Switch, Radio, Instrument Panel Cluster (IPC) And Ground
B+ Bus Bar
PARK LP, FR PRK, LR PRK, RR PRK, and TRL PRK Fuses
PARK LP, FR PRK, LR PRK, RR PRK, and TRL PRK Fuses
Hazard Switch, Radio, Instrument Panel Cluster (IPC) And Ground
ILLUM and PARK LP Fuses
G200 and G201
SP203