GM Service Manual Online
For 1990-2009 cars only
Makes
🢒
Chevrolet
🢒
2001
🢒
Blazer - 4WD - RHD
🢒 Radio and Speakers
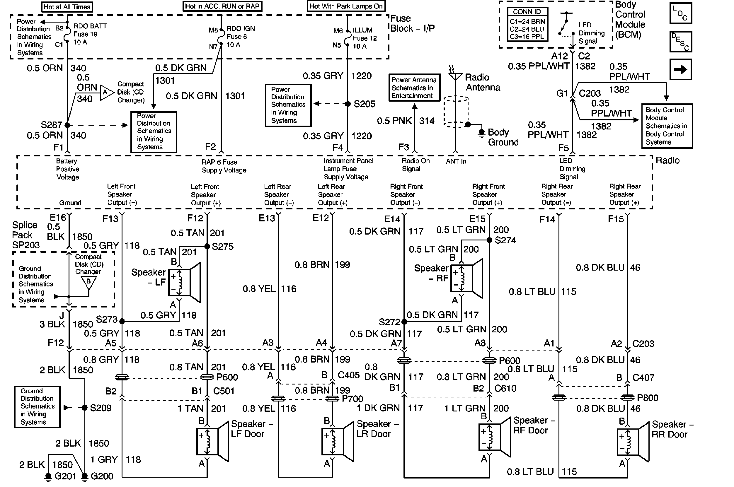
Radio and Speakers
Radio and Speakers
Master Electrical Component List
Radio/Audio System Description and Operation
Radio and CD Changer
RDO BAT and AUX PWR Fuses
Radio and CD Changer
RDO BAT and AUX PWR Fuses
ILLUM and PARK LP Fuses
Power Antenna Schematics
VCM and Data Link Connector (DLC)
SP203
Radio and CD Changer
G200 and G201