GM Service Manual Online
For 1990-2009 cars only
Figure 1:

Power, Ground, Serial Data, and MIL


Object Number: 752912  Size: FS
Master Electrical Component List
Service Programming System (SPS) Description
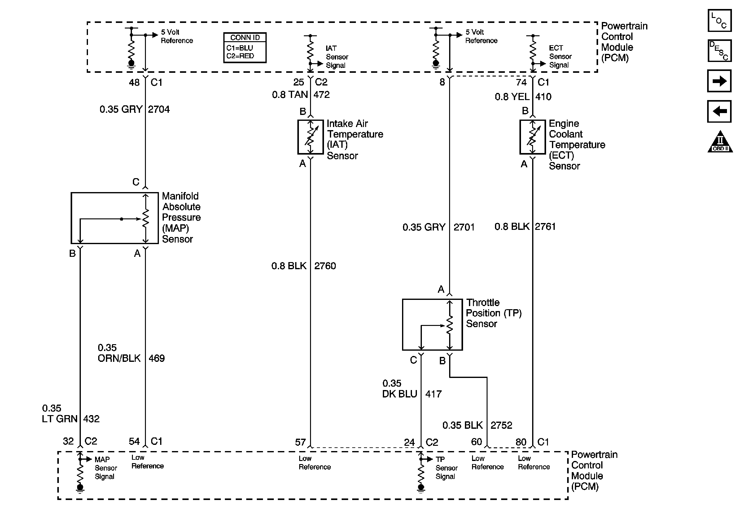
Engine Data Sensors - Pressure and Temperature
OBD II Symbol Description Notice
B+ Bus Bar
Ign START, RUN and ACC Bus Bar
Fuel Controls - Fuel Injectors
G103 and G105
Power, Ground and DLC
Splice Pack SP201 and Modules
Ign START, RUN and ACC Bus Bar
Power
CLSTR Fuse
G103 and G105
Figure 2:

Engine Data Sensors - Pressure and Temperature


Object Number: 752919  Size: FS
Master Electrical Component List
Powertrain Control Module Description
Engine Data Sensors - MAF and VSS
Power, Ground, Serial Data, and MIL
OBD II Symbol Description Notice
Figure 3:

Engine Data Sensors - MAF and VSS


Object Number: 752923  Size: FS
Master Electrical Component List
Air Intake System Description
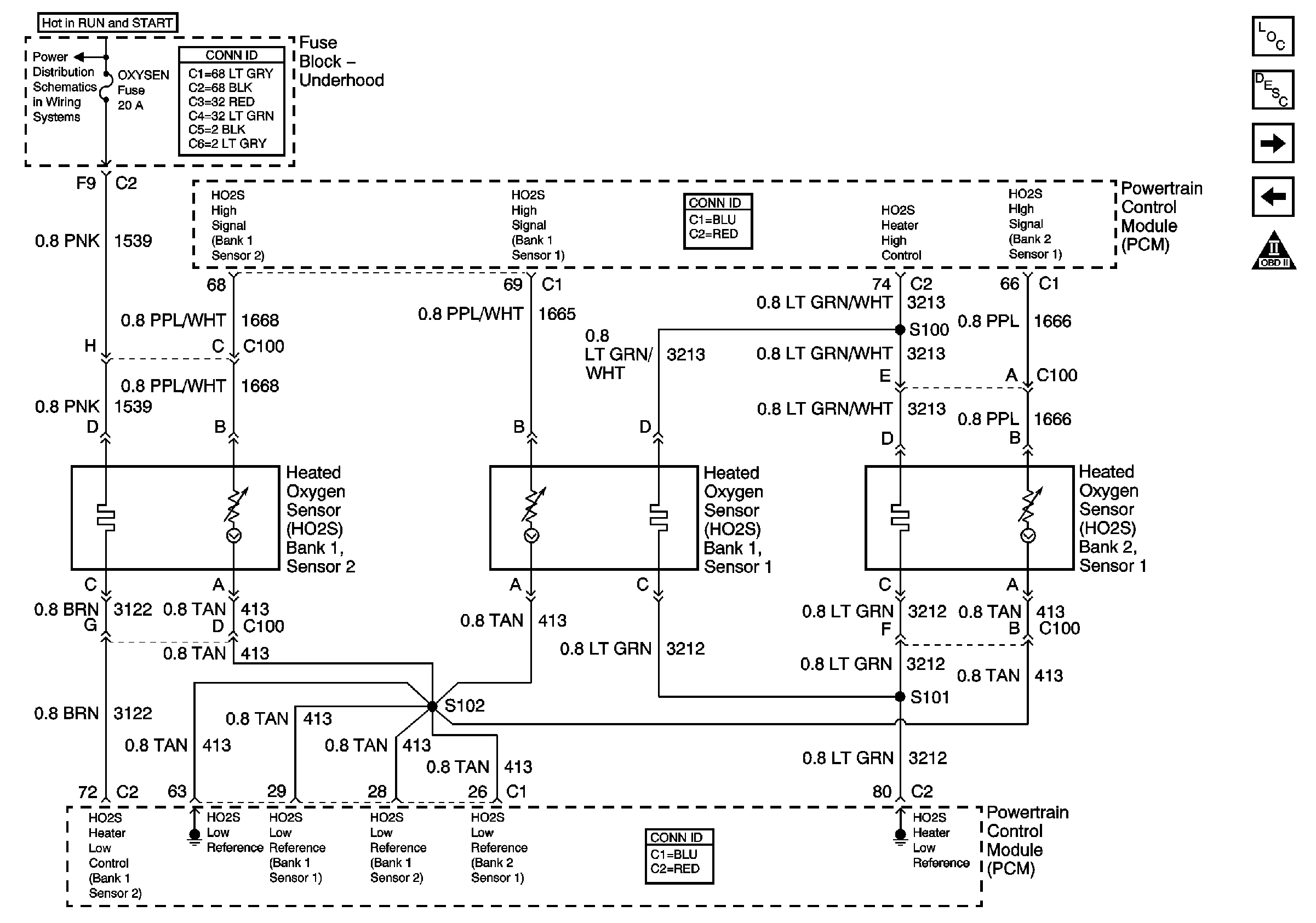
Engine Data Sensors - HO2S
Engine Data Sensors - Pressure and Temperature
OBD II Symbol Description Notice
G103 and G105
G103 and G105
Ground and PCM
S/T RHD Manual Transmission Schematics
Vehicle Speed Sensor
Figure 4:

Engine Data Sensors - HO2S


Object Number: 752921  Size: FS
Master Electrical Component List
Powertrain Control Module Description
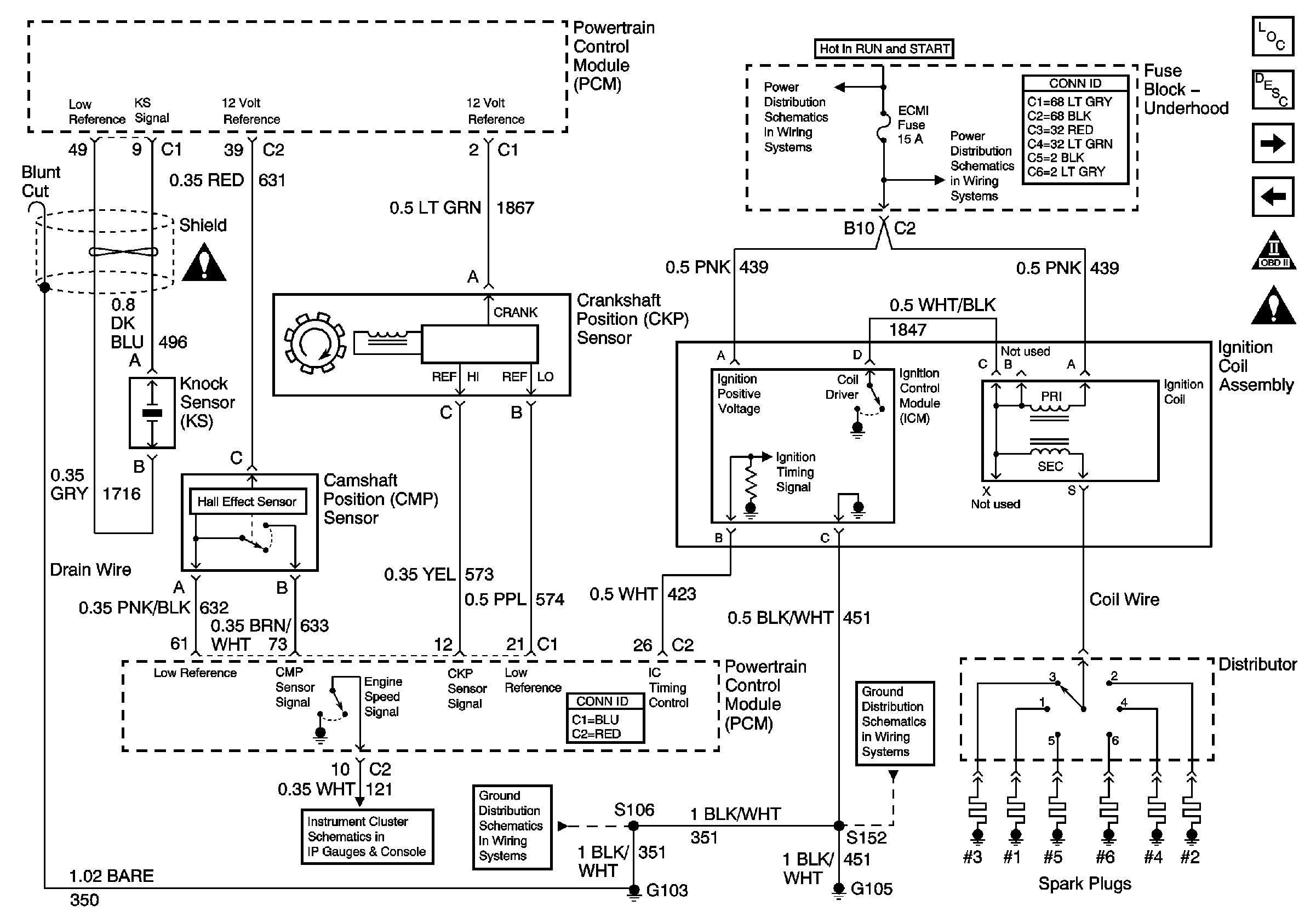
Ignition Controls
Engine Data Sensors - MAF and VSS
OBD II Symbol Description Notice
Ign START, RUN and ACC Bus Bar
Figure 5:

Ignition Controls


Object Number: 752914  Size: FS
Master Electrical Component List
Distributor Ignition (DI) System Description
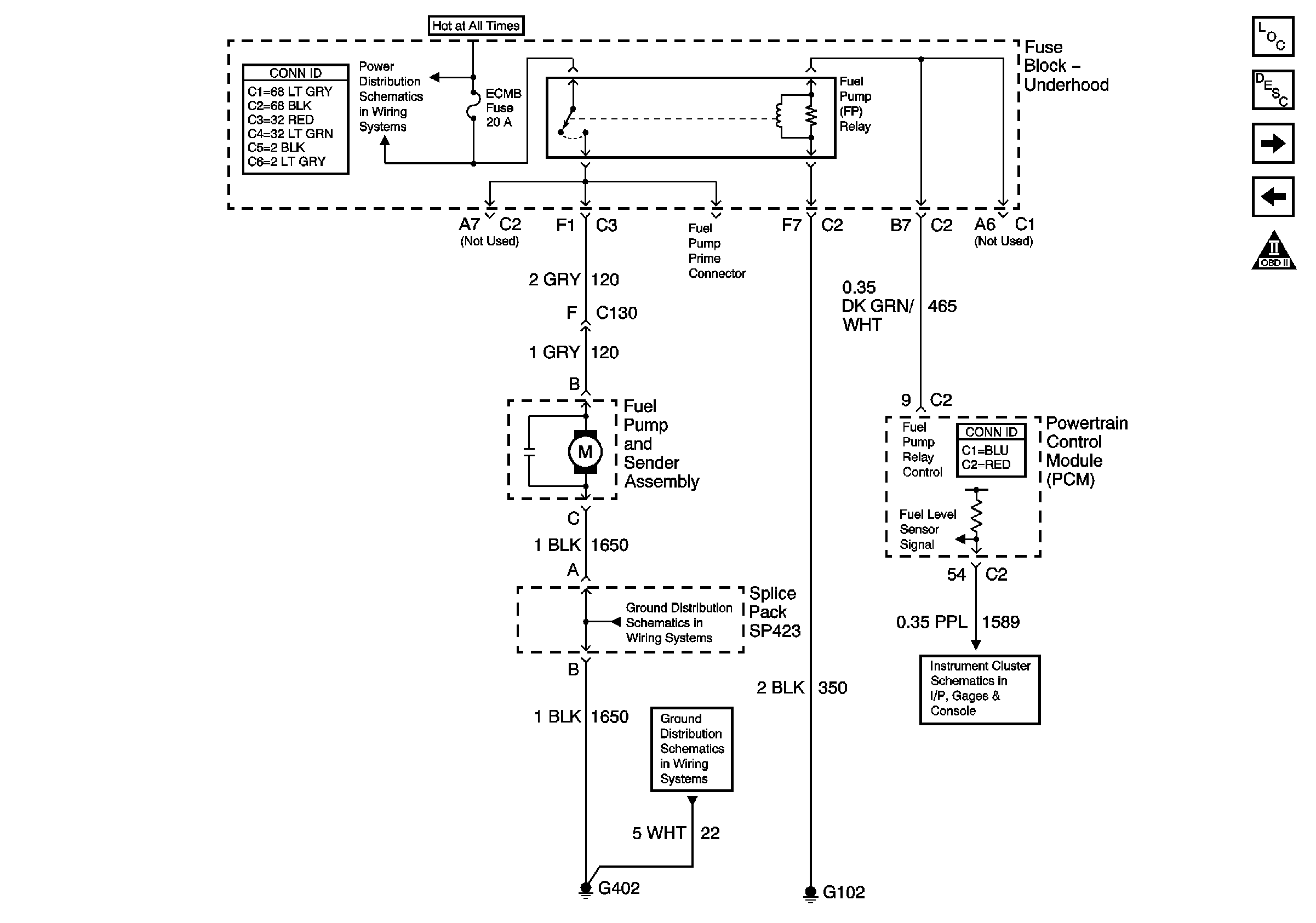
Fuel Controls - Fuel Pump Controls
Engine Data Sensors - HO2S
OBD II Symbol Description Notice
Engine Controls Schematic Icons
Engine Controls Schematic Icons
Ground and PCM
G103 and G105
Ign START, RUN and ACC Bus Bar
ECM I Fuse
G103 and G105
Figure 6:

Fuel Controls - Fuel Pump Controls


Object Number: 752916  Size: FS
Master Electrical Component List
Fuel System Description
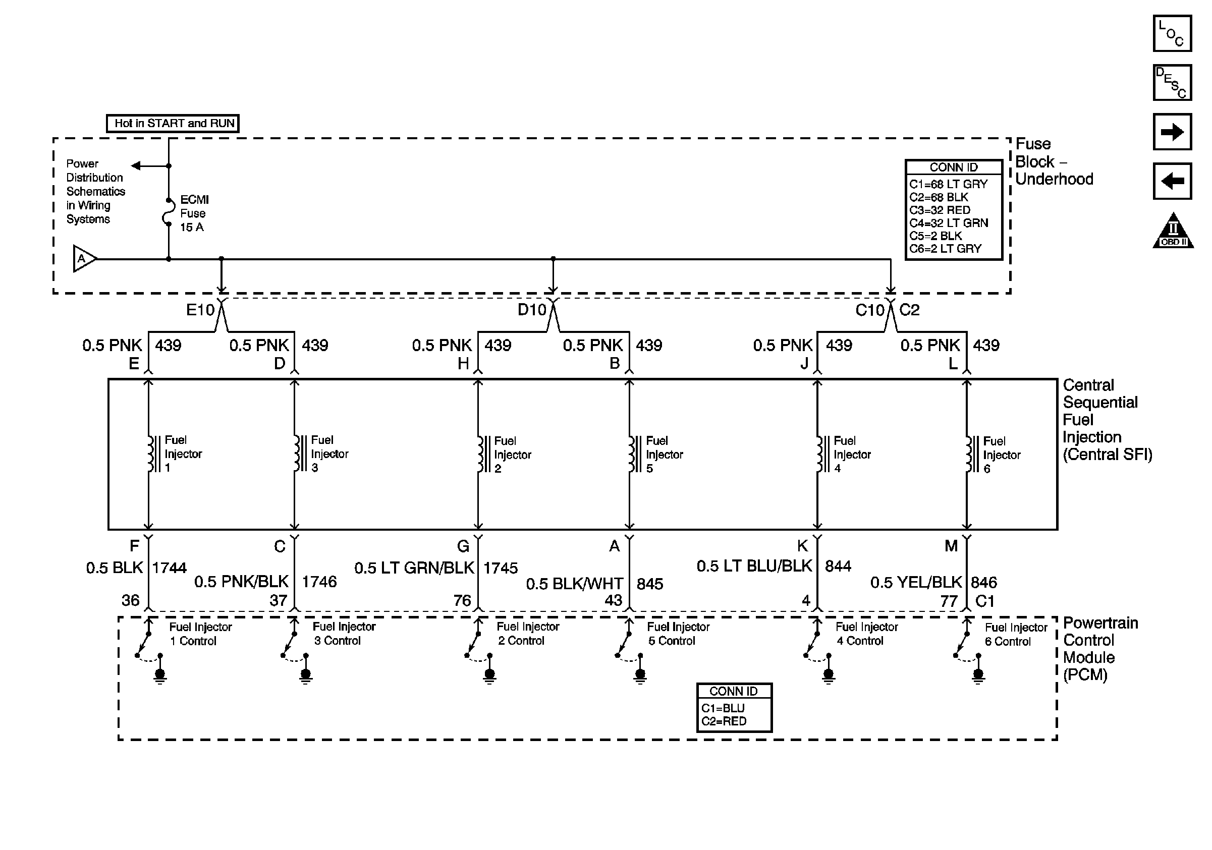
Fuel Controls - Fuel Injectors
Ignition Controls
OBD II Symbol Description Notice
A/C, ABS, ECM B, FOG LP, STOP LP, VECHMSL, and TRCHMSL Fuses
G402 and G420
G402 and G420
Ground and PCM
Figure 7:

Fuel Controls - Fuel Injectors


Object Number: 752918  Size: FS
Master Electrical Component List
Fuel System Description
Fuel Controls - EVAP Controls
Fuel Controls - Fuel Pump Controls
OBD II Symbol Description Notice
Ign START, RUN and ACC Bus Bar
Power, Ground, Serial Data, and MIL
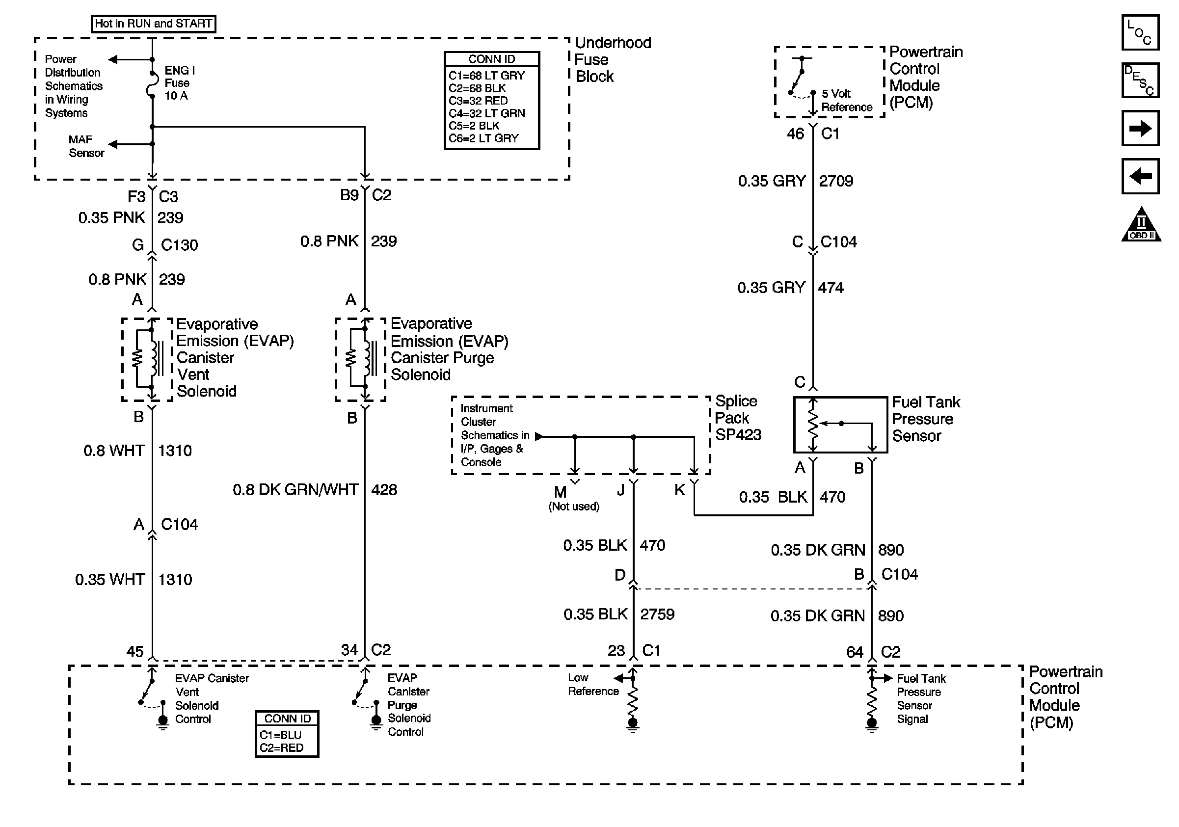
Figure 8:

Fuel Controls - EVAP Controls


Object Number: 752931  Size: FS
Master Electrical Component List
Evaporative Emission Control System Description
Device Controls and Controlled/Monitored Subsystem References and Transmission Controls - M/T
Fuel Controls - Fuel Injectors
OBD II Symbol Description Notice
Ign START, RUN and ACC Bus Bar
Engine Data Sensors - MAF and VSS
Ground and PCM
Figure 9:

Device Controls and Controlled/Monitored Subsystem References and Transmission Controls - M/T


Object Number: 752940  Size: FS
Master Electrical Component List
Powertrain Control Module Description
Transmission Controls - A/T
Fuel Controls - EVAP Controls
OBD II Symbol Description Notice
Transfer Case Shift Control Switch
Charging
Cruise Control Schematics
A/C Low and High Pressure Switches, A/C Compressor Clutch , D100, Ground, HVAC Module and PCM
EBCM Power and Ground
S/T RHD Manual Transmission Schematics
Ground and PCM
Figure 10:

Transmission Controls - A/T


Object Number: 752938  Size: FS
Master Electrical Component List
Powertrain Control Module Description
Device Controls and Controlled/Monitored Subsystem References and Transmission Controls - M/T
OBD II Symbol Description Notice
TFT Sensor, TFP Manual Valve Position Switch and PC SOL Valve
TCC SOL, TCC PWM SOL, 3-2 SS, 2-3 SS and 1-2 SS Valves