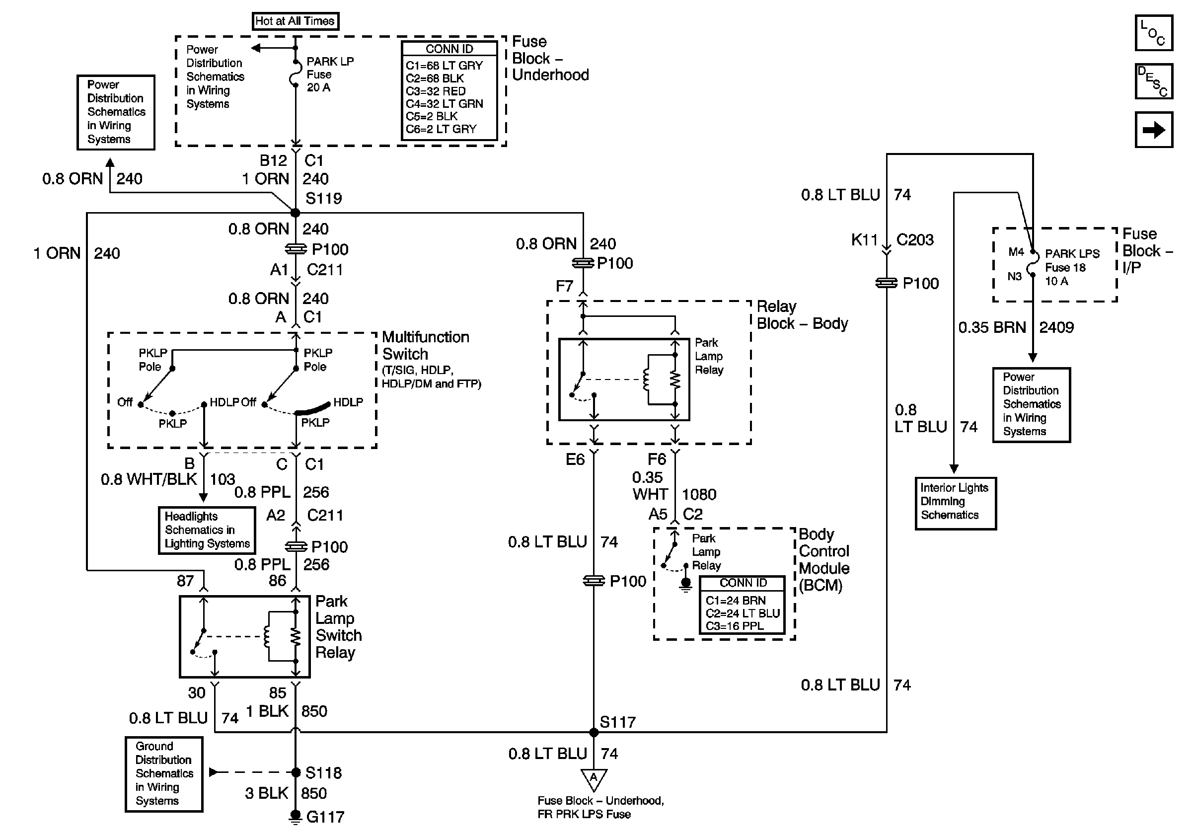
| Figure 1: |
Power and Headlamp Switch
|
| Figure 2: |
FR PRK LPS, LR PRK LP, RR PRK LP, and TRL PRK LP Fuses
|
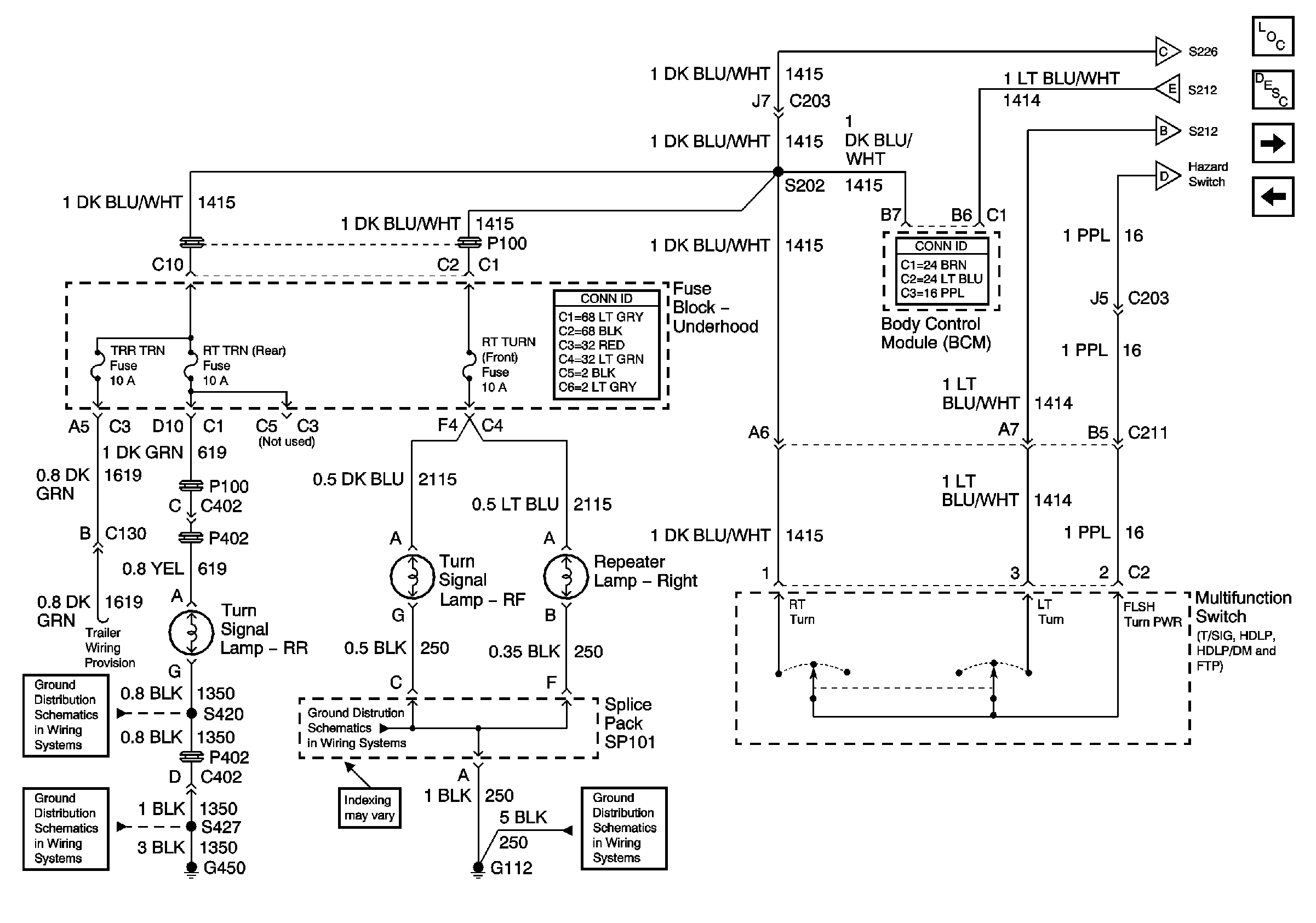
| Figure 3: |
Turn Signal Switch, RH TURN, RH REAR TURN, and TRL TURN Fuses
|
| Figure 4: |
Hazard Switch, TURN, and HAZ LP Fuses
|
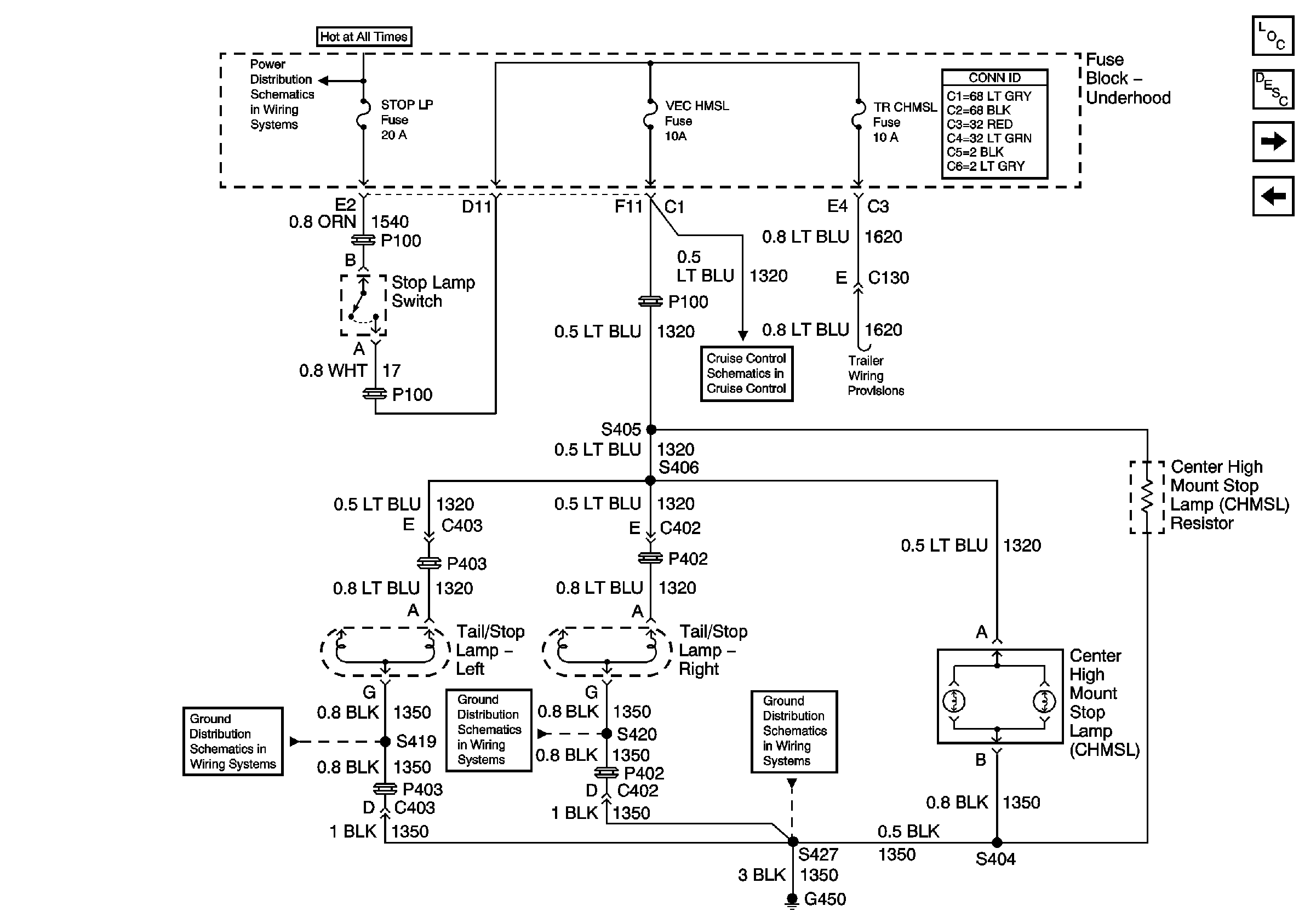
| Figure 5: |
STOP LP, VEH HMSL, and TRL HMSL Fuses
|
| Figure 6: |
Backup Lights
|