GM Service Manual Online
For 1990-2009 cars only
Makes
🢒
Chevrolet
🢒
2002
🢒
Blazer - 4WD - RHD
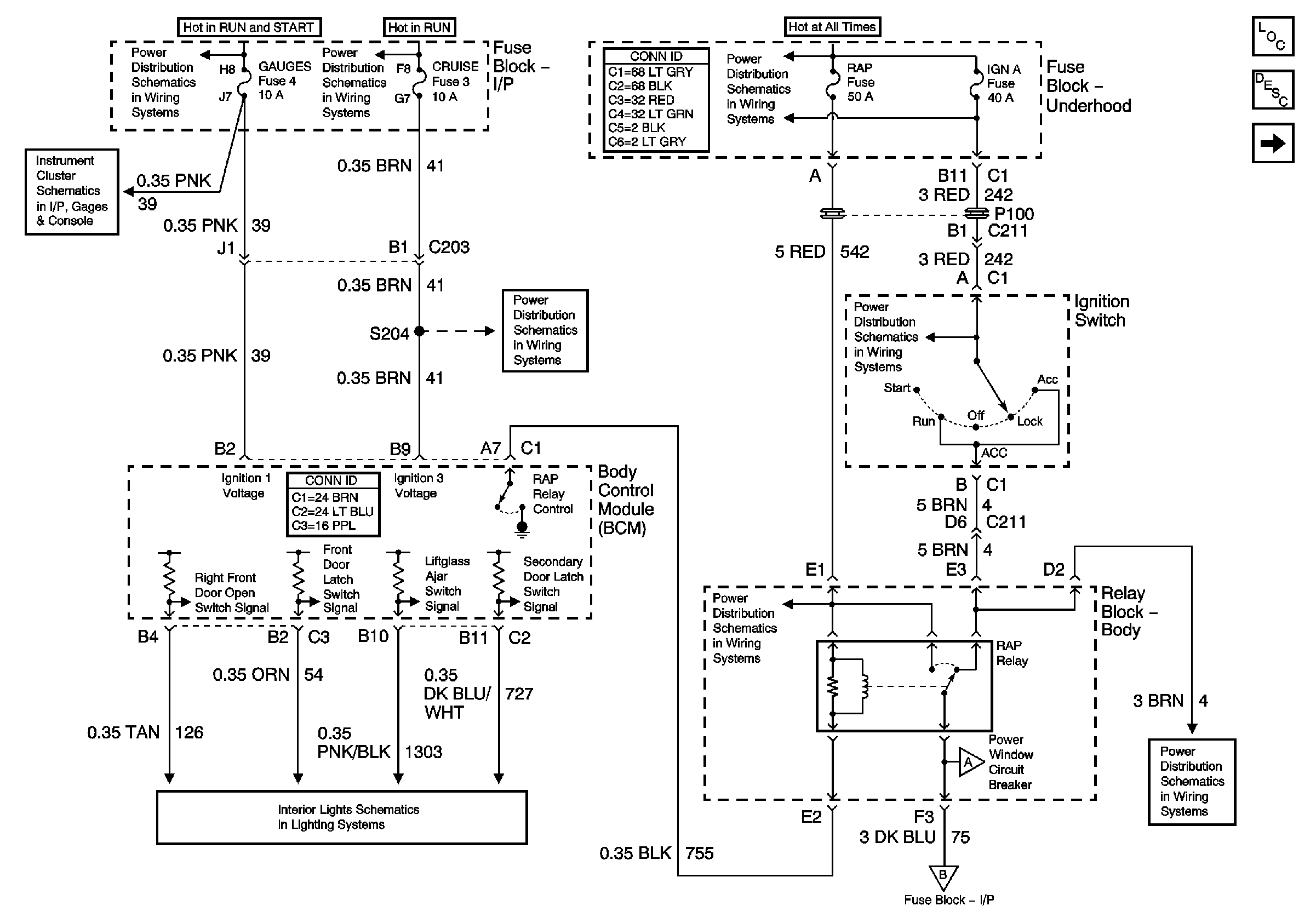
🢒 Power, BCM and Ignition and Start Switch
Power, BCM and Ignition and Start Switch
Power, BCM and Ignition and Start Switch
Master Electrical Component List
Retained Accessory Power (RAP) Description and Operation
RADIO IGN Fuse
Ign START, RUN and ACC Bus Bar
Ign RUN and START Bus Bar
B+ Bus Bar
RDO IGN, FRT WPR, RR WIPER, ABS and CRUISE Fuses
Ign START, RUN and ACC Bus Bar
Ign START, RUN and ACC Bus Bar
Body Control Module (BCM) and IP Dimmer Switch
RADIO IGN Fuse
RADIO IGN Fuse
Ign START, RUN and ACC Bus Bar