GM Service Manual Online
For 1990-2009 cars only
Makes
🢒
Chevrolet
🢒
1997
🢒
Camaro
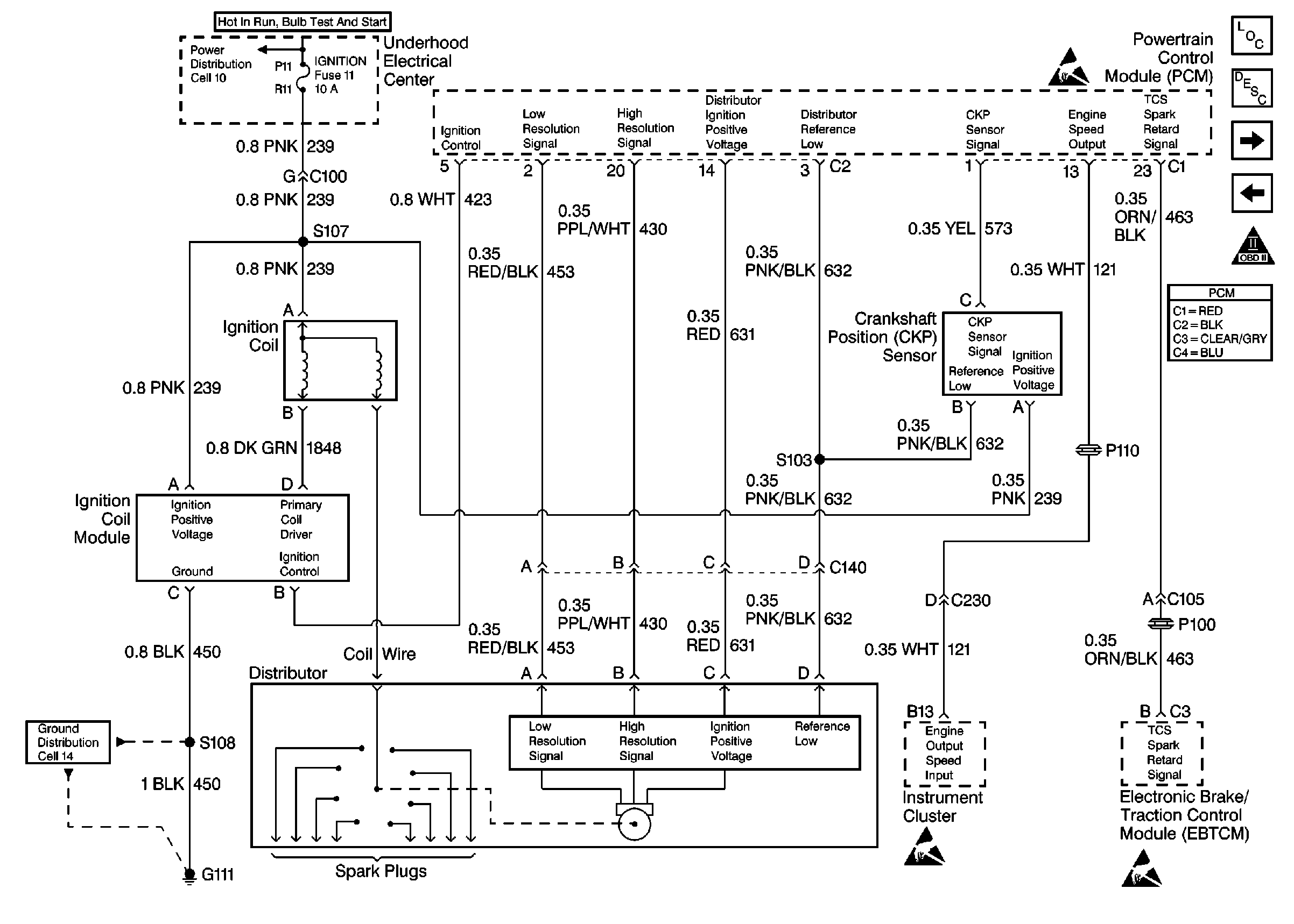
🢒 Ignition System
Ignition System
Ignition System
Engine Controls Components
Distributor Ignition (DI) System
Fuel Pump
Data Link Connector
OBD II Symbol Description Notice
Handling ESD Sensitive Parts Notice
Handling ESD Sensitive Parts Notice