GM Service Manual Online
For 1990-2009 cars only
Makes
🢒
Chevrolet
🢒
1997
🢒
Camaro
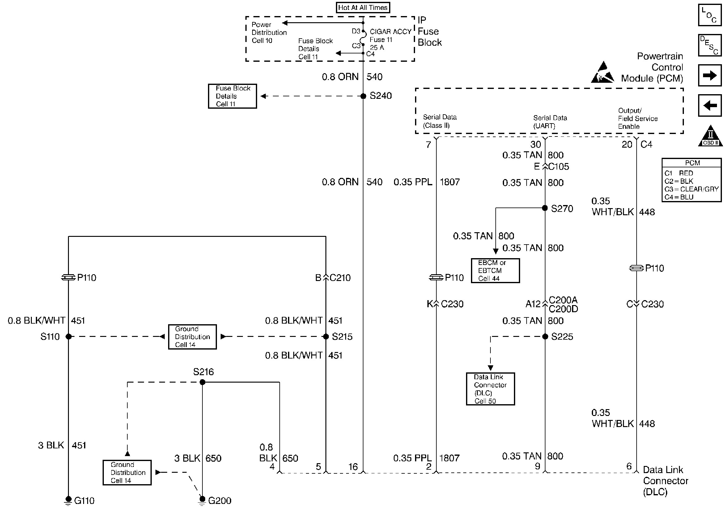
🢒 Data Link Connector
Data Link Connector
Data Link Connector
Engine Controls Components
Powertrain Control Module (PCM)
Ignition System
Power, Ground and MIL
OBD II Symbol Description Notice
Handling ESD Sensitive Parts Notice