GM Service Manual Online
For 1990-2009 cars only
Makes
🢒
Chevrolet
🢒
1998
🢒
Camaro
🢒
Body and Accessories
🢒
Lighting Systems
🢒 Headlights Schematics
Headlights Schematics Japan
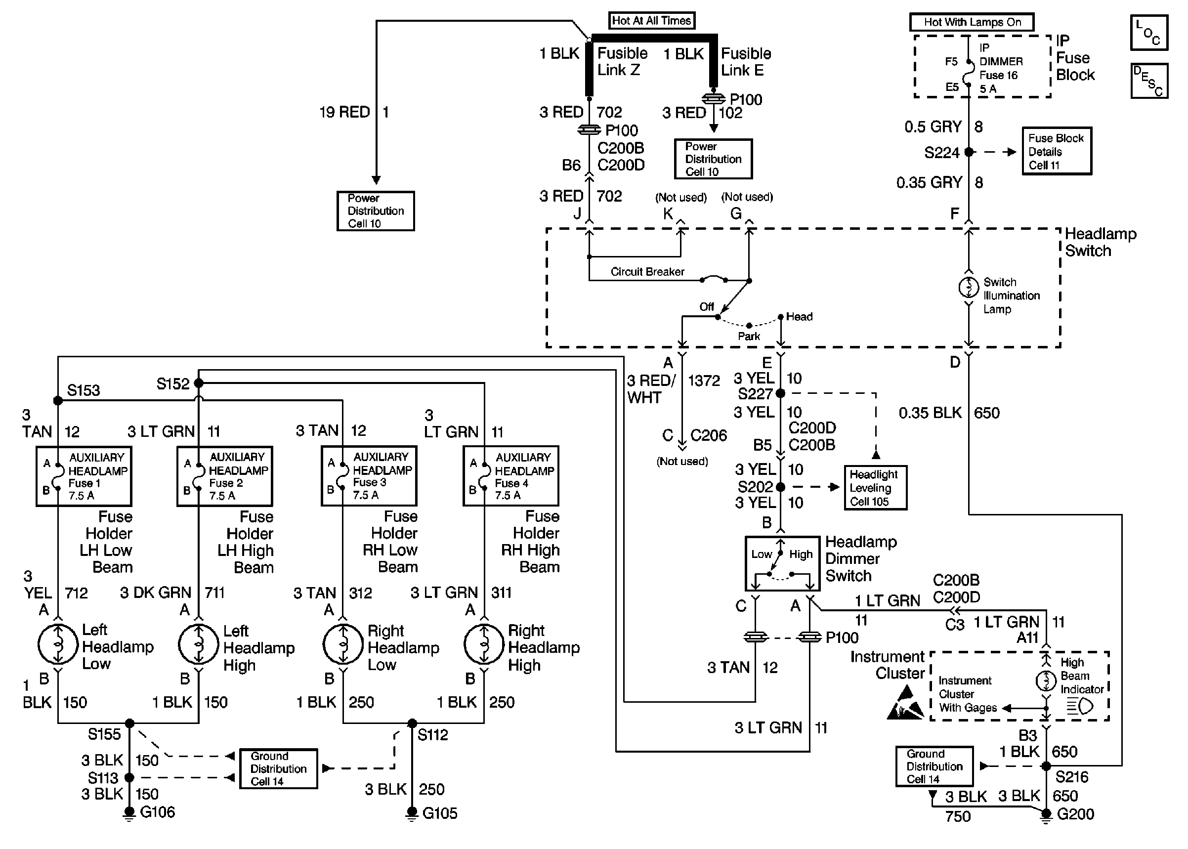
Cell 100: Without Daytime Running Lights (Chevrolet)
Power Distribution Schematics
Power Distribution Schematics
Fuse Block Schematics
Power Distribution Schematics
Lighting Systems Components
Headlights Circuit Description Chevrolet
Fog Lights Schematics
Instrument Cluster: Analog Schematics
Ground Distribution Schematics
Ground Distribution Schematics
Fog Lights Schematics
Handling ESD Sensitive Parts Notice
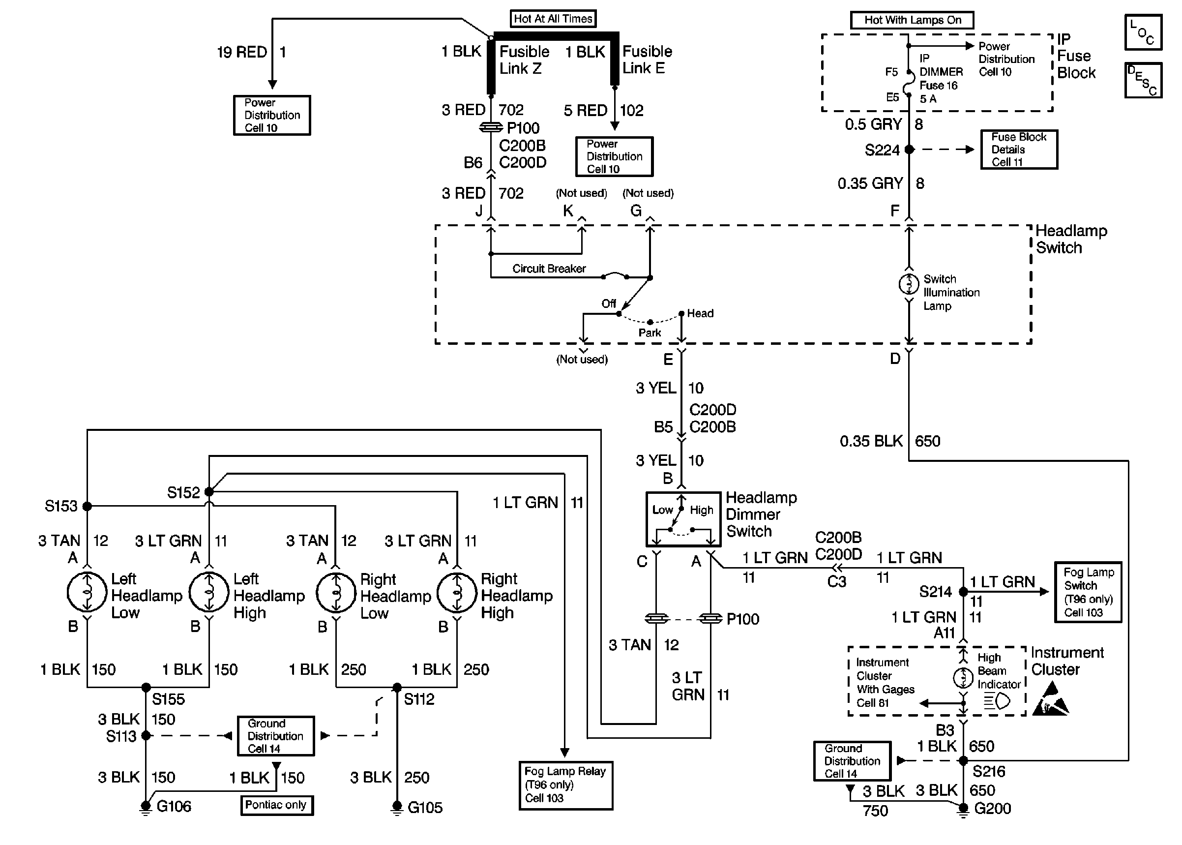
Headlights Schematics Europe
Cell 100: Without Daytime Running Lights (Chevrolet)
Power Distribution Schematics
Power Distribution Schematics
Fuse Block Schematics
Lighting Systems Components
Headlights Circuit Description Chevrolet
Headlight Leveling Schematics
Handling ESD Sensitive Parts Notice
Ground Distribution Schematics
Ground Distribution Schematics
Instrument Cluster: Analog Schematics