GM Service Manual Online
For 1990-2009 cars only
Makes
🢒
Chevrolet
🢒
1998
🢒
Camaro
🢒
Body and Accessories
🢒
Wiring Systems
🢒 Data Link Connector Schematics
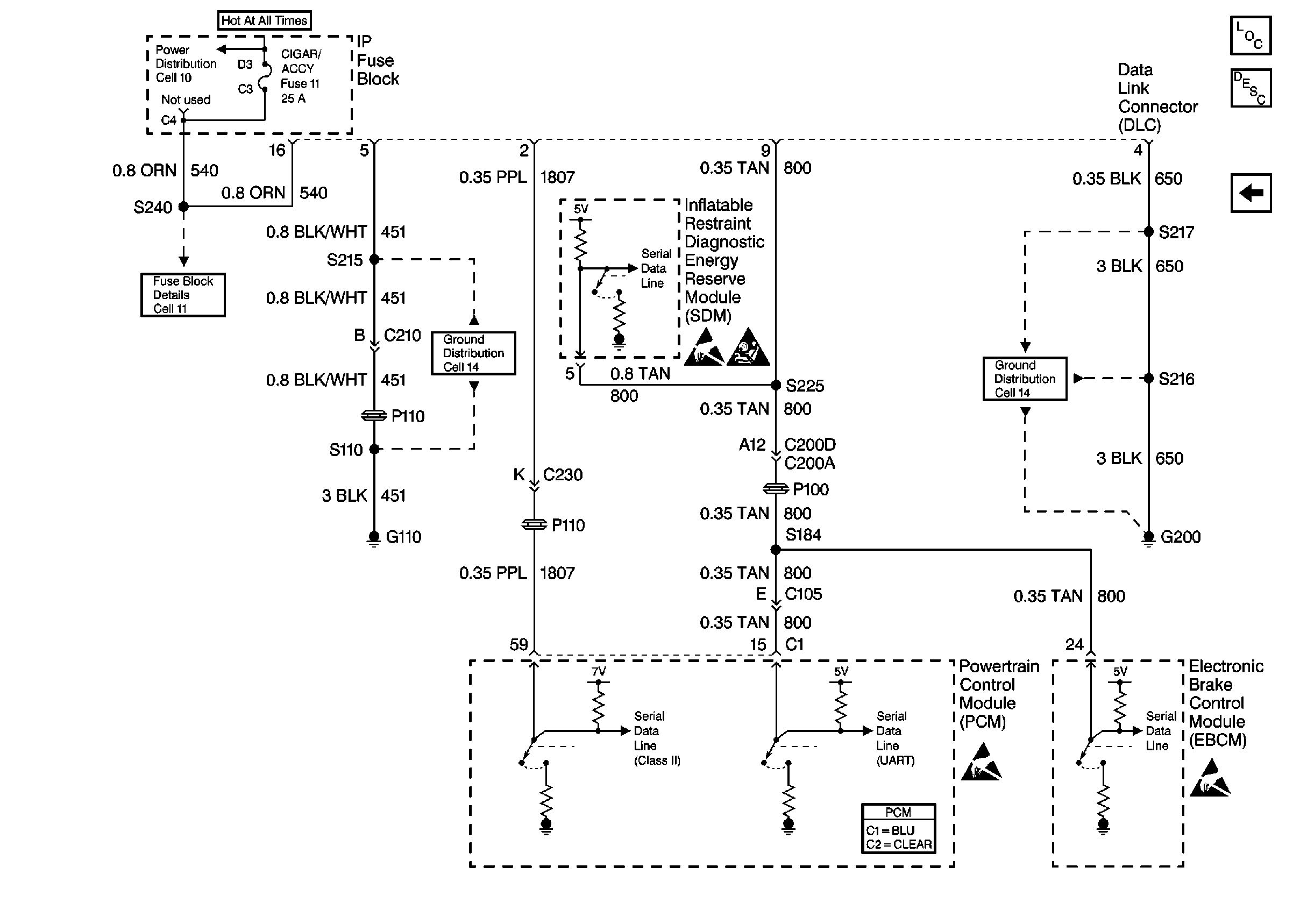
Figure
1:
Cell 50: V8 VIN G
Power Distribution Schematics
Fuse Block Schematics
Ground Distribution Schematics
Handling ESD Sensitive Parts Notice
SIR Handling Caution
Ground Distribution Schematics
Handling ESD Sensitive Parts Notice
Handling ESD Sensitive Parts Notice
Data Link Connector Circuit Description
Cell 50: V6 VIN K
Power and Grounding Components
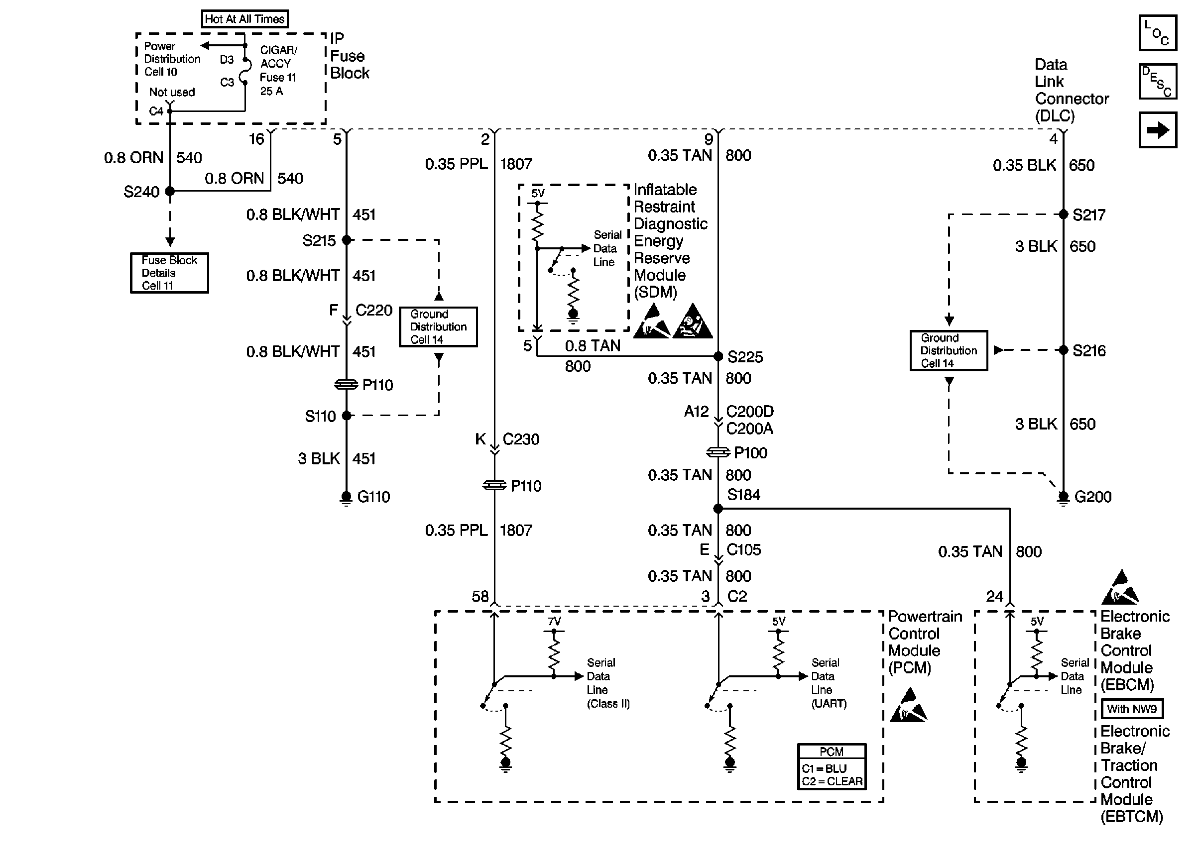
Figure
2:
Cell 50: V6 VIN K
Power Distribution Schematics
Fuse Block Schematics
Ground Distribution Schematics
Handling ESD Sensitive Parts Notice
SIR Handling Caution
Ground Distribution Schematics
Handling ESD Sensitive Parts Notice
Handling ESD Sensitive Parts Notice
Data Link Connector Circuit Description
Cell 50: V8 VIN G
Power and Grounding Components