GM Service Manual Online
For 1990-2009 cars only
Makes
🢒
Chevrolet
🢒
1998
🢒
Camaro
🢒
Body and Accessories
🢒
Retained Accessory Power
🢒 Retained Accessory Power (RAP) Schematics
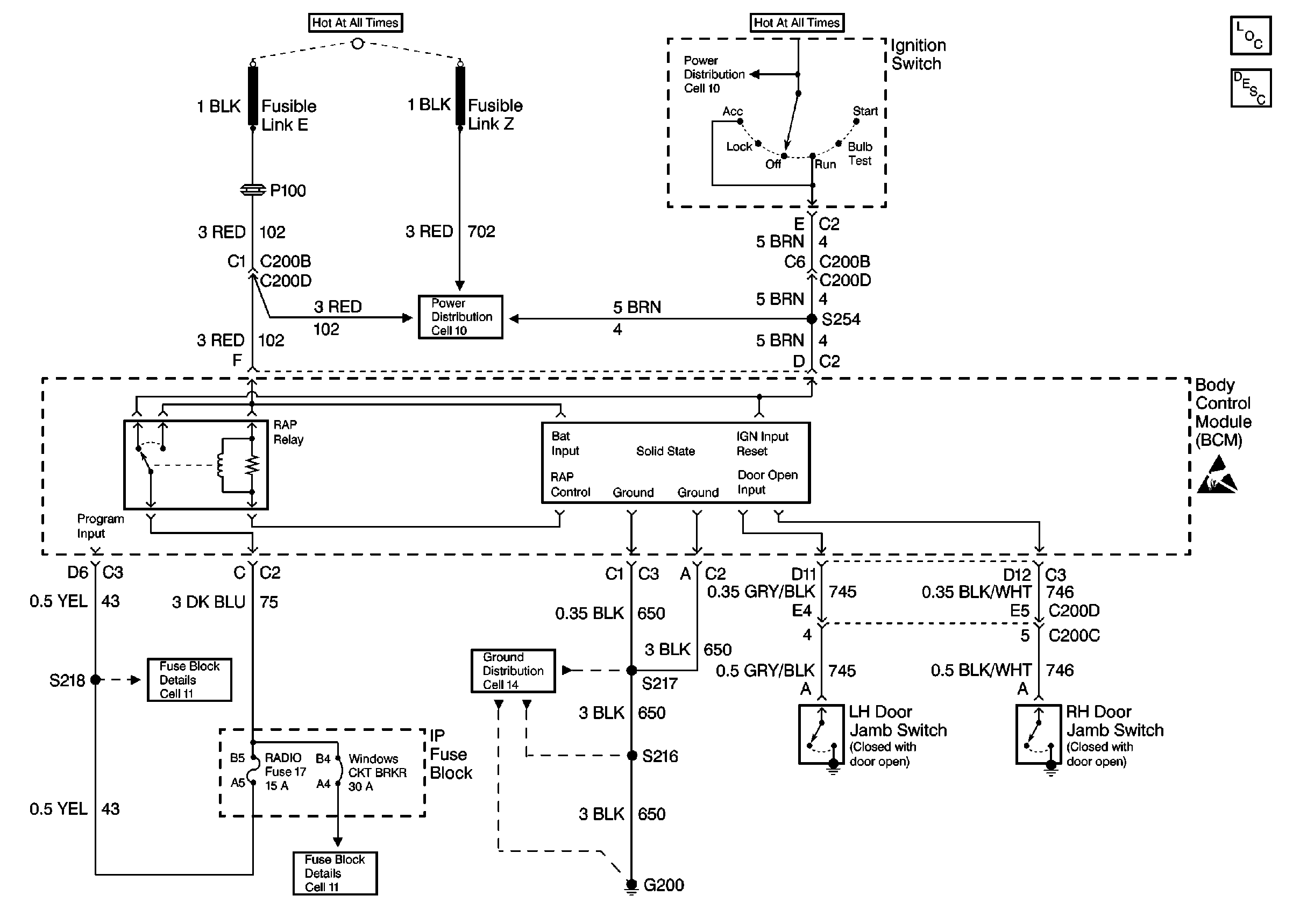
Retained Accessory Power (RAP) Schematics With Door Jamb Switches
Cell 15
Retained Accessory Power (RAP) Components
Retained Accessory Power (RAP) Circuit Description
Power Distribution Schematics
Power Distribution Schematics
Fuse Block Schematics
Fuse Block Schematics
Ground Distribution Schematics
Handling ESD Sensitive Parts Notice
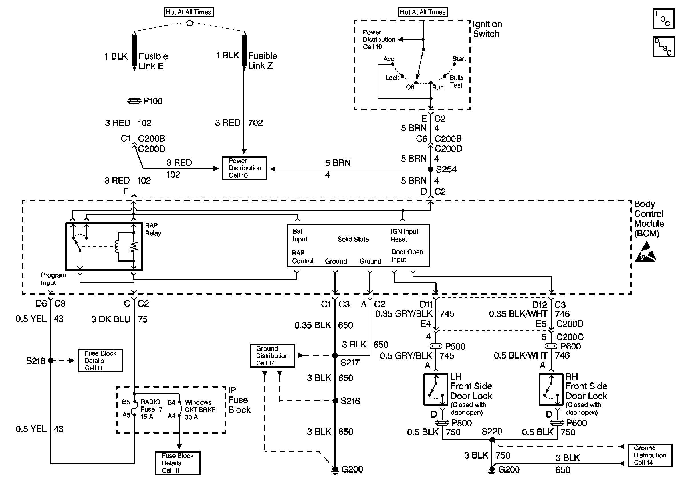
Retained Accessory Power (RAP) Schematics Without Door Jamb Switches
Cell 15
Power Distribution Schematics
Power Distribution Schematics
Retained Accessory Power (RAP) Components
Retained Accessory Power (RAP) Circuit Description
Handling ESD Sensitive Parts Notice
Fuse Block Schematics
Fuse Block Schematics
Ground Distribution Schematics
Ground Distribution Schematics