GM Service Manual Online
For 1990-2009 cars only
Makes
🢒
Chevrolet
🢒
1998
🢒
Camaro
🢒 EVAP and EGR
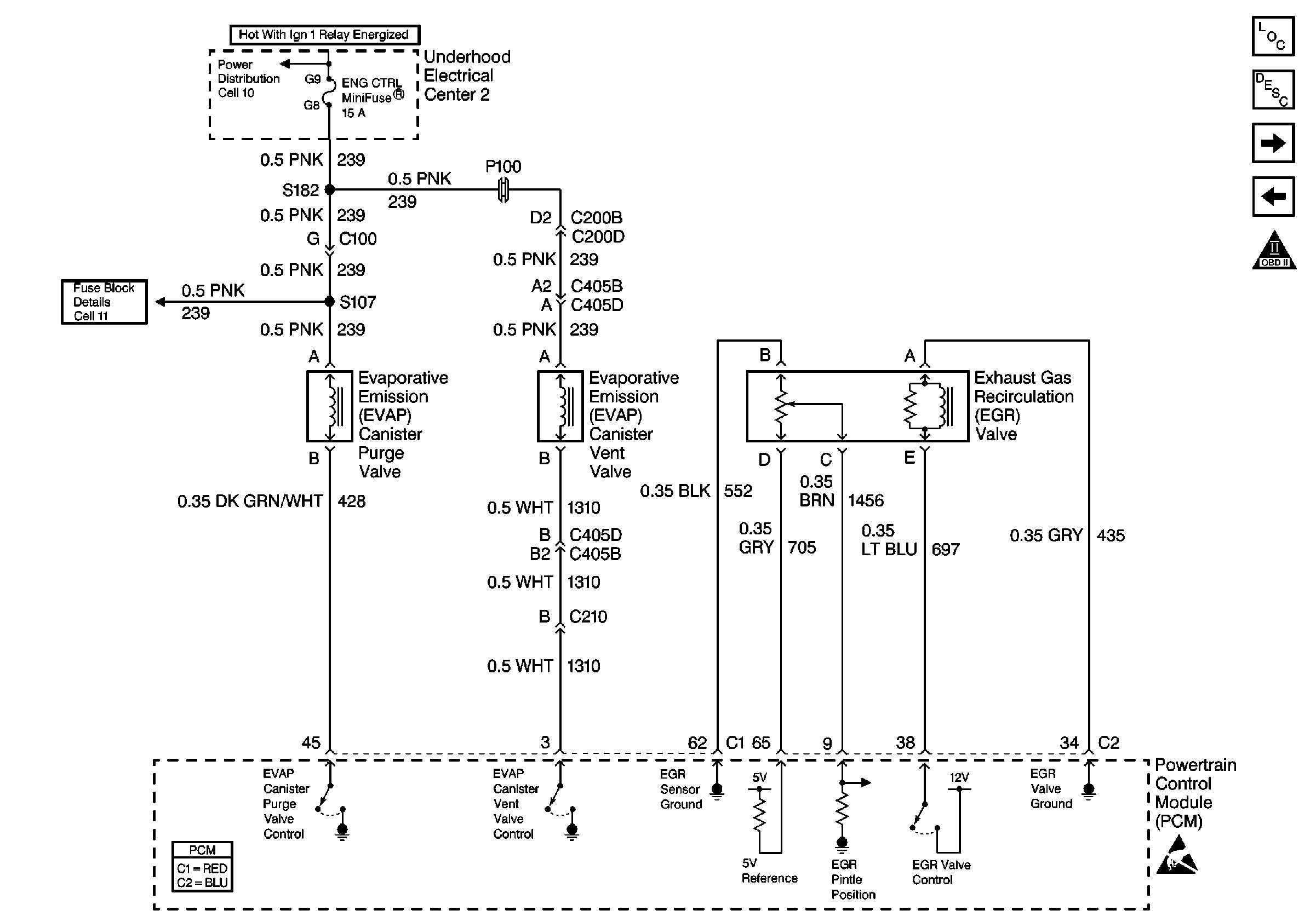
EVAP and EGR
EVAP and EGR
Engine Controls Components
Powertrain Control Module Description
Oil Level
TCS Retard Signal, VSS Output and VSS Signal
OBD II Symbol Description Notice
Handling ESD Sensitive Parts Notice
Fuse Block Schematics
Power Distribution Schematics