GM Service Manual Online
For 1990-2009 cars only

For detailed circuit information, refer to

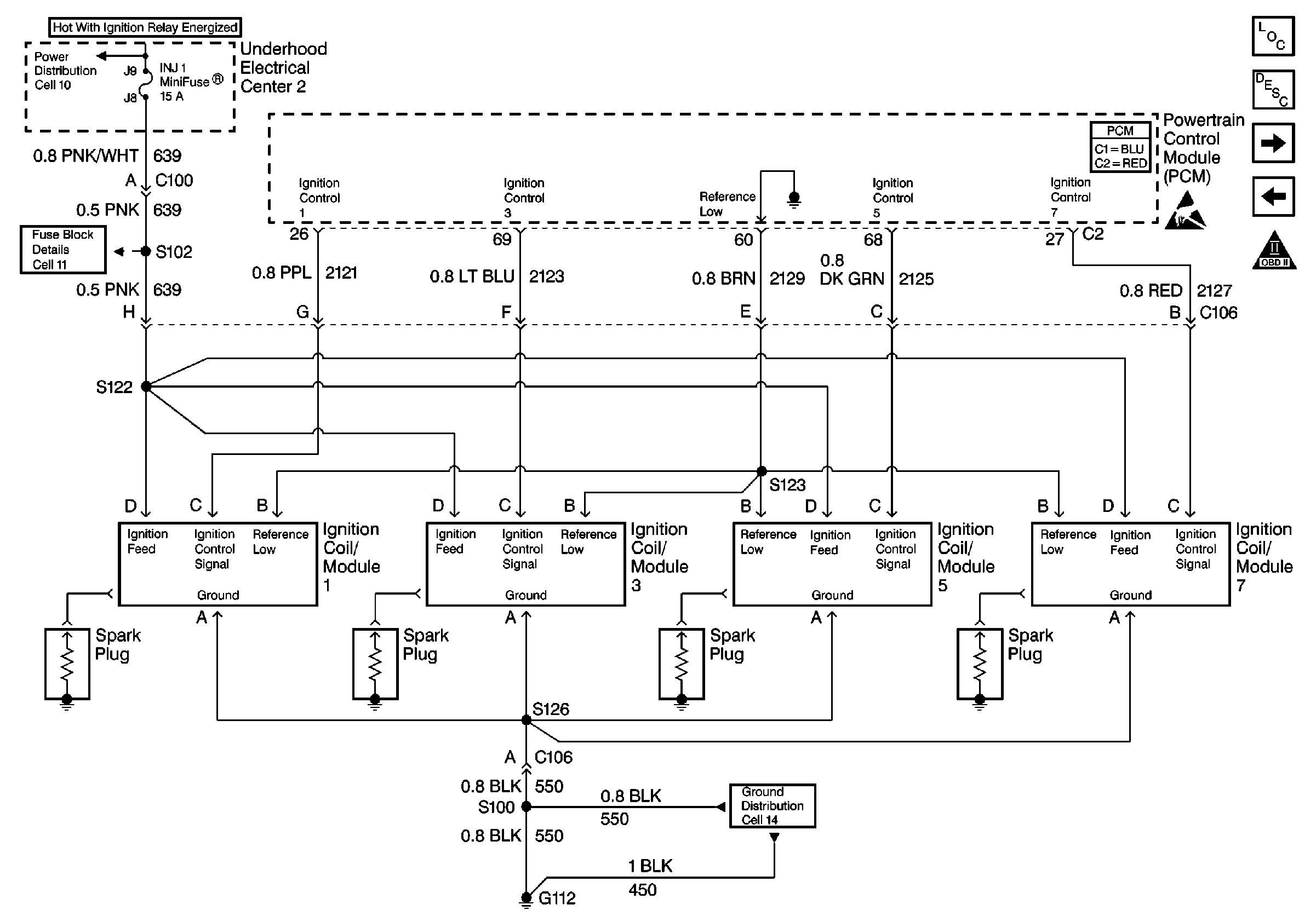
Bank 1 Ignition Coil/Modules


Object Number: 331627  Size: FS
Engine Controls Components
Electronic Ignition (EI) System Description
Bank 2 Ignition Coil/Modules
Data Link Connector (DLC)
OBD II Symbol Description Notice
Ignition Switch and Underhood Electrical Center 2
G112 V8 VIN G
U/H Center 2: INJ 1 and INJ 2 Fuses
Powertrain Control Module Connector End Views
or

Bank 2 Ignition Coil/Modules


Object Number: 331642  Size: FS
Engine Controls Components
Electronic Ignition (EI) System Description
Engine Speed Output, CKP, CMP and Knock Sensors
Bank 1 Ignition Coil/Modules
OBD II Symbol Description Notice
Ignition Switch and Underhood Electrical Center 2
G112 V8 VIN G
U/H Center 2: INJ 1 and INJ 2 Fuses
Powertrain Control Module Connector End Views

Circuit Description

A Crankshaft Position (CKP) sensor determines the engine crankshaft position. The sensor is mounted and protrudes into the rear of the engine block. The sensor is near a slotted wheel on the crankshaft. The rotation of the slotted wheel causes a magnetic flux change in the sensor. This produces a voltage signal from the electronic Ignition Control Module (ICM). The signal creates the reference pulses needed by the Powertrain Control Module (PCM). These signals trigger the correct ignition coil to fire, at the correct time.

The ignition system on this engine uses an individual ignition coil/module for each cylinder. The PCM controls the ignition system operation. There are eight Ignition Control (IC) circuits, one per cylinder, that connect the PCM and the ignition coil/modules. Each ignition coil/module has a power feed, a chassis ground circuit, and a reference low circuit. The PCM causes a spark to occur by grounding the IC circuit, which signals the ignition module to trigger the ignition coil and fire the spark plug. The PCM controls the sequencing and timing.

Diagnostic Aids

Important: 

   • Remove any debris from the PCM connector surfaces before servicing the PCM. Inspect the PCM connector gaskets when diagnosing/replacing the PCM. Ensure that the gaskets are installed correctly. The gaskets prevent water intrusion into the PCM.
   • For any test that requires probing the PCM or component harness connectors, use the Connector Test Adapter Kit J 35616 . Using this kit prevents any damage to the harness connector terminals. Refer to Using Connector Test Adapters in Wiring Systems.

    • The following may cause an intermittent:
       - Inspect for poor connections. Refer to Intermittents and Poor Connections Diagnosis in Wiring Systems.
       - Corrosion
       - Mis-routed harness
       - Rubbed through wire insulation
       - Broken wire inside the insulation
    • Using Freeze Frame and/or Failure Records data may aid in locating an intermittent condition. If you cannot duplicate the condition, the information included in the Freeze Frame and/or Failure Records data can help determine how many miles since the condition occurred. Operate vehicle within the same freeze frame conditions (RPM, load, vehicle speed, temperature etc.) that you observed. This will isolate when the condition occurred.
    •  For an intermittent condition, refer to Symptoms .

Test Description

The numbers below refer to the step numbers on the diagnostic table.

  1. Monitoring the misfire current counters determines if a fault is present.

  2. A good indication that the fuse is open is more than 2 of the misfire current counters are incrementing on one side of the engine. Inspect the ignition feed circuit for a grounded circuit.

  3. If the fuse is open and no condition can be found with the ignition coil/module circuits, inspect the injector circuits for being grounded. The INJ1 fuse and INJ2 fuse feed the ignition coil/module circuits and injector circuits.

Electronic Ignition System Check

Step

Action

Value(s)

Yes

No

1

Did you perform the Powertrain On-Board Diagnostic (OBD) System Check?

--

Go to Step 2

Go to Powertrain On Board Diagnostic (OBD) System Check

2

Are DTCs P0200, P0300, P0335, P0336, P0351 - P0358 set?

--

Go to Applicable DTC Table

Go to Step 3

3

Important: This table assumes that there are no injector circuit malfunctions or mechanical malfunctions. If you were not sent here from DTC P0300, refer to DTC P0300 Engine Misfire Detected before proceeding with this table.

If more than one cylinder is misfiring on one side of the engine, inspect the ignition coil/module ground circuit for an open.

  1. Install a scan tool.
  2. Idle the engine.
  3. Using a scan tool, monitor all the Misfire Current counters on the misfire data list. There are a total of 8 counters, one counter per cylinder.

Are any of the Misfire Current counters incrementing?

--

Go to Step 4

Go to Diagnostic Aids

4

Are the misfire current counters incrementing for 2 or more cylinders on one bank of the engine?

--

Go to Step 8

Go to Step 5

5

  1. Turn OFF the ignition.
  2. Disconnect the ignition coil/module electrical harness connector that corresponds to the Misfire Current counter(s) that was incrementing.
  3. Turn ON the ignition leaving the engine OFF.
  4. Probe the ignition feed circuit at the ignition coil/module electrical connector using the test lamp J 35616-200 connected to battery ground. Refer to Probing Electrical Connectors in Wiring Systems.

Does the test lamp illuminate?

--

Go to Step 6

Go to Step 10

6

Using the test lamp J 35616-200 probe the ignition feed circuit at the ignition coil/module electrical connector to the ignition coil/module ground circuit.

Does the test lamp illuminate?

--

Go to Step 7

Go to Step 13

7

Using the test lamp J 35616-200 probe the ignition feed circuit at the ignition coil/module electrical connector to the ignition coil/module reference low circuit.

Does the test lamp illuminate?

--

Go to Step 21

Go to Step 17

8

  1. Inspect for an open ignition coil/module fuse (INJ1 or INJ2).
  2. Locate and repair the ignition feed circuit for grounded circuit if the fuse is open. Refer to Wiring Repairs in Wiring Systems.
  3. Replace the fuse.

Did you find and correct the condition?

--

System OK

Go to Step 9

9

Repair the open in the ignition feed circuit between the fuse block and the splice. Refer to Wiring Repairs in Wiring Systems.

Is the action complete?

--

System OK

--

10

  1. Disconnect the main ignition coil/module 8-way connector.
  2. Probe the ignition feed circuit at the ignition coil/module main 8-way connector using the test lamp J 35616-200 connected to battery ground (fuse side of harness). Refer to Probing Electrical Connectors in Wiring Systems.

Does the test lamp illuminate?

--

Go to Step 11

Go to Step 12

11

Repair the open circuit between the main 8-way harness connector and the ignition coil/module connector. Refer to Wiring Repairs in Wiring Systems.

Is the action complete?

--

System OK

--

12

Repair the open ignition feed circuit between the fuse block (open fuse) and the main ignition coil/module 8-way harness connector. Refer to Wiring Repairs in Wiring Systems.

Is the action complete?

--

System OK

--

13

  1. Disconnect the main ignition coil/module 8-way connector.
  2. Using the test lamp J 35616-200 probe the ignition feed circuit to the ignition coil/module ground circuit at the ignition coil/module main electrical 8-way connector. Refer to Probing Electrical Connectors in Wiring Systems.

Does the test lamp illuminate?

--

Go to Step 14

Go to Step 16

14

  1. Inspect for a poor connection at the main ignition coil/module electrical 8-way connector. Refer to Intermittents and Poor Connections Diagnosis in Wiring Systems.
  2. Repair poor connections as necessary. Refer to Connector Repairs in Wiring Systems.

Did you find and correct the condition?

--

System OK

Go to Step 15

15

Repair the open ground circuit between the main 8-way connector and the ignition coil/module connector. Refer to Wiring Repairs in Wiring Systems.

Is the action complete?

--

System OK

--

16

Repair the open ground circuit between the ground and the main 8-way connector. Refer to Wiring Repairs in Wiring Systems.

Is the action complete?

--

System OK

--

17

  1. Disconnect the main ignition coil/module 8-way connector.
  2. Using the test lamp J 35616-200 probe the ignition feed circuit at the ignition coil/module main electrical 8-way connector to the ignition coil/module reference low circuit.

Does the test lamp illuminate?

--

Go to Step 18

Go to Step 20

18

  1. Inspect for a poor connection at the main ignition coil/module electrical 8-way connector. Refer to Intermittents and Poor Connections Diagnosis in Wiring Systems.
  2. If a poor connection is found, repair as necessary. Refer to Connector Repairs in Wiring Systems.

Did you find and correct the condition?

--

System OK

Go to Step 19

19

Repair the open reference low circuit between the main 8-way connector and the ignition coil/module connector. Refer to Wiring Repairs in Wiring Systems.

Is the action complete?

--

System OK

--

20

Repair the open reference low circuit between the PCM and the splice. Refer to Wiring Repairs in Wiring Systems.

Is the action complete?

--

System OK

--

21

  1. Inspect for poor connections at the ignition coil/module harness connector. Refer to Intermittents and Poor Connections Diagnosis in Wiring Systems.
  2. Repair poor connections as necessary. Refer to Connector Repairs in Wiring Systems.

Did you find and correct the condition?

--

System OK

Go to Step 22

22

Replace ignition coil/module. Refer to Ignition Coil Replacement in Engine Electrical.

Is the action complete?

--

System OK

--