GM Service Manual Online
For 1990-2009 cars only
Makes
🢒
Chevrolet
🢒
1999
🢒
Camaro
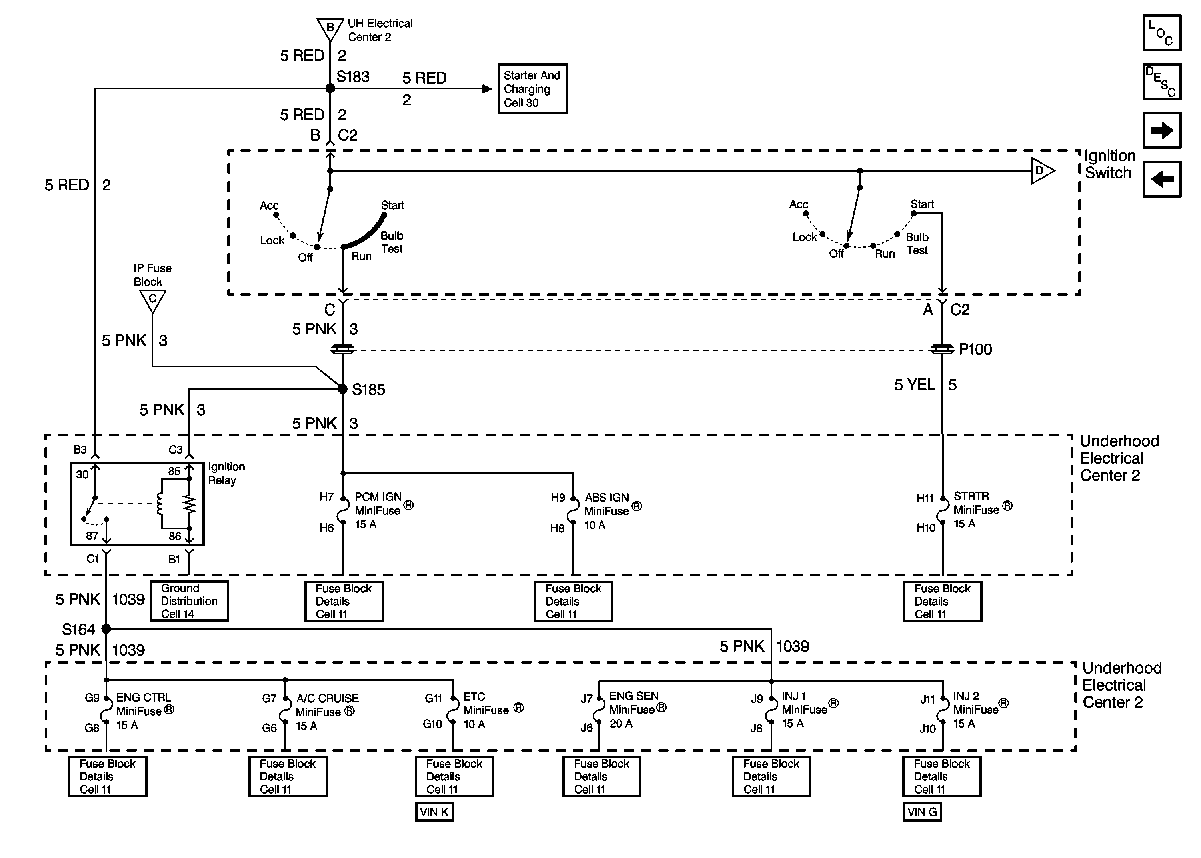
🢒 Ignition Switch and Underhood Electrical Center 2
Ignition Switch and Underhood Electrical Center 2
Ignition Switch and Underhood Electrical Center 2
Power and Grounding Components
Ignition Switch and IP Fuse Block
Fusible Links, IP Fuse Block, and Underhood Electrical Centers
Fusible Links, IP Fuse Block, and Underhood Electrical Centers
Ignition Switch and IP Fuse Block
Fusible Links, IP Fuse Block, and Underhood Electrical Centers
Starting System
U/H Center 2: STRTR, PCM IGN and ABS IGN Fuses
U/H Center 2: STRTR, PCM IGN and ABS IGN Fuses
U/H Center 2: STRTR, PCM IGN and ABS IGN Fuses
U/H Center 2: ENG CTRL Fuse
U/H Center 2: ETC and A/C Cruise Fuses
U/H Center 2: ETC and A/C Cruise Fuses
U/H Center 2: ENG SEN Fuse
U/H Center 2: INJ 1 and INJ 2 Fuses
U/H Center 2: INJ 1 and INJ 2 Fuses