GM Service Manual Online
For 1990-2009 cars only
Makes
🢒
Chevrolet
🢒
1999
🢒
Camaro
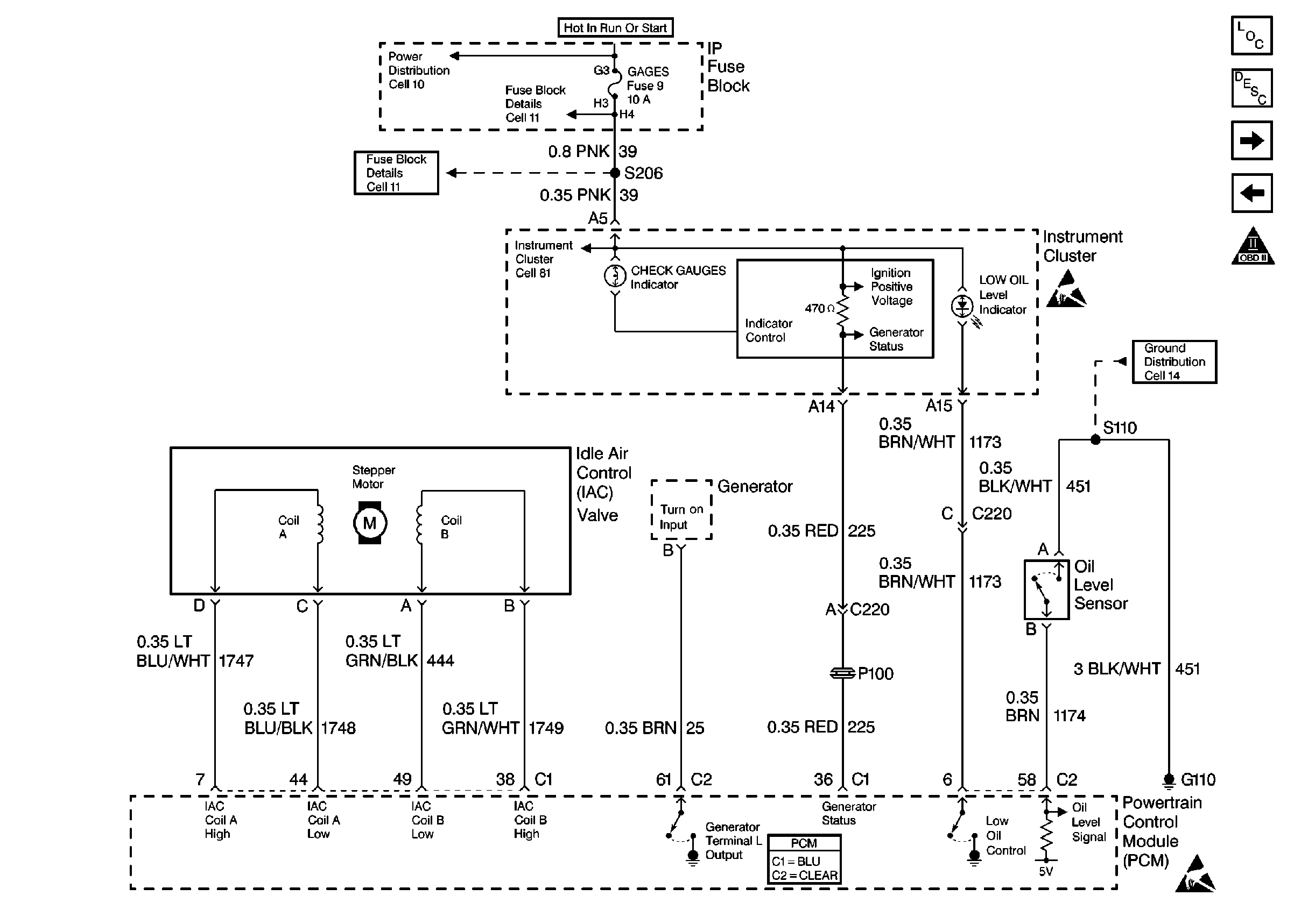
🢒 Gen Control, IAC, Check Gauges Lamp
Gen Control, IAC, Check Gauges Lamp
Gen Control, IAC, Check Gauges Lamp
Engine Controls Components
Powertrain Control Module Description
Cruise Control, VSS
MAF Sensor, EVAP System, EGR Valve
OBD II Symbol Description Notice
Handling ESD Sensitive Parts Notice
Handling ESD Sensitive Parts Notice
Powertrain Control Module Connector End Views
Power Distribution Schematics
Fuse Block Schematics
Ground Distribution Schematics
Fuse Block Schematics