GM Service Manual Online
For 1990-2009 cars only
Makes
🢒
Chevrolet
🢒
1999
🢒
Camaro
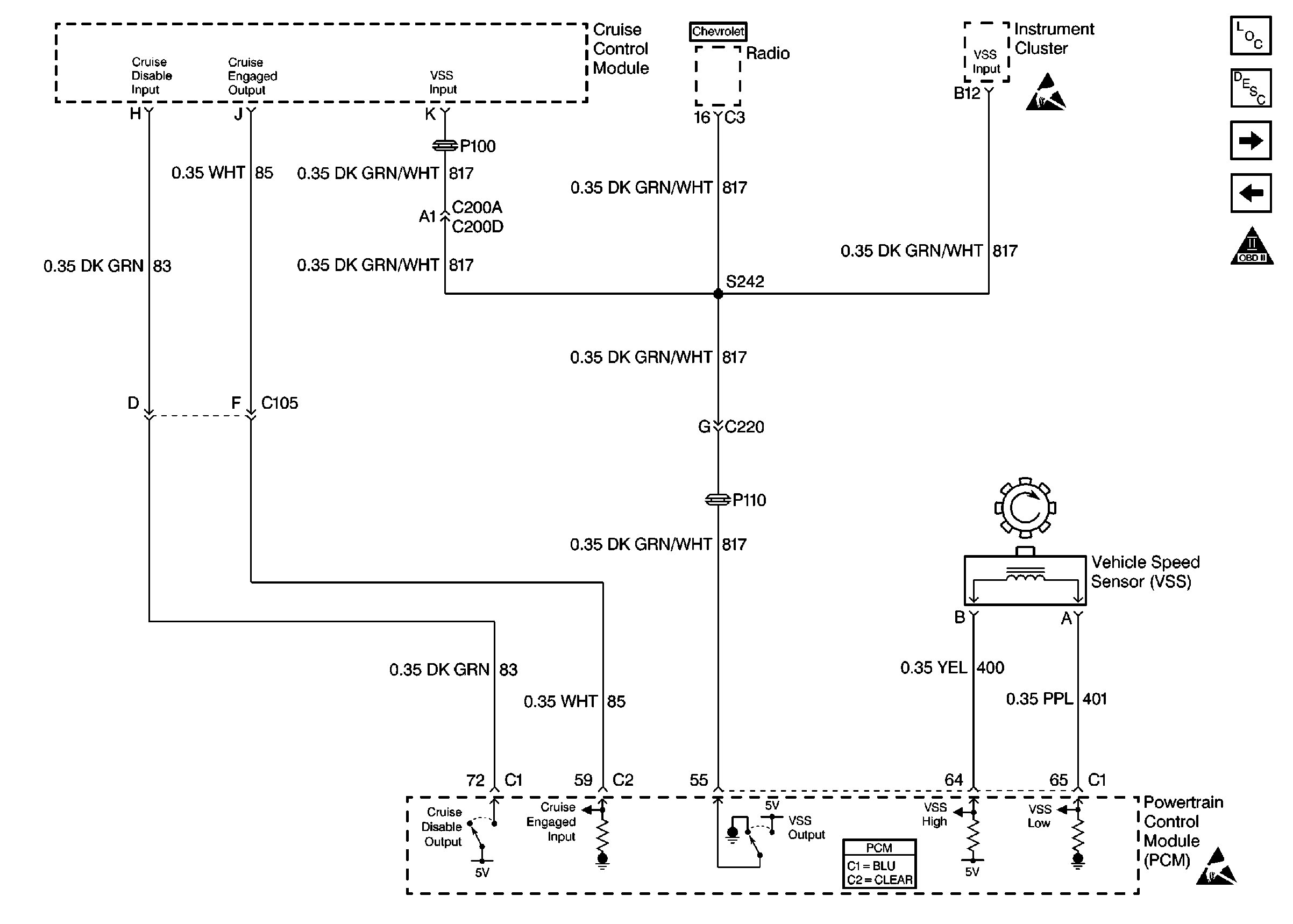
🢒 Cruise Control, VSS
Cruise Control, VSS
Cruise Control, VSS
Engine Controls Components
Powertrain Control Module Description
2nd Gear, Clutch Anticipated Switch
Gen Control, IAC, Check Gauges Lamp
OBD II Symbol Description Notice
Handling ESD Sensitive Parts Notice
Powertrain Control Module Connector End Views
Handling ESD Sensitive Parts Notice