GM Service Manual Online
For 1990-2009 cars only
Makes
🢒
Chevrolet
🢒
1999
🢒
Camaro
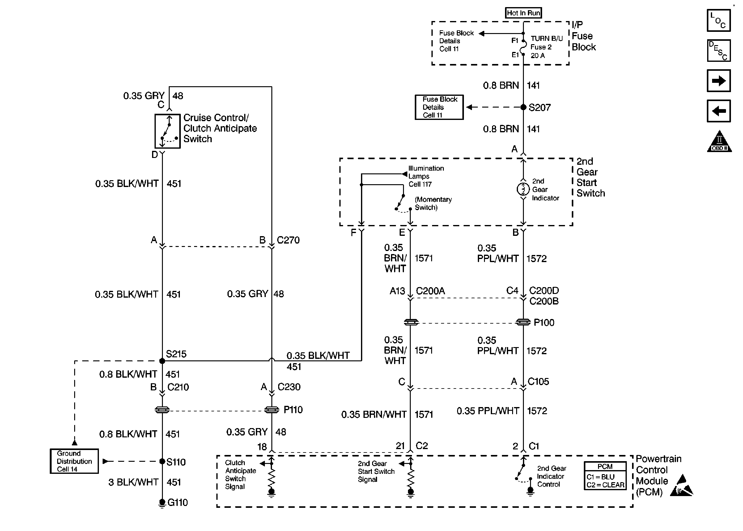
🢒 2nd Gear, Clutch Anticipated Switch
2nd Gear, Clutch Anticipated Switch
2nd Gear, Clutch Anticipated Switch
Engine Controls Components
Electronic Component Description
Brake Switch, TCC Solenoid
Cruise Control, VSS
OBD II Symbol Description Notice
Powertrain Control Module Connector End Views
Handling ESD Sensitive Parts Notice
Fuse Block Schematics
Fuse Block Schematics
Ground Distribution Schematics