GM Service Manual Online
For 1990-2009 cars only
Makes
🢒
Chevrolet
🢒
1999
🢒
Camaro
🢒 Cell 64: V8 VIN G
Cell 64: V8 VIN G
Cell 64: V8 VIN G
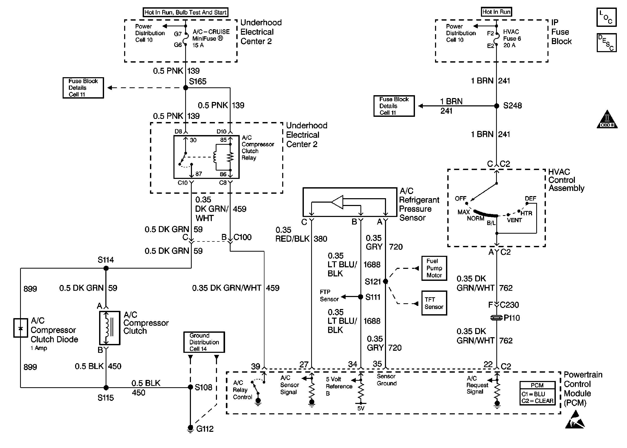
HVAC Components
Compressor Description
OBD II Symbol Description Notice
Battery and Underhood Electrical Center 1
U/H Center 2: ETC and A/C Cruise Fuses
Ignition Switch and IP Fuse Block
I/P Fuses 1, 2, 5 and 6
G112 V6 VIN K
Fuel Pump Controls
Fuel Pump Controls
Trans Range
Handling ESD Sensitive Parts Notice