GM Service Manual Online
For 1990-2009 cars only
Makes
🢒
Chevrolet
🢒
1999
🢒
Camaro
🢒 Pontiac: Headlamps Cell 102
Pontiac: Headlamps Cell 102
Pontiac: Headlamps Cell 102
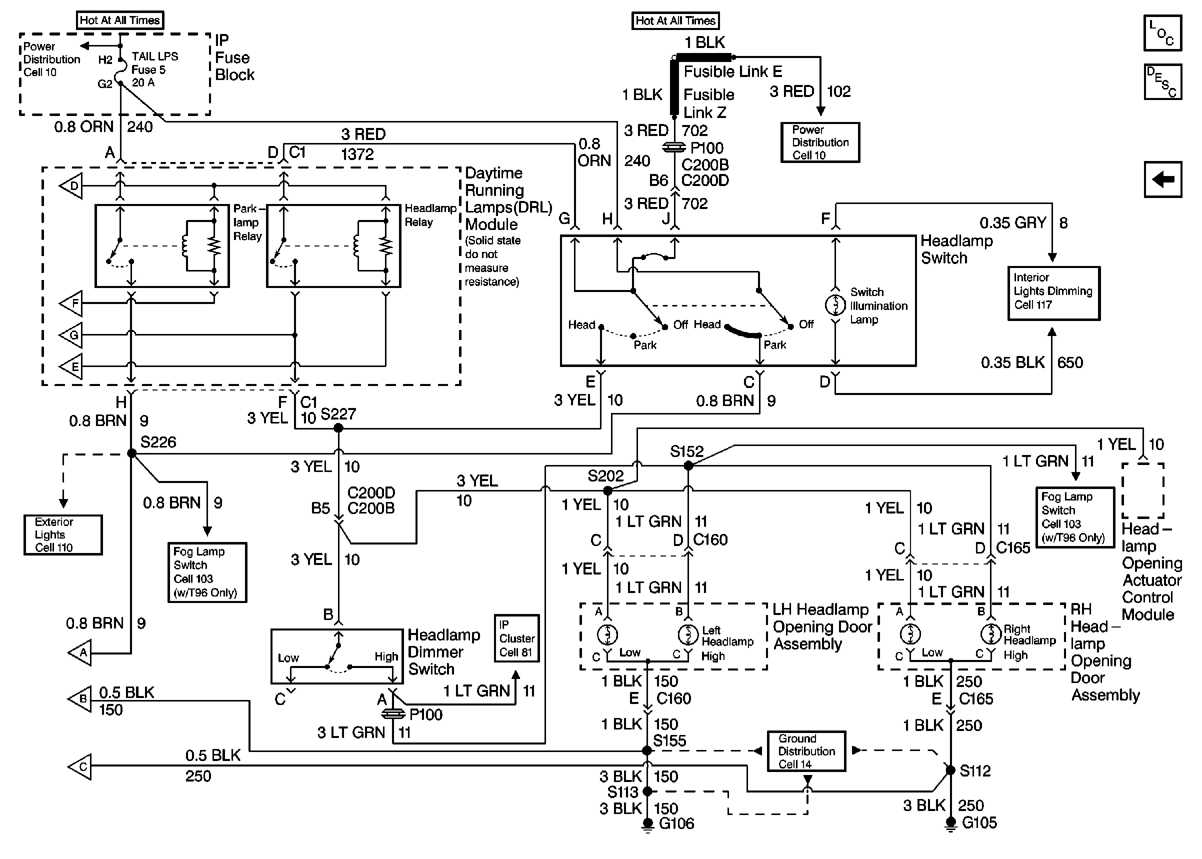
Fusible Links, IP Fuse Block, and Underhood Electrical Centers
Pontiac: Park/Turnlamps Cell 102
Pontiac: Park/Turnlamps Cell 102
Pontiac: Park/Turnlamps Cell 102
Pontiac: Park/Turnlamps Cell 102
Chevrolet Cell 103
Park/Turnlamps, Foglamps Relay, Side Marker Lamps Cell 110
Pontiac: Park/Turnlamps Cell 102
Pontiac: Park/Turnlamps Cell 102
Pontiac: Park/Turnlamps Cell 102
BCM and Headlamp Dimmer Switch
G105
Chevrolet Cell 103
Fusible Links, IP Fuse Block, and Underhood Electrical Centers
Headlamp and IP Dimmer Switches
Pontiac: Park/Turnlamps Cell 102
Headlights Circuit Description Chevrolet
Lighting Systems Components