GM Service Manual Online
For 1990-2009 cars only
Makes
🢒
Chevrolet
🢒
1999
🢒
Camaro
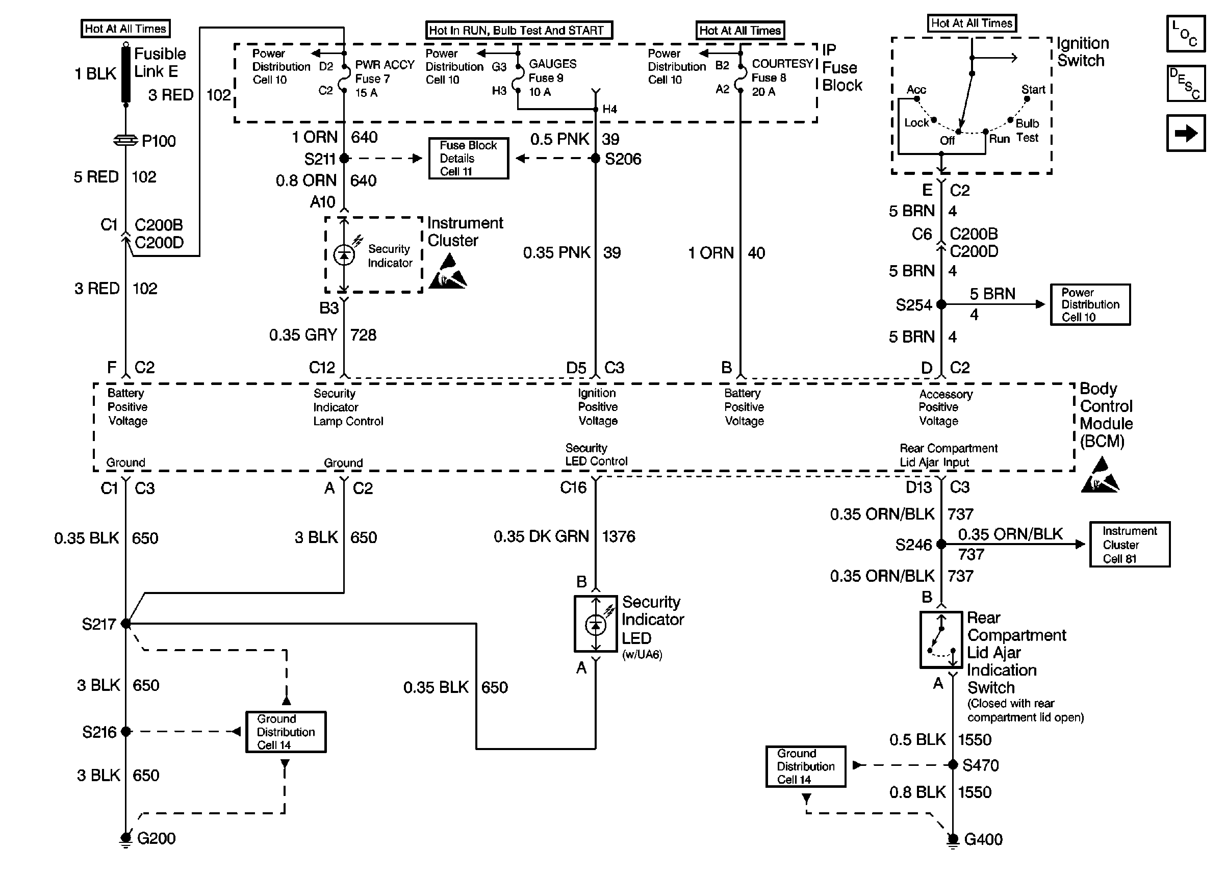
🢒 Ignition Switch, Instrument Cluster, IP Fuse Block, and Rear Compartment Lid Ajar Indication Switch
Ignition Switch, Instrument Cluster, IP Fuse Block, and Rear Compartment Lid Ajar Indication Switch
Ignition Switch, Instrument Cluster, IP Fuse Block, and Rear Compartment Lid Ajar Indication Switch
Body Control Module Components
Body Control System Circuit Description
BCM RAP Components
Fusible Links, IP Fuse Block, and Underhood Electrical Centers
Fusible Links, IP Fuse Block, and Underhood Electrical Centers
Fusible Links, IP Fuse Block, and Underhood Electrical Centers
I/P Fuses 7, 9, 10 and 11
Ignition Switch and IP Fuse Block
G200 Door Locks, Mirrors, Windows
G400 Chevrolet
BCM, Engine Coolant Level Indicator Module, PCM, and Rear Compartment Lid Ajar Indicator Switch
Handling ESD Sensitive Parts Notice
Handling ESD Sensitive Parts Notice