GM Service Manual Online
For 1990-2009 cars only
Makes
🢒
Chevrolet
🢒
1999
🢒
Camaro
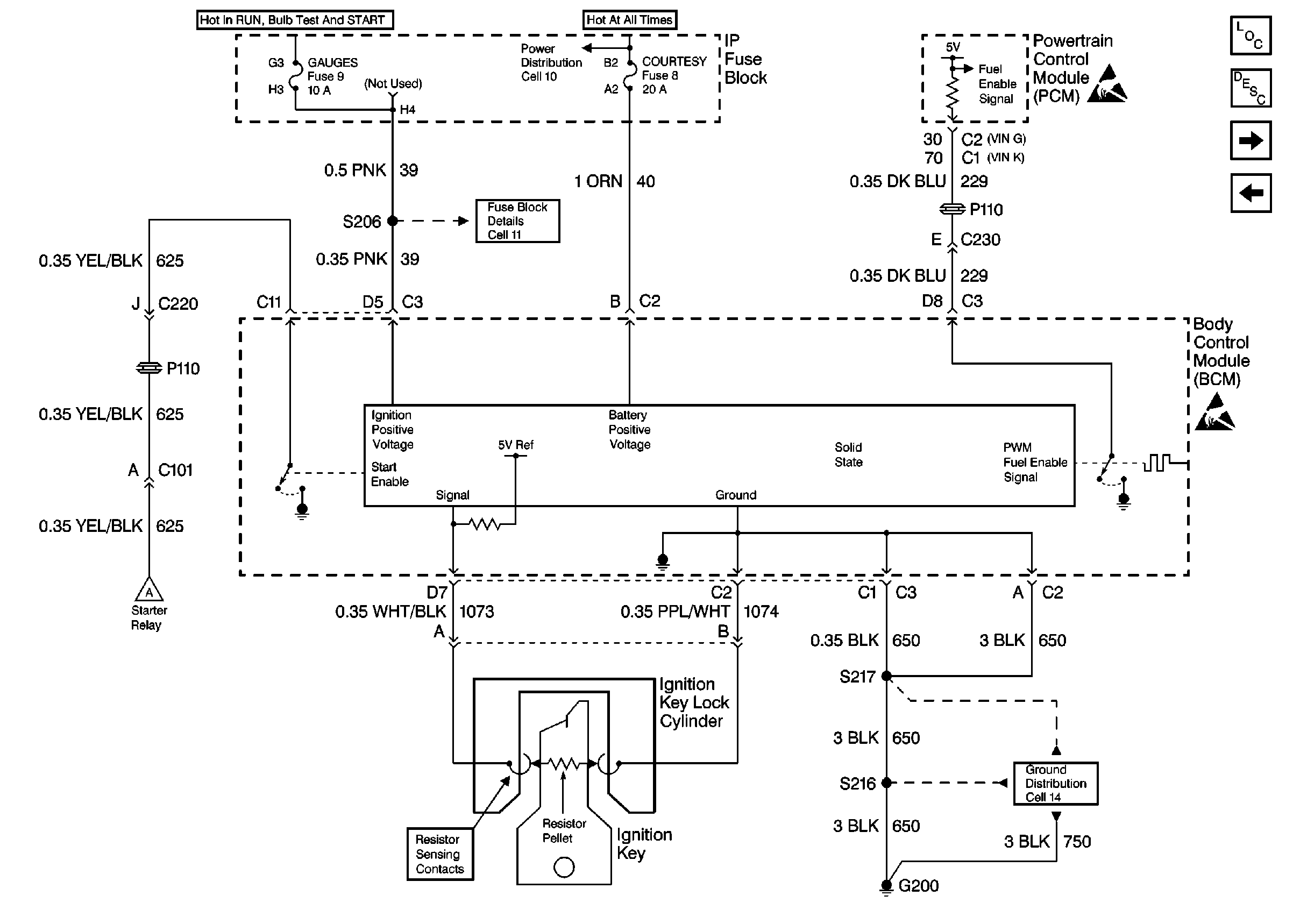
🢒 BCM, Ignition Key Lock Cylinder, and PCM
BCM, Ignition Key Lock Cylinder, and PCM
BCM, Ignition Key Lock Cylinder, and PCM
Theft Deterrent System Components
Vehicle Theft Deterrent (VTD)Circuit Description
BCM, Ignition Switch, Security Indicator LED, Theft Deterrent Relay, and Theft Deterrent Shock Sensor
Clutch Pedal Position Switch, Ignition Switch, Park/Neutral Position Switch, Starter Relay, and Starter Solenoid
Fusible Links, IP Fuse Block, and Underhood Electrical Centers
Handling ESD Sensitive Parts Notice
I/P Fuses 7, 9, 10 and 11
Handling ESD Sensitive Parts Notice
Clutch Pedal Position Switch, Ignition Switch, Park/Neutral Position Switch, Starter Relay, and Starter Solenoid
G200 Door Locks, Mirrors, Windows